norelem 使用 Cookies 以优化设计和持续改进网页。您通过继续使用网页,同意使用 Cookies。在我们的数据保护声明中可以找到有关 Cookies 主题的详细信息。同意
精密三爪卡盘 手动卡盘
33226

精密三爪卡盘 手动卡盘

返回

商品描述/产品说明

产品说明材料:主体和钢制夹钳。
直径在 100 及以上的主体采用铝制,钢制夹钳。
规格:主体经亮色处理,夹钳经硬化和亮色处理。
直径在 100 及以上的主体经硬质阳极氧化处理,夹钳经硬化、亮色处理。
提示:这种爪式卡盘专用于要求低夹紧力但是高精确度的情况。用于以内部和外部夹紧方式夹紧回转工件。简单地用手或通过随附的锁紧手柄转动夹紧环来夹紧工件。经硬化处理的卡爪朝外分阶梯递减或相反。双号标记的每种卡爪为相反形式的。卡爪上的代码朝外,必须与主体上的代码一致。

爪式夹盘 D=50 带有操作工具,带有三个长度分别为 12 和 18 mm 的销钉 (Ø 2 mm)。
爪式夹盘 D=64 带有操作工具,带有三个长度分别为 12 和 18 mm 的销钉 (Ø 2 mm)。
爪式夹盘 D=104 带有操作工具,带有三个长度分别为 12、18 和 24 mm 的销钉 (Ø 3 mm)。
爪式夹盘 D=160 带有操作工具,带有三个长度分别为 18 和 24 mm 的销钉 (Ø 4 mm)。

销钉可插入卡爪顶部,用于增强小型部件的夹紧力。这些销钉均可拆卸。

径跳 < 0.03 mm
端跳 < 0.01 mm
重复夹紧精度 < 0.01 mm
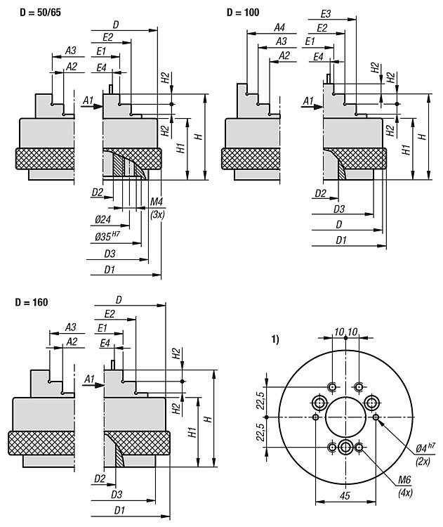
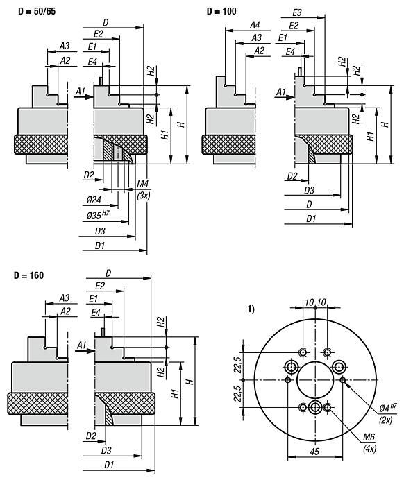
图纸提示:
1) 下方的卡盘连接尺寸为 100 和 160 mm。
特点:
RoHS
下载此处为收集信息的 PDF:

查找 CAD 数据?请直接在产品列表中查找。
 Datasheet 33226 精密三爪卡盘 手动卡盘 786 kB
 快换系统 1,9 MB

图纸

精密三爪卡盘 手动卡盘

商品选择/筛选

订货号主体
材料
A1A2A3A4D

D1D2D3E1E2E3E4HH1H2CAD配件价格订购
33226-50钢制1-1818-3636-54-5052,5114017-3535-53-7,837,5284 根据要求
33226-64钢制1-3018-4836-66-6566134017-4735-65-7,837,5284 根据要求
33226-100铝制1-4028-6648-8468-102100105,5188920-6040-8060-100948334,5 根据要求
33226-160铝制2,5-7042-120100-160-160164349638-10090-160-2078,55310 根据要求
我的 norelemE-Mail密码
购物车
商品数量: 0
总数: 0.00  
点击购物车
欢迎扫描二维码
咨询诺瑞朗官方客服微信
中国
苏ICP备20011289号-1  苏公网安备32058502011222 网页地图 打印 推荐 Top
Copyright © 2025 norelem. 保留所有权利。 电话 +49 71 45/206-44 至 45 · 传真 +49 71 45/206-83