norelem 使用 Cookies 以优化设计和持续改进网页。您通过继续使用网页,同意使用 Cookies。在我们的
数据保护声明
中可以找到有关 Cookies 主题的详细信息。
同意
全球分布
创意
AGB
版权说明
数据保护
产品
企业信息
服务
下载
新闻
联系方式
产品概览
固定
灵活的标准件系统
装配
装配系统
运动
用于机床和设备制造的系统/组件
检查
量具检具组件
夹紧
夹紧技术
控制和调节
电动机构
输送
输送和移动技术
technoshop
norelem inch
英制产品目录
34022
铝制快速更换托盘系统
返回
产品
产品概览
量具检具组件
用于测量技术的固定系统和夹紧元件
用于光学测量方法的固定装置
铝制快速更换托盘系统
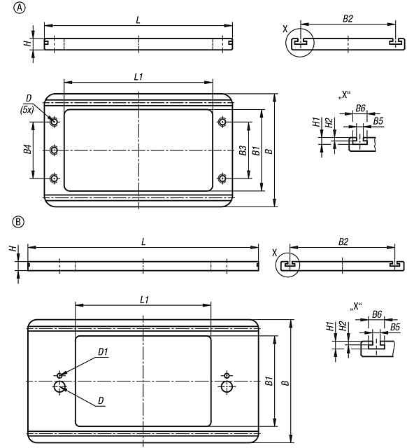
商品描述/产品说明
查看/筛选所有商品
产品说明
材料:
铝制。
规格:
硬质涂层。
提示:
快速更换托盘可用于测量技术,可实现重复定位。通过角度实现定位。
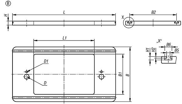
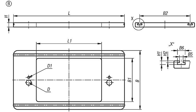
B 型配有可用于固定在 Keyence 机器上的螺钉。
优点:
夹紧模块可安装在测量机外部的托架板上。通过缩短安装和固定时间,可以降低测量机的 OEE。
附件:
棱柱支架 34023。
尾座 34024。
供货范围
B 型:2 个圆柱头螺丝 M4X5。
图纸提示:
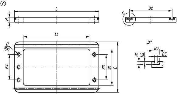
A 型:短型。
B 型:适用于 Keyence 机器/ Keyence 版本。
特点:
下载
此处为收集信息的 PDF:
查找 CAD 数据?请直接在产品列表中查找。
Datasheet 34022 铝制快速更换托盘系统
460 kB
图片(总概述)
铝制快速更换托盘系统,A 型,短型
更多信息
图纸
商品选择/筛选
订货号
类型
B
B1
B2
B3
B4
B5
B6
D
H
H1
H2
L
L1
CAD
配件
价格
订购
34022-19510005
A
100
72
84,1
50
50
5
10,5
M6
10
5
2,4
195
160
根据要求
铝制快速更换托盘系统,B 型,适用于 Keyence 机器
更多信息
图纸
商品选择/筛选
订货号
类型
B
B1
B2
B5
B6
D
D1
H
H1
H2
L
L1
CAD
配件
价格
订购
34022-30513605
B
136
100
115,9
5
10,5
6
4,6
10
5
2,4
305
200
根据要求
本类目的其他商品
<<
|
<
|
1-10
|
11-20
|
21-24
|
>
|
>>
34020
夹紧件套装 用于光学测量方法的固定装置
33227-05
基础铝制快速释放支架
34021
基础铝制快速释放支架 带托架
33227-10
铝制快速释放支架 带斜角
34007
铝制快速释放支架 带斜角,可旋转
34007-02
铝制快速释放支架 可旋转
33225
精密台钳
34010
精密定心夹具
33225
用于精密台钳和精密定心夹具的配件
34011
精密三爪卡盘 手动卡盘,带适配器
<<
|
<
|
1-10
|
11-20
|
21-24
|
>
|
>>
我的 norelem
E-Mail
密码
忘记密码
首次登陆
购物车
商品数量:
0
总数:
0.00
€
点击购物车
欢迎扫描二维码
咨询诺瑞朗官方客服微信
Algérie
Andorra
Argentina
Australia
België
Bolivia
Bosna i Hercegovina
Brasil
Canada
Česká republika
Chile
中国
Colombia
Costa Rica
Cuba
Danmark
Dem. Peop. Rep. of Korea
Deutschland
Ecuador
Eesti
España
Georgia
香港
Hrvatska
India
Ireland
Ísland
Italia
Jamaica
日本
Latvija
Liechtenstein
Lietuvos
Luxemburg
Magyarország
Malaysia
Malta
México
Nederland
New Zealand
Norge
Österreich
Pakistan
Paraguay
Perú
Polska
Portugal
Principauté de Monaco
台灣
Rep. di San Marino
대한민국
România
Schweiz
Singapore
Slovenija
Slovensko
South Africa
Suomi
Sverige
Türkiye
United Kingdom
United States of America
Uruguay
Venezuela
Việt Nam
Ελλάδα
Κύπρος
Беларусь
България
Република Србија
Россия
Србија и Црна Гора
Україна
ישראל
الامارات العربية المتحدة
السعودية
ايران
مصر
ประเทศไทย
Chinese
English
苏ICP备20011289号-1
苏公网安备32058502011222
网页地图
打印
推荐
Top
Copyright © 2025 norelem. 保留所有权利。
电话 +49 71 45/206-44 至 45 · 传真 +49 71 45/206-83