norelem 使用 Cookies 以优化设计和持续改进网页。您通过继续使用网页,同意使用 Cookies。在我们的
数据保护声明
中可以找到有关 Cookies 主题的详细信息。
同意
全球分布
创意
AGB
版权说明
数据保护
产品
企业信息
服务
下载
新闻
联系方式
产品概览
固定
灵活的标准件系统
装配
装配系统
运动
用于机床和设备制造的系统/组件
检查
量具检具组件
夹紧
夹紧技术
控制和调节
电动机构
输送
输送和移动技术
technoshop
norelem inch
英制产品目录
06390 inch
平头锁紧手柄,带内螺纹 - inch
返回
产品
产品概览
norelem inch
操作部件 - 英制
夹紧手柄和锁紧手柄 - 英制
平头锁紧手柄,带内螺纹 - inch
商品描述/产品说明
产品说明
材料:
钢制部件 强度5.8。
塑料手柄球,黑色。
规格:
黑色氧化处理。
提示:
英制产品目录中的X型以英寸为单位,所有其他类型以mm为单位。
根据要求:
其他内螺纹和特殊类型。
尺寸“H1”和“A”可按照需要提供其他长度,但需另行支付费用。
特点:
下载
此处为收集信息的 PDF:
查找 CAD 数据?请直接在产品列表中查找。
Datasheet 06390 inch 平头锁紧手柄,带内螺纹 - inch
164 kB
锁紧手柄,带内螺纹,0 度 - inch
更多信息
图纸
商品选择/筛选
订货号
类型
X
T
A
D
D1
D2
D3
H
H1
H2
H3
齿数
CAD
配件
价格
订购
06390-1A21
0°
1/4-20
18
102
13,5
33
25
10
19
2
12
23
26
根据要求
06390-1A31
0°
5/16-18
18
102
13,5
33
25
10
19
2
12
23
26
根据要求
06390-2A41
0°
3/8-16
21
131
19
41
30
12
22
2
13,5
26
30
根据要求
06390-2A51
0°
1/2-13
21
131
19
41
30
12
22
2
13,5
26
30
根据要求
06390-3A51
0°
1/2-13
27
148
23
45
37
14
28
2
17
33
36
根据要求
06390-3A61
0°
5/8-11
27
148
23
45
37
14
28
2
17
33
36
根据要求
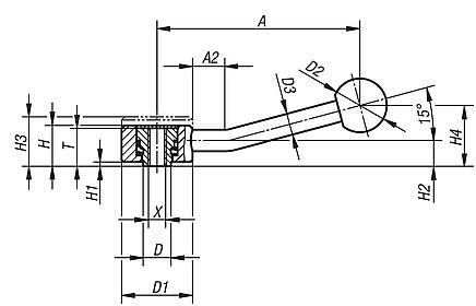
平头锁紧手柄,带内螺纹,15 度 - inch
更多信息
图纸
商品选择/筛选
订货号
类型
X
T
A
A2
D
D1
D2
D3
H
H1
H2
H3
H4
齿数
CAD
配件
价格
订购
06390-1A22
15°
1/4-20
18
100
15
13,5
33
25
10
19
2
12
23
29
26
根据要求
06390-1A32
15°
5/16-18
18
100
15
13,5
33
25
10
19
2
12
23
29
26
根据要求
06390-2A42
15°
3/8-16
21
127
15
19
41
30
12
22
2
13,5
26
38
30
根据要求
06390-2A52
15°
1/2-13
21
127
15
19
41
30
12
22
2
13,5
26
38
30
根据要求
06390-3A52
15°
1/2-13
27
145
15
23
45
37
14
28
2
17
33
48
36
根据要求
06390-3A62
15°
5/8-11
27
145
15
23
45
37
14
28
2
17
33
48
36
根据要求
本类目的其他商品
<<
|
<
|
1-10
|
11-20
|
21-30
|
31-40
|
41-50
|
51-60
|
61-64
|
>
|
>>
06370 inch
锁紧手柄,带内螺纹 - inch
06371 inch
不锈钢锁紧手柄,带内螺纹 - inch
06380 inch
锁紧手柄,带外螺纹 - inch
06381 inch
不锈钢锁紧手柄,带外螺纹 - inch
06400 inch
平头锁紧手柄,带外螺纹 - inch
06410 inch
带内螺纹的压铸锌锁紧手柄,黑色和银色,钢制螺纹嵌入件经氧化处理 - inch
06411 inch
带内螺纹的压铸锌锁紧手柄,黑色和银色,不锈钢螺纹嵌入件,英制 (inch)
06430 inch
带外螺纹的压铸锌锁紧手柄,黑色和银色,钢制螺纹嵌入件经氧化处理 - inch
06431 inch
带外螺纹的压铸锌锁紧手柄,黑色和银色,不锈钢螺纹嵌入件 - inch
06440 inch
带内螺纹的不锈钢锁紧手柄,电解抛光,不锈钢螺纹嵌入件 - inch
<<
|
<
|
1-10
|
11-20
|
21-30
|
31-40
|
41-50
|
51-60
|
61-64
|
>
|
>>
我的 norelem
E-Mail
密码
忘记密码
首次登陆
购物车
商品数量:
0
总数:
0.00
€
点击购物车
欢迎扫描二维码
咨询诺瑞朗官方客服微信
Algérie
Andorra
Argentina
Australia
België
Bolivia
Bosna i Hercegovina
Brasil
Canada
Česká republika
Chile
中国
Colombia
Costa Rica
Cuba
Danmark
Dem. Peop. Rep. of Korea
Deutschland
Ecuador
Eesti
España
Georgia
香港
Hrvatska
India
Ireland
Ísland
Italia
Jamaica
日本
Latvija
Liechtenstein
Lietuvos
Luxemburg
Magyarország
Malaysia
Malta
México
Nederland
New Zealand
Norge
Österreich
Pakistan
Paraguay
Perú
Polska
Portugal
Principauté de Monaco
台灣
Rep. di San Marino
대한민국
România
Schweiz
Singapore
Slovenija
Slovensko
South Africa
Suomi
Sverige
Türkiye
United Kingdom
United States of America
Uruguay
Venezuela
Việt Nam
Ελλάδα
Κύπρος
Беларусь
България
Република Србија
Россия
Србија и Црна Гора
Україна
ישראל
الامارات العربية المتحدة
السعودية
ايران
مصر
ประเทศไทย
Chinese
English
苏ICP备20011289号-1
苏公网安备32058502011222
网页地图
打印
推荐
Top
Copyright © 2025 norelem. 保留所有权利。
电话 +49 71 45/206-44 至 45 · 传真 +49 71 45/206-83