|
|
|
06253 inch带顶盖的塑料五星把手,钢制或不锈钢螺纹嵌入件 - inch |
返回 |
|
|
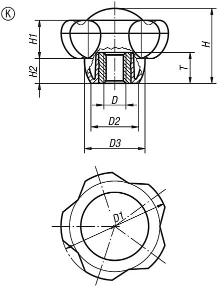
产品说明材料:热塑性塑料,黑灰色。
衬套或螺栓,钢制 5.8,或者不锈钢 1.4305。 规格:钢制、经蓝色钝化处理或亮色不锈钢。提示:英制产品目录中的D型以英寸为单位,所有其他类型以mm为单位。 下载此处为收集信息的 PDF:
查找 CAD 数据?请直接在产品列表中查找。
|
带顶盖的塑料五星把手,钢制或不锈钢螺纹嵌入件,带内螺纹 - inch |
更多信息 |
订货号 钢制 | 订货号 不锈钢 | D
| D1 | D2 | D3 | H | H1 | H2 | T | 筛选 |
|---|
| 06253-50A3Δ | 06253-50A31Δ | 5/16-18 | 50 | 22,2 | 28,2 | 34,8 | 17,8 | 11,5 | 14 |  | | 06253-50A4Δ | 06253-50A41Δ | 3/8-16 | 50 | 22,2 | 28,2 | 34,8 | 17,8 | 11,5 | 14 |  | | 06253-50A5Δ | 06253-50A51Δ | 1/2-13 | 50 | 22,2 | 28,2 | 34,8 | 17,8 | 11,5 | 18 |  | | 06253-63A4Δ | 06253-63A41Δ | 3/8-16 | 63 | 28 | 35,5 | 44 | 22,5 | 14,5 | 14 |  | | 06253-63A5Δ | 06253-63A51Δ | 1/2-13 | 63 | 28 | 35,5 | 44 | 22,5 | 14,5 | 18 |  | | 06253-63A6Δ | - | 5/8-11 | 63 | 28 | 35,5 | 44 | 22,5 | 14,5 | 18 |  |
|
带顶盖的塑料五星把手,钢制或不锈钢螺纹嵌入件,带外螺纹 - inch |
更多信息 |
订货号 钢制 | 订货号 不锈钢 | D
| D1 | D2 | D3 | H | H1 | H2 | L | 筛选 |
|---|
| 06253-50A4ΔX | 06253-50A41ΔX | 3/8-16 | 50 | 22,2 | 28,2 | 34,8 | 17,8 | 11,5 | 20/40 |  | | 06253-50A5ΔX | - | 1/2-13 | 50 | 22,2 | 28,2 | 34,8 | 17,8 | 11,5 | 30/60 |  | | 06253-63A4ΔX | 06253-63A41ΔX | 3/8-16 | 63 | 28 | 35,5 | 44 | 22,5 | 14,5 | 20/40 |  | | 06253-63A5ΔX | - | 1/2-13 | 63 | 28 | 35,5 | 44 | 22,5 | 14,5 | 30/60 |  |
|
|
|