|
|
|
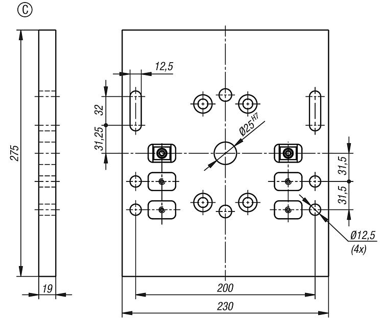
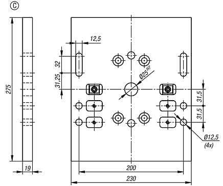
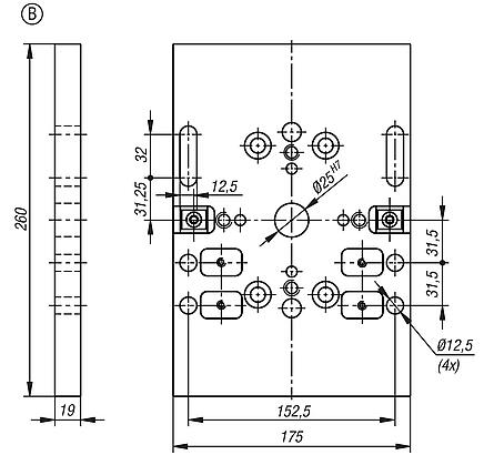
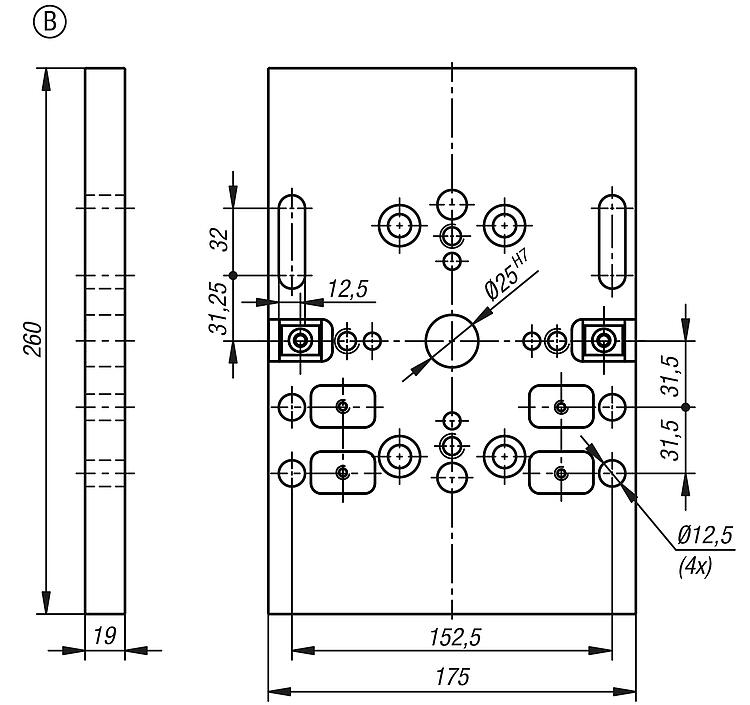
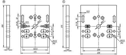
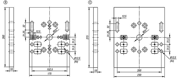
41104Baseplate for centric vice |
go back |
|
|
DescriptionMaterial:Steel.Version:Hardened and ground.Special features: DownloadHere is all the information as a PDF datasheet:
Are you looking for CAD data? These can be found directly in the product table.
|
Drawings (total overview) |
| Order No. | Form | Suitable for | weight kg | CAD | Acc. | Price | Order |
|---|
| 41104-12175200 | A | centric vice 65, 80, 125 | 4.03 |  | | on request | |
|
| Order No. | Form | Suitable for | weight kg | CAD | Acc. | Price | Order |
|---|
| 41104-00175260 | B | centric vice 65, 80 | 6.3 |  | | on request | |
|
| Order No. | Form | Suitable for | weight kg | CAD | Acc. | Price | Order |
|---|
| 41104-00230275 | C | centric vice 125 | 7.5 |  | | on request | |
|
Other items in this category |
|
|