norelem uses cookies to optimally design and continually improve the website. By continuing to use this website, you agree to the use of cookies. You can find more information about cookies in our Data protection declaration.okay
Jaw pads for centric vice 65-80-125 mm
41165

Jaw pads for centric vice 65-80-125 mm

go back

Item description/product images

DescriptionMaterial:Steel hardened.Version:Clamping faces ground.Note:Jaw plates are used for clamping various workpieces. Depending on the jaw plates, rough or pre-machined workpieces can be clamped.
The jaw plates are screwed onto the attachment base jaws.

Suitable for: 41101, 41102
Drawing reference:
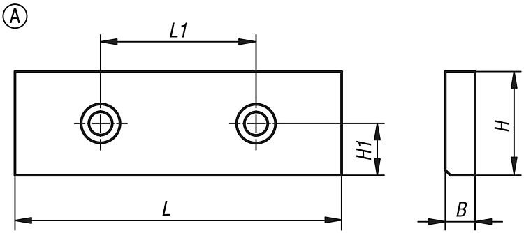
Form A: smooth
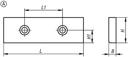
Form C: serrated
Special features:
RoHS
DownloadHere is all the information as a PDF datasheet:

Are you looking for CAD data? These can be found directly in the product table.
 Datasheet 41165 Jaw pads for centric vice 65-80-125 mm 166 kB

Drawings (total overview)

Jaw pads for centric vice 65-80-125 mm

Jaw pads for centric vice 65-80-125 mm, Form A, smooth

More information

Drawings

Jaw pads for centric vice 65-80-125 mm, Form A, smooth

Item selection/filter

Order No.FormBH

H1LL1CADAcc.PriceOrder
41165-0651A7,520106634 on request
41165-0801A7,52512,58138 on request
41165-1251A11,5402012660 on request

Jaw pads for centric vice 65-80-125 mm, Form C, cross-serrated

More information

Drawings

Jaw pads for centric vice 65-80-125 mm, Form C, cross-serrated

Item selection/filter

Order No.FormBH

H1LL1CADAcc.PriceOrder
41165-0653C7,520106634 on request
41165-0803C7,52512,58138 on request
41165-1253C11,5402012660 on request
My norelemE-mailPassword
Shopping cart
Number of items: 0
Amount: 0.00  
shopping cart
欢迎扫描二维码
咨询诺瑞朗官方客服微信
China
苏ICP备20011289号-1  苏公网安备32058502011222 Sitemap Print Recommended Top
Copyright © 2025 norelem. All rights reserved. Tel. +49 71 45/206-44 to 45 · Fax +49 71 45/206-83