norelem uses cookies to optimally design and continually improve the website. By continuing to use this website, you agree to the use of cookies. You can find more information about cookies in our Data protection declaration.okay
Angle plates with or without T-slots cast iron
01250

Angle plates with or without T-slots cast iron

go back

Item description/product images

Show/filter all items
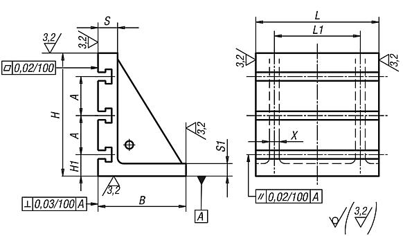
DescriptionMaterial:GJL 250 annealed.On request:Other slot widths.Drawing reference:
machined faces: +0.2 mm/ +0.5 mm
unmachined faces: ±2 mm
Special features:
RoHS
DownloadHere is all the information as a PDF datasheet:

Are you looking for CAD data? These can be found directly in the product table.
 Datasheet 01250 Angle plates with or without T-slots cast iron 193 kB
 Technical information for positioning basic elements on machine tables 1,5 MB

Drawings (total overview)

Angle plates with or without T-slots cast iron

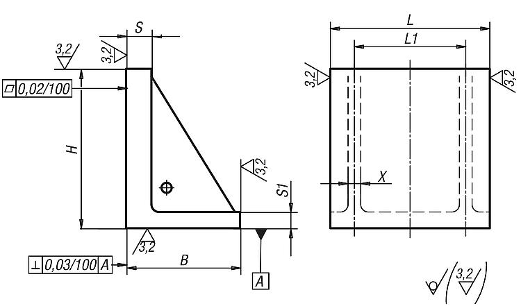
Angle plates without T-slots, grey cast iron

More information

Drawings

Angle plates without T-slots, grey cast iron

Item selection/filter

Order No.Version 1LL1BHSS1XCADAcc.PriceOrder
01250-100125without slot10040100125201010 on request
01250-125160without slot125100100160201010 on request
01250-200250without slot200120125250301515 on request
01250-250300without slot250200150300402020 on request
01250-320370without slot320280200370502525 on request
01250-400450without slot400280265450603030 on request
01250-500550without slot500360315550703535 on request
01250-630640without slot630520350640804035 on request
01250-700750without slot700600400750804040 on request

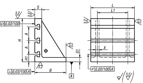
Angle plates with T-slots, grey cast iron

More information

Drawings

Angle plates with T-slots, grey cast iron

Item selection/filter

Order No.Version 1LL1BHH1SS1AXT-slotCADAcc.PriceOrder
01250-3203701with T-slot320280200370655025802514 on request
01250-4004501with T-slot4002802654507560301003018 on request
01250-5005501with T-slot5003603155507570351003518 on request
01250-6306401with T-slot6305203506408080401603522 on request
01250-7007501with T-slot70060040075013580401604022 on request
My norelemE-mailPassword
Shopping cart
Number of items: 0
Amount: 0.00  
shopping cart
欢迎扫描二维码
咨询诺瑞朗官方客服微信
China
苏ICP备20011289号-1  苏公网安备32058502011222 Sitemap Print Recommended Top
Copyright © 2025 norelem. All rights reserved. Tel. +49 71 45/206-44 to 45 · Fax +49 71 45/206-83