norelem uses cookies to optimally design and continually improve the website. By continuing to use this website, you agree to the use of cookies. You can find more information about cookies in our Data protection declaration.okay

Item description/product images

Show/filter all items
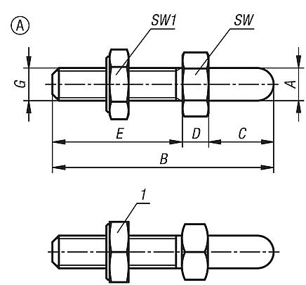
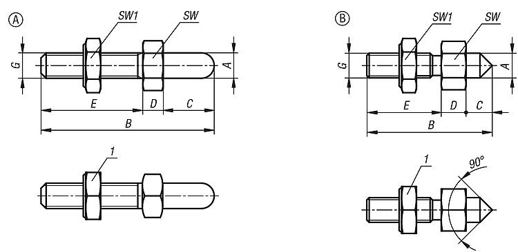
DescriptionMaterial:Stainless steelVersion:Bright.Note:Form A:
The rounded tip enables the jack screws to be used as a positioning element for workpieces with holes or similar.

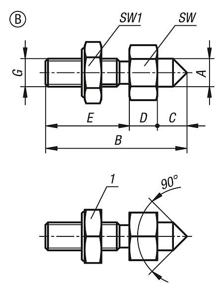
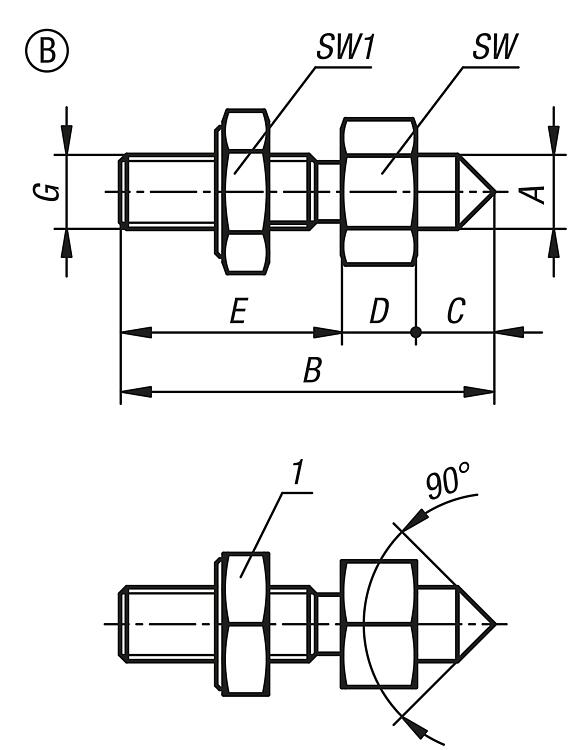
Form B:
The pointed tip enables the jack screws to be used for centring workpieces.
Accessory:Baseplate 01042.
Base rails 34000-15.
Extension pieces 02035-01.
Mounting plate 33263.
Drawing reference:
1) locknut

Form A: rounded
Form B: pointed
Special features:
Stainless steel
DownloadHere is all the information as a PDF datasheet:

Are you looking for CAD data? These can be found directly in the product table.
 Datasheet 02037-01 Jack screws stainless steel 258 kB

Drawings (total overview)

Jack screws stainless steel

More information

Drawings

Item selection/filter

Order No.FormMount surface /
support surface
ABCD

EGSWSW1CADAcc.PriceOrder
02037-01-10040015Around106315840M101719 on request

More information

Drawings

Item selection/filter

Order No.FormMount surface /
support surface
ABCD

EGSWSW1CADAcc.PriceOrder
02037-01-10030010Bpointed1050,610,61030M101719 on request
My norelemE-mailPassword
Shopping cart
Number of items: 0
Amount: 0.00  
shopping cart
欢迎扫描二维码
咨询诺瑞朗官方客服微信
China
苏ICP备20011289号-1  苏公网安备32058502011222 Sitemap Print Recommended Top
Copyright © 2025 norelem. All rights reserved. Tel. +49 71 45/206-44 to 45 · Fax +49 71 45/206-83