norelem uses cookies to optimally design and continually improve the website. By continuing to use this website, you agree to the use of cookies. You can find more information about cookies in our Data protection declaration.okay
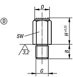
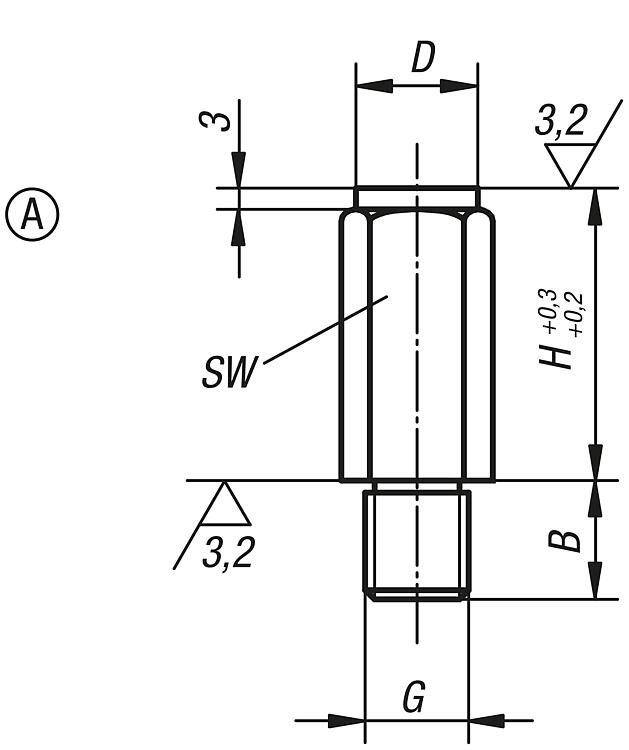
Positioning feet, steel with hexagon, external thread
02041

Positioning feet, steel with hexagon, external thread

go back

Item description/product images

Show/filter all items
DescriptionMaterial:Body high carbon steel.Version:Body tempered and black oxidised.
Contact faces case-hardened.
Note:These positioning feet are used as supports for rough and machined parts. They can also be used as stops and thrust pads in fixtures and toolmaking.Drawing reference:
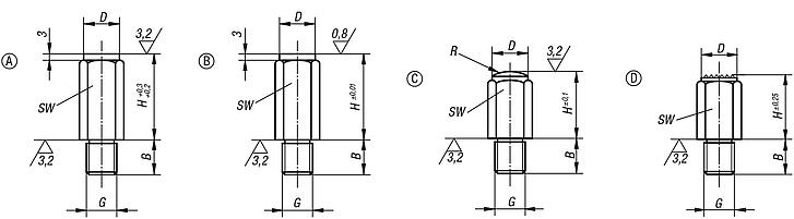
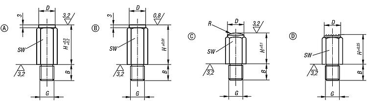
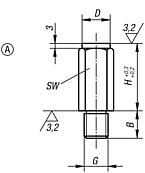
Form A: Flat face hardened
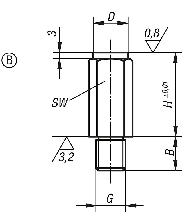
Form B: Flat face hardened and ground
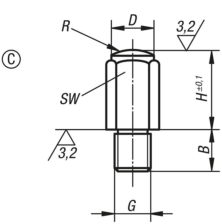
Form C: Spherical face hardened
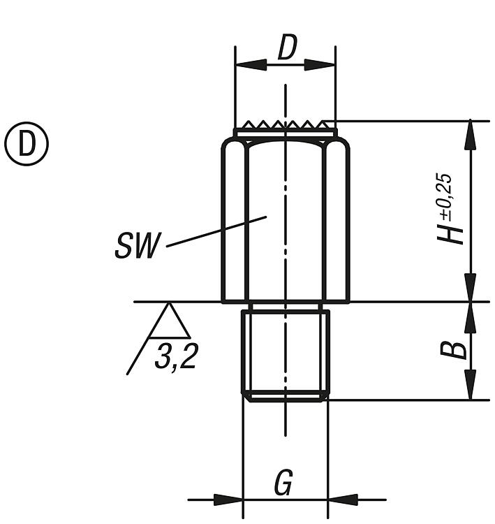
Form D: Serrated face tempered
Special features:
RoHS
DownloadHere is all the information as a PDF datasheet:

Are you looking for CAD data? These can be found directly in the product table.
 Datasheet 02041 Positioning feet 192 kB

Drawings (total overview)

Positioning feet, steel with hexagon, external thread

Positioning feet, steel with hexagon, hardened flat face, Form A

More information

Drawings

Positioning feet, steel with hexagon, hardened flat face, Form A

Item selection/filter

Order No.FormBDGHSWCADAcc.PriceOrder
02041-106010A1110M61010 on request
02041-106020A1110M62010 on request
02041-108010A1313M81013 on request
02041-108015A1313M81513 on request
02041-108030A1313M83013 on request
02041-110010A1617M101017 on request
02041-110020A1617M102017 on request
02041-110040A1617M104017 on request
02041-112010A2019M121019 on request
02041-112025A2019M122519 on request
02041-112050A2019M125019 on request
02041-116015A2427M161527 on request
02041-116030A2427M163027 on request
02041-116060A2427M166027 on request
02041-120040A2932M204032 on request
02041-120080A2932M208032 on request

Positioning feet, steel with hexagon, ground and hardened flat face, Form B

More information

Drawings

Positioning feet, steel with hexagon, ground and hardened flat face, Form B

Item selection/filter

Order No.FormBDGHSWCADAcc.PriceOrder
02041-206010B1110M61010 on request
02041-206020B1110M62010 on request
02041-208010B1313M81013 on request
02041-208015B1313M81513 on request
02041-208030B1313M83013 on request
02041-210010B1617M101017 on request
02041-210020B1617M102017 on request
02041-210040B1617M104017 on request
02041-212010B2019M121019 on request
02041-212025B2019M122519 on request
02041-212050B2019M125019 on request
02041-216015B2427M161527 on request
02041-216030B2427M163027 on request
02041-216060B2427M166027 on request
02041-220040B2932M204032 on request
02041-220080B2932M208032 on request

Positioning feet, steel with hexagon, hardened spherical face, Form C

More information

Drawings

Positioning feet, steel with hexagon, hardened spherical face, Form C

Item selection/filter

Order No.

FormBDGHRSWCADAcc.PriceOrder
02041-306010C1110M6101510 on request
02041-306020C1110M6201510 on request
02041-308010C1313M8102013 on request
02041-308015C1313M8152013 on request
02041-308030C1313M8302013 on request
02041-310010C1617M10103017 on request
02041-310020C1617M10203017 on request
02041-310040C1617M10403017 on request
02041-312010C2019M12104019 on request
02041-312025C2019M12253519 on request
02041-312050C2019M12503519 on request
02041-316015C2427M16155027 on request
02041-316030C2427M16305027 on request
02041-316060C2427M16605027 on request
02041-320040C2932M20406032 on request
02041-320080C2932M20806032 on request

Positioning feet, steel with hexagon, serrated tempered face, Form D

More information

Drawings

Positioning feet, steel with hexagon, serrated tempered face, Form D

Item selection/filter

Order No.FormBDGHSWCADAcc.PriceOrder
02041-406010D1110M61010 on request
02041-406020D1110M62010 on request
02041-408015D1313M81513 on request
02041-408030D1313M83013 on request
02041-410020D1617M102017 on request
02041-410040D1617M104017 on request
02041-412025D2019M122519 on request
02041-412050D2019M125019 on request
02041-416030D2427M163027 on request
02041-416060D2427M166027 on request
02041-420040D2932M204032 on request
02041-420080D2932M208032 on request
My norelemE-mailPassword
Shopping cart
Number of items: 0
Amount: 0.00  
shopping cart
欢迎扫描二维码
咨询诺瑞朗官方客服微信
China
苏ICP备20011289号-1  苏公网安备32058502011222 Sitemap Print Recommended Top
Copyright © 2025 norelem. All rights reserved. Tel. +49 71 45/206-44 to 45 · Fax +49 71 45/206-83