|
|
|
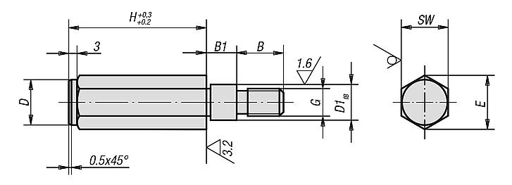
02050Fixture feet with external thread |
go back |
|
Item description/product images |
|
|
DescriptionMaterial:Carbon steel 1.1181.Version:Black oxidised.Special features: DownloadHere is all the information as a PDF datasheet:
Are you looking for CAD data? These can be found directly in the product table.
|
| Order No. | B | B1 | D | D1 | G | H | E | SW | Filter |
|---|
| 02050-10X | 17 | 11 | 16,5 | 11 | M10 | 50/75/100 | 19,5 | 17 |  | | 02050-12X | 17 | 18 | 18,5 | 13 | M12 | 50/75/100/125 | 21,5 | 19 |  |
Other items in this category |
|
|