norelem uses cookies to optimally design and continually improve the website. By continuing to use this website, you agree to the use of cookies. You can find more information about cookies in our Data protection declaration.okay
Screw rest inserts spherical, centring disc, prism, locating pin, revolving ball
02210

Screw rest inserts spherical, centring disc, prism, locating...

go back

Item description/product images

DescriptionMaterial:Carbon steel.Version:Tempered and black oxidised.
Ball hardened.
Note:Can be used with
02170
02180
02182
02190
02320
02330-020
02350-010
Drawing reference:
1) spherical
2) centring disc
3) prism
4) locating pin
5) revolving ball
Special features:
RoHS
DownloadHere is all the information as a PDF datasheet:

Are you looking for CAD data? These can be found directly in the product table.
 Datasheet 02210 Screw rest inserts spherical, centring disc, prism, locating pin, revolving ball 153 kB

Drawings (total overview)

Screw rest inserts spherical, centring disc, prism, locating pin, revolving ball

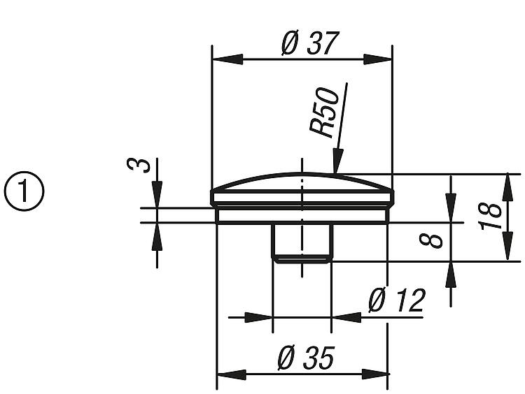
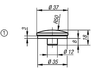
Spherical

More information

Drawings

Spherical

Item selection/filter

Order No.

ItemCADAcc.PriceOrder
02210-01Ball end on request

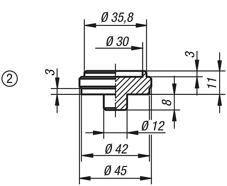
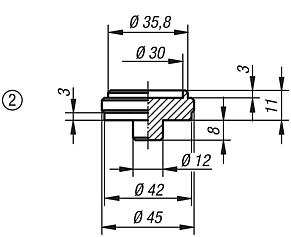
Centring disc

More information

Drawings

Centring disc

Item selection/filter

Order No.

ItemCADAcc.PriceOrder
02210-03Centring plate on request

Prism

More information

Drawings

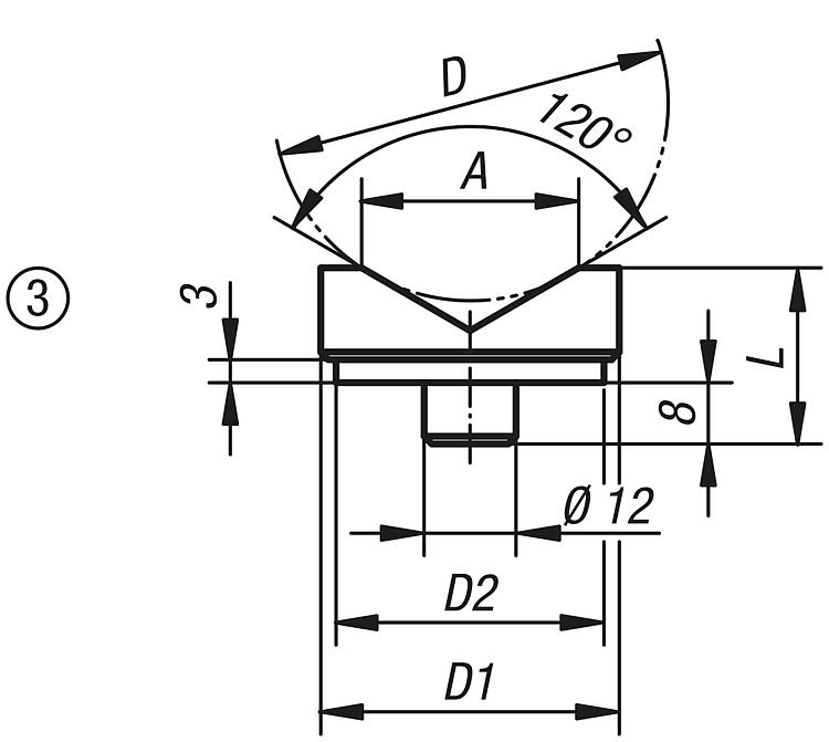
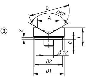
Prism

Item selection/filter

Order No.ItemD

D
min.
D1D2LACADAcc.PriceOrder
02210-02Prism insert501045422332 on request
02210-021Prism insert1002265623856 on request

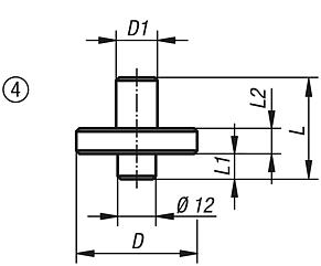
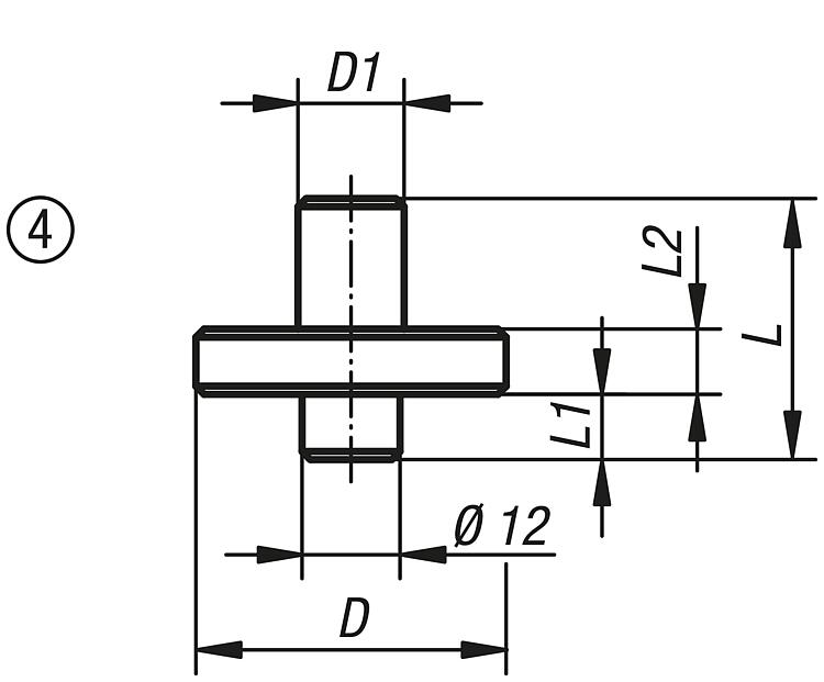
Locating pin

More information

Drawings

Locating pin

Item selection/filter

Order No.ItemD

D1LL1L2CADAcc.PriceOrder
02210-04Locating Insert631435812 on request
02210-041Locating Insert782553815 on request

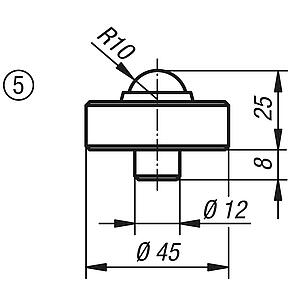
Revolving ball

More information

Drawings

Revolving ball

Item selection/filter

Order No.ItemVersion 1F
max. kN
CADAcc.PriceOrder
02210-05Attachmentwith revolving ball30 on request
My norelemE-mailPassword
Shopping cart
Number of items: 0
Amount: 0.00  
shopping cart
欢迎扫描二维码
咨询诺瑞朗官方客服微信
China
苏ICP备20011289号-1  苏公网安备32058502011222 Sitemap Print Recommended Top
Copyright © 2025 norelem. All rights reserved. Tel. +49 71 45/206-44 to 45 · Fax +49 71 45/206-83