norelem uses cookies to optimally design and continually improve the website. By continuing to use this website, you agree to the use of cookies. You can find more information about cookies in our Data protection declaration.okay

Item description/product images

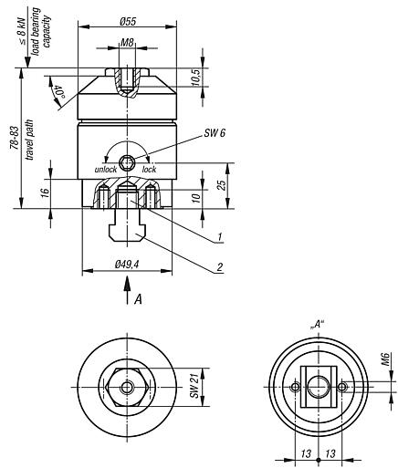
DescriptionMaterial:Main body hardened steel.
Housing aluminium.
Version:Main body nitrated, manganese phosphated and ground.
Housing red anodised.
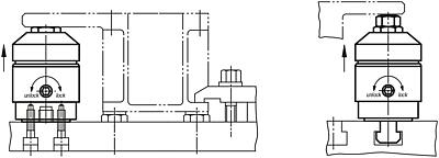
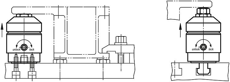
Note:The support element is for supporting overhanging workpiece parts. It prevents vibration and bending during machining.Type of operation:1. Turn the cam screw (hex. socket SW 6) on the side of the housing, the support bolt will move out under light spring load until it makes contact with the workpiece.
2. Continue to turn to "lock" position. The support bolt locks without changing position.
3. Turn the cam screw in the opposite direction and the support bolt will unlock. Continue turning to the "unlock" position and the support bolt will slide back into the body.
Assembly:Mount the support element to the fixture using the two M6 tapped holes.
Alternatively: Exchange the M12x10 plug screw for a M12x30 grub screw and mount the support directly onto the machine table with a T-nut.
For safe operation the M12 tapped hole must always be filled.
It is possible to countersink the support element by 16 mm.
Various rest pads can be mounted into the M8 tapped hole on the support bolt.
Supplied with M12x30 grub screw and M12 nut for T-slots (DIN 508).
Drawing reference:
1) grub screw M12x30 DIN 913 (exchangeable)
2) nut for T-slots M12x14 DIN 508
Special features:
RoHS
DownloadHere is all the information as a PDF datasheet:

Are you looking for CAD data? These can be found directly in the product table.
 Datasheet 02340 Support element 193 kB

Drawings

Support element

Item selection/filter

Order No.Load
capacity
N
Travel pathCADAcc.PriceOrder
02340-050880005 mm on request
My norelemE-mailPassword
Shopping cart
Number of items: 0
Amount: 0.00  
shopping cart
欢迎扫描二维码
咨询诺瑞朗官方客服微信
China
苏ICP备20011289号-1  苏公网安备32058502011222 Sitemap Print Recommended Top
Copyright © 2025 norelem. All rights reserved. Tel. +49 71 45/206-44 to 45 · Fax +49 71 45/206-83