norelem uses cookies to optimally design and continually improve the website. By continuing to use this website, you agree to the use of cookies. You can find more information about cookies in our Data protection declaration.okay

Item description/product images

Show/filter all items
DescriptionMaterial:Body 1.2842.
Ball and hex segments 1.4112.
Tension spring 1.4310.
Version:Body hardened and black oxidised.
Ball and hex segments hardened and ground.
Technical data:Repetitive accuracy ±0.025
Concentric accuracy ±0.05
Application:For centre positioning and clamping in blind holes. Operated from below, manual or automatic using pneumatics or hydraulics.Advantages:- Precise self-centring.
- Distortion free clamping.
- Large spread range.
- Low overall height.
- Positive down force.
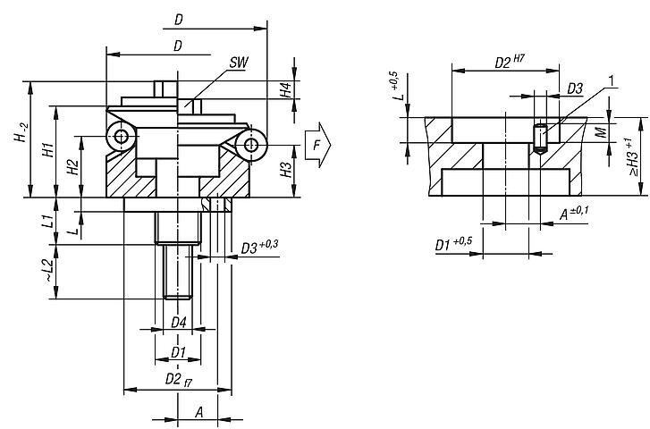
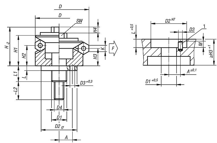
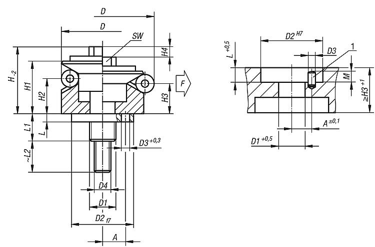
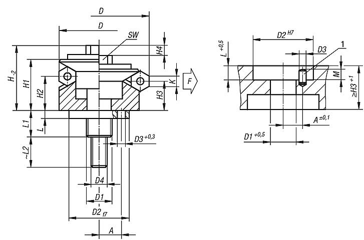
Drawing reference:
Form A:
With balls for holes where light marking is acceptable.
Form B:
With hexagons for sensitive hole surfaces.

1) Mounting aid:
pin to accurately position the mandrel segments.
DownloadHere is all the information as a PDF datasheet:

Are you looking for CAD data? These can be found directly in the product table.
 Datasheet 03158 Centring clamps with ball or hexagon segments 266 kB

Drawings (total overview)

Centring clamps with ball or hexagon segments

Centring clamp with ball segments, Form A

More information

Drawings

Centring clamp with ball segments, Form A

Item selection/filter

Order No.FormA

D
min.
D
max.
D1D2D3D4HH1H2H3H4LL1L2MSWBall ØNo. of
balls
Clamping
force
max. kN
Tightening
torque
max. Nm
CADAcc.PriceOrder
03158-0101203A3,511,714,2M5101,5M312,8104,231,43,5111025,52,530,52 on request
03158-0101503A4,514,518,5M6122M317,314,59,88,62,35,514,1122,55,5433,52 on request
03158-0101904A5,518,522,5M8152,5M420,916,511,610,42,37,518,2143,574345 on request
03158-0102305A722,526,5M10203M525,419,814,2132,3617,4153,58434,510 on request
03158-0102705A726,530,5M10203M525,419,814,2132,3617,4153,58434,510 on request
03158-0103106A930,538,5M12254M630,323,114,211,94,6721,9203,510834,517 on request
03158-0103906A1138,546,5M12304M634,227,217,815,54,67,522,5204,510866,517 on request
03158-0104706A1146,554,5M12304M634,227,21815,74,67,522,5206,510866,517 on request
03158-0105508A1554,570,5M14x1,5455M849,940,623,719,19,3924,5326,513166843 on request
03158-0107108A1770,586,5M16x1,5605M855,446,128,323,79,31029,4206,5131661043 on request

Centring clamp with hexagonal segments, Form B

More information

Drawings

Centring clamp with hexagonal segments, Form B

Item selection/filter

Order No.FormA

D
min.
D
max.
D1D2D3D4HH1H2H3H4LL1L2MKSWNo. of
hex
Clamping
force
max. kN
Tightening
torque
max. Nm
CADAcc.PriceOrder
03158-0201503B4,514,518,5M6122M317,314,59,88,61,45,514,1122,545,533,52 on request
03158-0201904B5,518,522,5M8152,5M420,916,511,610,42,37,518,2143,547345 on request
03158-0202305B722,526,5M10203M525,419,814,2132,3617,4153,54834,510 on request
03158-0202705B726,530,5M10203M525,419,814,2132,3617,4153,54834,510 on request
03158-0203106B930,538,5M12254M630,323,114,211,94,6721,9203,581064,517 on request
03158-0203906B1138,546,5M12304M634,227,217,815,54,67,522,5204,581066,517 on request
03158-0204706B1146,554,5M12304M634,227,21815,74,67,522,5206,581066,517 on request
03158-0205508B1554,570,5M14455M849,940,623,719,19,3924,5326,516136843 on request
03158-0207108B1770,586,5M16605M855,446,128,323,79,31029,4206,5161361043 on request
03158-0208708B2586,5102,5M16605M1061,65130,225,79,31029,4256,51616612,579 on request
My norelemE-mailPassword
Shopping cart
Number of items: 0
Amount: 0.00  
shopping cart
欢迎扫描二维码
咨询诺瑞朗官方客服微信
China
苏ICP备20011289号-1  苏公网安备32058502011222 Sitemap Print Recommended Top
Copyright © 2025 norelem. All rights reserved. Tel. +49 71 45/206-44 to 45 · Fax +49 71 45/206-83