|
Item description/product images |
|
|
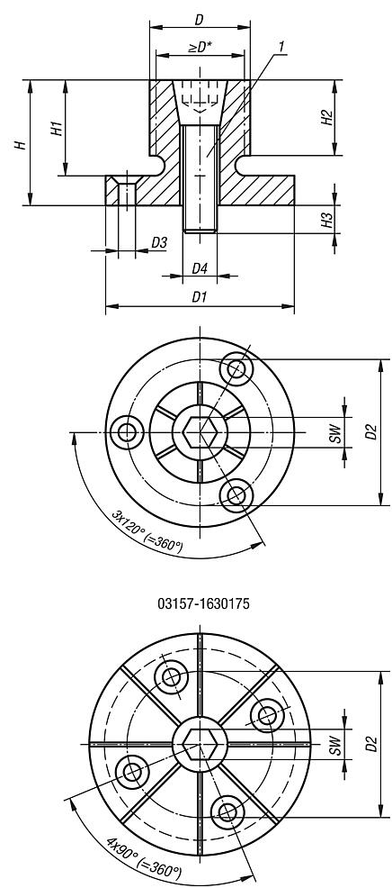
DescriptionMaterial:Mandrel mild steel. Taper-head screw low-carbon steelVersion:Mandrel black oxidised. Taper-head screw case-hardened. Note:The mandrel collet is particularly suitable for finishing turned parts. By turning or milling, diameter D can be adapted to the diameter of the clamped workpiece. Low design - no interfering clamp straps. Tightened using a hex socket wrench or hydraulics.
* D min. = smallest diameter to which "D" may be turned or milled. D max. – maximum diameter when unmachined S – maximum clamping pin travel when actuated, S = 0,1 mm Assembly:Expand the mandrel approx. 0.1 mm over the relaxed diameter. Turn or mill the mandrel to suit the internal diameter of the workpiece. The base flange can be centred in a pocket or using dowel pins.Drawing reference: DownloadHere is all the information as a PDF datasheet:
Are you looking for CAD data? These can be found directly in the product table.
|
| Order No. | D | D min. | D1 | D2 | D3 for screw ISO 10642 | D4 Tapered- head bolt | H | H1 | H2 | H3 | SW Tapered- head bolt | Tightening torque max. Nm | Clamping force max. kN | Accessories NLM | CAD | Acc. | Price | Order |
|---|
| 03157-020407 | 7,4 | 4,1 | 20 h9 | 13,7 | M2 | M2 | 10,7 | 7,6 | 6,1 | 4,1 | 1,5 | 0,7 | 1,1 | 03157-01-0212 |  | | on request | | | 03157-040812 | 12,4 | 8 | 29,72 h9 | 21 | M3 | M4 | 21,8 | 16 | 15 | 8 | 3 | 5 | 4,2 | 03157-01-0425 |  | | on request | | | 03157-061214 | 14,2 | 12,2 | 31,5 h9 | 23,1 | M3 | M6 | 24,9 | 19 | 15 | 12 | 5 | 17 | 8,5 | 03157-01-0630 |  | | on request | | | 03157-081420 | 20 | 13,5 | 37,5 h9 | 29 | M3 | M8 | 24,9 | 19 | 15 | 14 | 6 | 34 | 11,1 | 03157-01-0830 |  | | on request | | | 03157-062027 | 27 | 18 | 50 h9 | 39,4 | M4 | M10 | 28,6 | 22,2 | 17,5 | 17 | 8 | 60 | 20 | 03157-01-1035 |  | | on request | | | 03157-102535 | 35,3 | 23 | 56 h9 | 45,5 | M4 | M12 | 31,8 | 25,4 | 20,6 | 21 | 10 | 150 | 26,3 | 03157-01-1240 |  | | on request | | | 03157-123442 | 42 | 29,3 | 69,5 h8 | 55,9 | M5 | M16 | 39,6 | 31,8 | 27 | 22 | 14 | 280 | 44,5 | 03157-01-1645 |  | | on request | | | 03157-123452 | 51,5 | 29,3 | 75,5 h9 | 63,9 | M5 | M16 | 39,6 | 31,8 | 27 | 22 | 14 | 280 | 44,5 | 03157-01-1645 |  | | on request | | | 03157-163077 | 77,7 | 29,3 | 107,5 h9 | 92,5 | M6 | M16 | 45,5 | 37,6 | 32,3 | 20 | 14 | 280 | 44,5 | 03157-01-1645 |  | | on request | | | 03157-1630103 | 103 | 29,3 | 132,9 h9 | 118 | M6 | M16 | 45,5 | 37,6 | 32,3 | 20 | 14 | 280 | 44,5 | 03157-01-1645 |  | | on request | | | 03157-1630175 | 175 | 29,3 | 132,9 h9 | 118 | M6 | M16 | 45,5 | 37,6 | 32,3 | 20 | 14 | 280 | 44,5 | 03157-01-1645 |  | | on request | |
Other items in this category |
|
|