|
|
|
03192-15Push button latches, stainless steel |
go back |
|
Item description/product images |
|
|
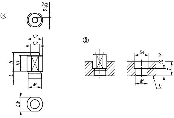
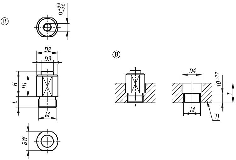
DescriptionProduct description:Push button latches are used for replacing and locking fixtures or hatches quickly and easily. Toolless clamping shortens setup times.Material:Housing and push button stainless steel.Version:Housing and push button bright.Note:Form A for plate thickness 3 to 10 mm. Form B for plate thickness 3 to 27 mm.
A gap of more than 0.1 mm appears between the plates if the retaining force is exceeded.Type of operation:Press the latch over the clamping pin without pressing the knob. The latch is now locked. To release, press the button and pull the latch off.Application:Mounting option A in combination with spacer rings, for plate thickness 3 to 10 mm. Mounting option B for plate thickness 10 to 27 mm.Attention:The specified pull-out forces apply only in combination with clamping pin 03192-25.Accessory:Spacer rings 03192-20. Clamping pins 03192-25.Drawing reference:Special features: DownloadHere is all the information as a PDF datasheet:
Are you looking for CAD data? These can be found directly in the product table.
|
Drawings (total overview) |
| Order No. | Form | Version 1 | D | D1 | D2 | D3 | H | H1 | H2 | L | M | SW | T | Holding force N | Clamping force N | Shearing force kN | Pullout force F kN | Temperature resistance | CAD | Acc. | Price | Order |
|---|
| 03192-15-11 | A | with head | 6 | 19 | 32 | 11 | 23 | 15,5 | 8,5 | 9,5 | M16X1 | 17 | 3 | 100 | 6 | 1,1 | 0,25 | ≤180 °C |  | | on request | |
|
| Order No. | Form | Version 1 | D | D2 | D3 | D4 | H | H1 | L | M | SW | T | Holding force N | Clamping force N | Shearing force kN | Pullout force F kN | Temperature resistance | CAD | Acc. | Price | Order |
|---|
| 03192-15-12 | B | without head | 6 | 19 | 11 | 20 | 23 | 19,5 | 9,5 | M16X1 | 17 | 10-27 | 100 | 6 | 1,1 | 0,25 | ≤180 °C |  | | on request | |
|
Other items in this category |
|
|