norelem uses cookies to optimally design and continually improve the website. By continuing to use this website, you agree to the use of cookies. You can find more information about cookies in our Data protection declaration.okay

Item description/product images

Show/filter all items
DescriptionProduct description:Locating bushes form a locating point for ball lock pins or locking pins and enable these to be securely and precisely engaged herein.

The locating bushes for status sensor have a locknut for installing a Ø3 mm sensor into the bush. The sensor enables electronic feedback as to whether a pin is located in the locating bush or not.
When using several bushes, it can be determined in which one a ball lock pin or locking pin is located.
Material:

Locating bush stainless steel 1.4305.
Locknut brass.

Version:Locating bush bright.
Locknut nickel-plated.
Note:The locknut is supplied loose.
Max. tightening torque for the locknut: 1.2 Nm.
Application:Locating bushes in conjunction with a status sensor enable actuation-dependent process control. In addition, it can be determined whether a ball lock pin or locking pin is in the desired position.Assembly:The sensor is fastened into the bush using the locknut and then adjusted axially. The locknut is tightened to fixate the sensor in the final position.

The detailed procedure is described in the installation instructions.
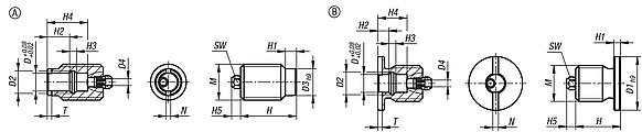
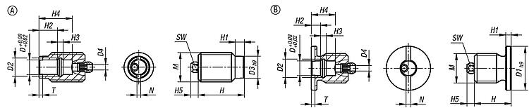
Drawing reference:
Form A: full thread
Form B: with thread and collar
Special features:
RoHS
DownloadHere is all the information as a PDF datasheet:

Are you looking for CAD data? These can be found directly in the product table.
 Datasheet 03197-16 Locating bushes, stainless steel for status sensor 598 kB

Drawings (total overview)

Locating bushes, stainless steel for status sensor

Locating bushes, stainless steel for status sensor, Form A, full thread

More information

Drawings

Locating bushes, stainless steel for status sensor, Form A, full thread

Item selection/filter

Order No.FormForm definitionD

D2D3D4HH1H2H3H4H5MNTSWCADAcc.PriceOrder
03197-16-1105120AFull thread5693254101,516,24M121,51,55 on request
03197-16-1106160AFull thread67,512325510217,14M16225 on request
03197-16-1108160AFull thread810123255103,118,14M16225 on request
03197-16-1110240AFull thread10131833068417,24M242,535 on request
03197-16-1112240AFull thread121518330684,818,24M242,535 on request
03197-16-1116300AFull thread162024335811624,24M302,535 on request

Locating bushes, stainless steel for status sensor, Form B, with thread and collar

More information

Drawings

Locating bushes, stainless steel for status sensor, Form B, with thread and collar

Item selection/filter

Order No.FormForm definitionD

D1D2D4HH1H2H3H4H5MNTSWCADAcc.PriceOrder
03197-16-1205120Bwith thread and collar5206320351,511,24M12225 on request
03197-16-1206160Bwith thread and collar6247,532035212,14M162,525 on request
03197-16-1208160Bwith thread and collar82410320353,113,14M162,525 on request
03197-16-1210240Bwith thread and collar103413325510419,24M242,535 on request
03197-16-1212240Bwith thread and collar1234153255104,820,24M242,535 on request
03197-16-1216300Bwith thread and collar164020330510623,24M302,535 on request
My norelemE-mailPassword
Shopping cart
Number of items: 0
Amount: 0.00  
shopping cart
欢迎扫描二维码
咨询诺瑞朗官方客服微信
China
苏ICP备20011289号-1  苏公网安备32058502011222 Sitemap Print Recommended Top
Copyright © 2025 norelem. All rights reserved. Tel. +49 71 45/206-44 to 45 · Fax +49 71 45/206-83