norelem uses cookies to optimally design and continually improve the website. By continuing to use this website, you agree to the use of cookies. You can find more information about cookies in our Data protection declaration.okay

Item description/product images

Show/filter all items
DescriptionMaterial:

Grip and push button 1.4305 stainless steel.
Pin 1.4305 stainless steel.
Balls 1.4125 stainless steel.
Spring and hanger 1.4310 stainless steel wire.

Version:Bright.Note:Ball lock pins are used for easy fastening or joining of components.
The two balls are disengaged by pressing the push button and the pin can be slipped into holes in the workpieces. When the push button is released, the balls lock the connection securely.

Shear force double shear (F) = S · τ aB max.

The values given for the shear force are the theoretical breaking load.
These are non-binding reference values without consideration of safety factors and exclude any liability. The values given are for information purposes only and do not constitute a legally binding assurance of properties.

The load values have been calculated in accordance with DIN 50141. Each user must determine individually whether the ball lock pin is suitable for the respective application.

Different materials in which the ball lock pins are used, weather conditions and wear can influence the determined values.
Accessory:Locating bushes for ball lock pins 03197
Safety spiral cable 03199
Retaining cable with loop 03199
Key ring 03199
Special features:
Stainless steelRoHS
DownloadHere is all the information as a PDF datasheet:

Are you looking for CAD data? These can be found directly in the product table.
 Datasheet 03415 Ball lock pins stainless steel 183 kB

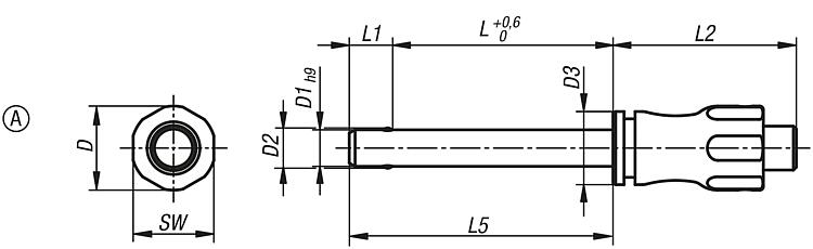
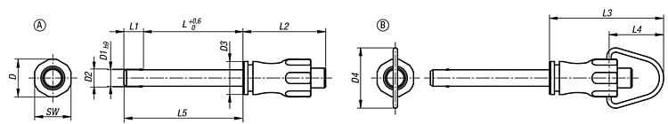
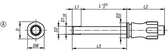
Drawings (total overview)

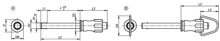
Ball lock pins stainless steel

Ball lock pins, stainless steel, Form A

More information

Drawings

Ball lock pins, stainless steel, Form A

Item selection/filter

Order No.Form

DD1D2D3LL1L2L5SWReceiving
hole
H11
Shearing force
double shear
max.kN
CADAcc.PriceOrder
03415-001205010A11,555,510105,92515,911515  on request
03415-001205015A11,555,510155,92520,911515  on request
03415-001205020A11,555,510205,92525,911515  on request
03415-001205025A11,555,510255,92530,911515  on request
03415-001205030A11,555,510305,92535,911515  on request
03415-001206010A11,566,8510106,82516,811622  on request
03415-001206015A11,566,8510156,82521,811622  on request
03415-001206020A11,566,8510206,82526,811622  on request
03415-001206025A11,566,8510256,82531,811622  on request
03415-001206030A11,566,8510306,82536,811622  on request
03415-001206035A11,566,8510356,82541,811622  on request
03415-001206040A11,566,8510406,82546,811622  on request
03415-001206045A11,566,8510456,82551,811622  on request
03415-001206050A11,566,8510506,82556,811622  on request
03415-001508020A15,589,513,5207,83327,815838  on request
03415-001508025A15,589,513,5257,83332,815838  on request
03415-001508030A15,589,513,5307,83337,815838  on request
03415-001508035A15,589,513,5357,83342,815838  on request
03415-001508040A15,589,513,5407,83347,815838  on request
03415-001508045A15,589,513,5457,83352,815838  on request
03415-001508050A15,589,513,5507,83357,815838  on request
03415-001510020A15,5101213,5208,93328,9151060  on request
03415-001510025A15,5101213,5258,93333,9151060  on request
03415-001510030A15,5101213,5308,93338,9151060  on request
03415-001510035A15,5101213,5358,93343,9151060  on request
03415-001510040A15,5101213,5408,93348,9151060  on request
03415-001510045A15,5101213,5458,93353,9151060  on request
03415-001510050A15,5101213,5508,93358,9151060  on request
03415-001510060A15,5101213,5608,93368,9151060  on request
03415-002112025A221214,520259,939,534,9211286  on request
03415-002112030A221214,520309,939,539,9211286  on request
03415-002112035A221214,520359,939,544,9211286  on request
03415-002112040A221214,520409,939,549,9211286  on request
03415-002112045A221214,520459,939,554,9211286  on request
03415-002112050A221214,520509,939,559,9211286  on request
03415-002112060A221214,520609,939,569,9211286  on request
03415-002112070A221214,520709,939,579,9211286  on request
03415-002112080A221214,520809,939,589,9211286  on request
03415-002116030A221619203013,139,543,12116153  on request
03415-002116035A221619203513,139,548,12116153  on request
03415-002116040A221619204013,139,553,12116153  on request
03415-002116045A221619204513,139,558,12116153  on request
03415-002116050A221619205013,139,563,12116153  on request
03415-002116060A221619206013,139,573,12116153  on request
03415-002116070A221619207013,139,583,12116153  on request
03415-002116080A221619208013,139,593,12116153  on request

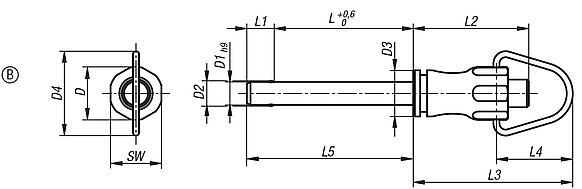
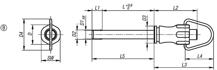
Ball lock pins, stainless steel, Form B

More information

Drawings

Ball lock pins, stainless steel, Form B

Item selection/filter

Order No.Form

DD1D2D3D4LL1L2L3L4L5SWReceiving
hole
H11
Shearing force
double shear
max.kN
CADAcc.PriceOrder
03415-101205010B11,555,51018,3105,92534,616,615,911515  on request
03415-101205015B11,555,51018,3155,92534,616,620,911515  on request
03415-101205020B11,555,51018,3205,92534,616,625,911515  on request
03415-101205025B11,555,51018,3255,92534,616,630,911515  on request
03415-101205030B11,555,51018,3305,92534,616,635,911515  on request
03415-101206010B11,566,851018,3106,82534,616,616,811622  on request
03415-101206015B11,566,851018,3156,82534,616,621,811622  on request
03415-101206020B11,566,851018,3206,82534,616,626,811622  on request
03415-101206025B11,566,851018,3256,82534,616,631,811622  on request
03415-101206030B11,566,851018,3306,82534,616,636,811622  on request
03415-101206035B11,566,851018,3356,82534,616,641,811622  on request
03415-101206040B11,566,851018,3406,82534,616,646,811622  on request
03415-101206045B11,566,851018,3456,82534,616,651,811622  on request
03415-101206050B11,566,851018,3506,82534,616,656,811622  on request
03415-101508020B15,589,513,524207,83346,722,727,815838  on request
03415-101508025B15,589,513,524257,83346,722,732,815838  on request
03415-101508030B15,589,513,524307,83346,722,737,815838  on request
03415-101508035B15,589,513,524357,83346,722,742,815838  on request
03415-101508040B15,589,513,524407,83346,722,747,815838  on request
03415-101508045B15,589,513,524457,83346,722,752,815838  on request
03415-101508050B15,589,513,524507,83346,722,757,815838  on request
03415-101510020B15,5101213,524208,93346,722,728,9151060  on request
03415-101510025B15,5101213,524258,93346,722,733,9151060  on request
03415-101510030B15,5101213,524308,93346,722,738,9151060  on request
03415-101510035B15,5101213,524358,93346,722,743,9151060  on request
03415-101510040B15,5101213,524408,93346,722,748,9151060  on request
03415-101510045B15,5101213,524458,93346,722,753,9151060  on request
03415-101510050B15,5101213,524508,93346,722,758,9151060  on request
03415-101510060B15,5101213,524608,93346,722,768,9151060  on request
03415-102112025B221214,52033259,939,559,330,334,9211286  on request
03415-102112030B221214,52033309,939,559,330,339,9211286  on request
03415-102112035B221214,52033359,939,559,330,344,9211286  on request
03415-102112040B221214,52033409,939,559,330,349,9211286  on request
03415-102112045B221214,52033459,939,559,330,354,9211286  on request
03415-102112050B221214,52033509,939,559,330,359,9211286  on request
03415-102112060B221214,52033609,939,559,330,369,9211286  on request
03415-102112070B221214,52033709,939,559,330,379,9211286  on request
03415-102112080B221214,52033809,939,559,330,389,9211286  on request
03415-102116030B22161920333013,139,559,330,343,12116153  on request
03415-102116035B22161920333513,139,559,330,348,12116153  on request
03415-102116040B22161920334013,139,559,330,353,12116153  on request
03415-102116045B22161920334513,139,559,330,358,12116153  on request
03415-102116050B22161920335013,139,559,330,363,12116153  on request
03415-102116060B22161920336013,139,559,330,373,12116153  on request
03415-102116070B22161920337013,139,559,330,383,12116153  on request
03415-102116080B22161920338013,139,559,330,393,12116153  on request
My norelemE-mailPassword
Shopping cart
Number of items: 0
Amount: 0.00  
shopping cart
欢迎扫描二维码
咨询诺瑞朗官方客服微信
China
苏ICP备20011289号-1  苏公网安备32058502011222 Sitemap Print Recommended Top
Copyright © 2025 norelem. All rights reserved. Tel. +49 71 45/206-44 to 45 · Fax +49 71 45/206-83