|
|
|
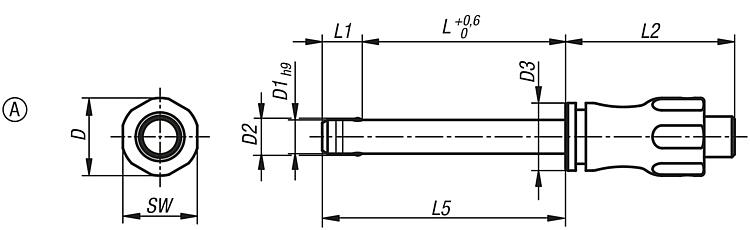
03415Ball lock pins with high shear strength |
go back |
|
|
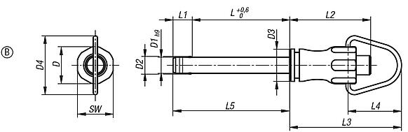
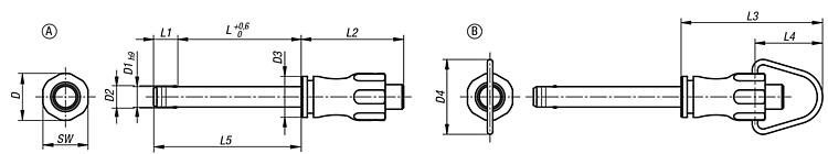
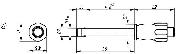
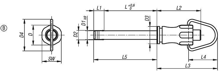
DescriptionMaterial:Grip and push button 1.4305 stainless steel.
Pin 1.4542 stainless steel.
Balls 1.4125 stainless steel.
Spring and hanger 1.4310 stainless steel wire. Version:Bright.Note:Ball lock pins are used for easy fastening or joining of components. The two balls are disengaged by pressing the push button and the pin can be slipped into holes in the workpieces. When the push button is released, the balls lock the connection securely.
Shear force double shear (F) = S · τ aB max.
The values given for the shear force are the theoretical breaking load. These are non-binding reference values without consideration of safety factors and exclude any liability. The values given are for information purposes only and do not constitute a legally binding assurance of properties.
The load values have been calculated in accordance with DIN 50141. Each user must determine individually whether the ball lock pin is suitable for the respective application.
Different materials in which the ball lock pins are used, weather conditions and wear can influence the determined values.
Ball lock pins with high shear strength are identified by a groove marking on the pin.Advantages:Higher loading in comparison to standard ball lock pins. The pins made from 1.4542 stainless steel is hardened, has a higher shear resistance and is extremely durable.Accessory:Adapter bushes for ball lock pins 03197. For Form B: Safety spiral cable 03199 Retaining cable with eyelet 03199 Key ring 03199Special features: DownloadHere is all the information as a PDF datasheet:
Are you looking for CAD data? These can be found directly in the product table.
|
Drawings (total overview) |
| Order No. | Form | D | D1 | D2 | D3 | L | L1 | L2 | L5 | SW | Receiving hole H11 | Shearing force double shear max.kN | CAD | Acc. | Price | Order |
|---|
| 03415-011205010 | A | 11,5 | 5 | 5,5 | 10 | 10 | 5,9 | 25 | 15,9 | 11 | 5 | 24 |  | | on request | | | 03415-011205015 | A | 11,5 | 5 | 5,5 | 10 | 15 | 5,9 | 25 | 20,9 | 11 | 5 | 24 |  | | on request | | | 03415-011205020 | A | 11,5 | 5 | 5,5 | 10 | 20 | 5,9 | 25 | 25,9 | 11 | 5 | 24 |  | | on request | | | 03415-011205025 | A | 11,5 | 5 | 5,5 | 10 | 25 | 5,9 | 25 | 30,9 | 11 | 5 | 24 |  | | on request | | | 03415-011205030 | A | 11,5 | 5 | 5,5 | 10 | 30 | 5,9 | 25 | 35,9 | 11 | 5 | 24 |  | | on request | | | 03415-011206010 | A | 11,5 | 6 | 6,85 | 10 | 10 | 6,8 | 25 | 16,8 | 11 | 6 | 35 |  | | on request | | | 03415-011206015 | A | 11,5 | 6 | 6,85 | 10 | 15 | 6,8 | 25 | 21,8 | 11 | 6 | 35 |  | | on request | | | 03415-011206020 | A | 11,5 | 6 | 6,85 | 10 | 20 | 6,8 | 25 | 26,8 | 11 | 6 | 35 |  | | on request | | | 03415-011206025 | A | 11,5 | 6 | 6,85 | 10 | 25 | 6,8 | 25 | 31,8 | 11 | 6 | 35 |  | | on request | | | 03415-011206030 | A | 11,5 | 6 | 6,85 | 10 | 30 | 6,8 | 25 | 36,8 | 11 | 6 | 35 |  | | on request | | | 03415-011206035 | A | 11,5 | 6 | 6,85 | 10 | 35 | 6,8 | 25 | 41,8 | 11 | 6 | 35 |  | | on request | | | 03415-011206040 | A | 11,5 | 6 | 6,85 | 10 | 40 | 6,8 | 25 | 46,8 | 11 | 6 | 35 |  | | on request | | | 03415-011206045 | A | 11,5 | 6 | 6,85 | 10 | 45 | 6,8 | 25 | 51,8 | 11 | 6 | 35 |  | | on request | | | 03415-011206050 | A | 11,5 | 6 | 6,85 | 10 | 50 | 6,8 | 25 | 56,8 | 11 | 6 | 35 |  | | on request | | | 03415-011508020 | A | 15,5 | 8 | 9,5 | 13,5 | 20 | 7,8 | 33 | 27,8 | 15 | 8 | 63 |  | | on request | | | 03415-011508025 | A | 15,5 | 8 | 9,5 | 13,5 | 25 | 7,8 | 33 | 32,8 | 15 | 8 | 63 |  | | on request | | | 03415-011508030 | A | 15,5 | 8 | 9,5 | 13,5 | 30 | 7,8 | 33 | 37,8 | 15 | 8 | 63 |  | | on request | | | 03415-011508035 | A | 15,5 | 8 | 9,5 | 13,5 | 35 | 7,8 | 33 | 42,8 | 15 | 8 | 63 |  | | on request | | | 03415-011508040 | A | 15,5 | 8 | 9,5 | 13,5 | 40 | 7,8 | 33 | 47,8 | 15 | 8 | 63 |  | | on request | | | 03415-011508045 | A | 15,5 | 8 | 9,5 | 13,5 | 45 | 7,8 | 33 | 52,8 | 15 | 8 | 63 |  | | on request | | | 03415-011508050 | A | 15,5 | 8 | 9,5 | 13,5 | 50 | 7,8 | 33 | 57,8 | 15 | 8 | 63 |  | | on request | | | 03415-011510020 | A | 15,5 | 10 | 12 | 13,5 | 20 | 8,9 | 33 | 28,9 | 15 | 10 | 100 |  | | on request | | | 03415-011510025 | A | 15,5 | 10 | 12 | 13,5 | 25 | 8,9 | 33 | 33,9 | 15 | 10 | 100 |  | | on request | | | 03415-011510030 | A | 15,5 | 10 | 12 | 13,5 | 30 | 8,9 | 33 | 38,9 | 15 | 10 | 100 |  | | on request | | | 03415-011510035 | A | 15,5 | 10 | 12 | 13,5 | 35 | 8,9 | 33 | 43,9 | 15 | 10 | 100 |  | | on request | | | 03415-011510040 | A | 15,5 | 10 | 12 | 13,5 | 40 | 8,9 | 33 | 48,9 | 15 | 10 | 100 |  | | on request | | | 03415-011510045 | A | 15,5 | 10 | 12 | 13,5 | 45 | 8,9 | 33 | 53,9 | 15 | 10 | 100 |  | | on request | | | 03415-011510050 | A | 15,5 | 10 | 12 | 13,5 | 50 | 8,9 | 33 | 58,9 | 15 | 10 | 100 |  | | on request | | | 03415-011510060 | A | 15,5 | 10 | 12 | 13,5 | 60 | 8,9 | 33 | 68,9 | 15 | 10 | 100 |  | | on request | | | 03415-012112025 | A | 22 | 12 | 14,5 | 20 | 25 | 9,9 | 39,5 | 34,9 | 21 | 12 | 144 |  | | on request | | | 03415-012112030 | A | 22 | 12 | 14,5 | 20 | 30 | 9,9 | 39,5 | 39,9 | 21 | 12 | 144 |  | | on request | | | 03415-012112035 | A | 22 | 12 | 14,5 | 20 | 35 | 9,9 | 39,5 | 44,9 | 21 | 12 | 144 |  | | on request | | | 03415-012112040 | A | 22 | 12 | 14,5 | 20 | 40 | 9,9 | 39,5 | 49,9 | 21 | 12 | 144 |  | | on request | | | 03415-012112045 | A | 22 | 12 | 14,5 | 20 | 45 | 9,9 | 39,5 | 54,9 | 21 | 12 | 144 |  | | on request | | | 03415-012112050 | A | 22 | 12 | 14,5 | 20 | 50 | 9,9 | 39,5 | 59,9 | 21 | 12 | 144 |  | | on request | | | 03415-012112060 | A | 22 | 12 | 14,5 | 20 | 60 | 9,9 | 39,5 | 69,9 | 21 | 12 | 144 |  | | on request | | | 03415-012112070 | A | 22 | 12 | 14,5 | 20 | 70 | 9,9 | 39,5 | 79,9 | 21 | 12 | 144 |  | | on request | | | 03415-012112080 | A | 22 | 12 | 14,5 | 20 | 80 | 9,9 | 39,5 | 89,9 | 21 | 12 | 144 |  | | on request | | | 03415-012116030 | A | 22 | 16 | 19 | 20 | 30 | 13,1 | 39,5 | 43,1 | 21 | 16 | 257 |  | | on request | | | 03415-012116035 | A | 22 | 16 | 19 | 20 | 35 | 13,1 | 39,5 | 48,1 | 21 | 16 | 257 |  | | on request | | | 03415-012116040 | A | 22 | 16 | 19 | 20 | 40 | 13,1 | 39,5 | 53,1 | 21 | 16 | 257 |  | | on request | | | 03415-012116045 | A | 22 | 16 | 19 | 20 | 45 | 13,1 | 39,5 | 58,1 | 21 | 16 | 257 |  | | on request | | | 03415-012116050 | A | 22 | 16 | 19 | 20 | 50 | 13,1 | 39,5 | 63,1 | 21 | 16 | 257 |  | | on request | | | 03415-012116060 | A | 22 | 16 | 19 | 20 | 60 | 13,1 | 39,5 | 73,1 | 21 | 16 | 257 |  | | on request | | | 03415-012116070 | A | 22 | 16 | 19 | 20 | 70 | 13,1 | 39,5 | 83,1 | 21 | 16 | 257 |  | | on request | | | 03415-012116080 | A | 22 | 16 | 19 | 20 | 80 | 13,1 | 39,5 | 93,1 | 21 | 16 | 257 |  | | on request | |
|
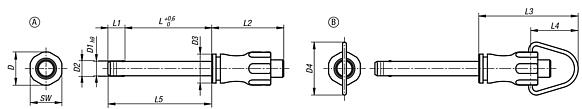
Ball lock pins with high shear strength and stainless steel bracket |
More information |
| Order No. | Form | D | D1 | D2 | D3 | D4 | L | L1 | L2 | L3 | L4 | L5 | SW | Receiving hole H11 | Shearing force double shear max.kN | CAD | Acc. | Price | Order |
|---|
| 03415-111205010 | B | 11,5 | 5 | 5,5 | 10 | 18,3 | 10 | 5,9 | 25 | 34,6 | 16,6 | 15,9 | 11 | 5 | 24 |  | | on request | | | 03415-111205015 | B | 11,5 | 5 | 5,5 | 10 | 18,3 | 15 | 5,9 | 25 | 34,6 | 16,6 | 20,9 | 11 | 5 | 24 |  | | on request | | | 03415-111205020 | B | 11,5 | 5 | 5,5 | 10 | 18,3 | 20 | 5,9 | 25 | 34,6 | 16,6 | 25,9 | 11 | 5 | 24 |  | | on request | | | 03415-111205025 | B | 11,5 | 5 | 5,5 | 10 | 18,3 | 25 | 5,9 | 25 | 34,6 | 16,6 | 30,9 | 11 | 5 | 24 |  | | on request | | | 03415-111205030 | B | 11,5 | 5 | 5,5 | 10 | 18,3 | 30 | 5,9 | 25 | 34,6 | 16,6 | 35,9 | 11 | 5 | 24 |  | | on request | | | 03415-111206010 | B | 11,5 | 6 | 6,85 | 10 | 18,3 | 10 | 6,8 | 25 | 34,6 | 16,6 | 16,8 | 11 | 6 | 35 |  | | on request | | | 03415-111206015 | B | 11,5 | 6 | 6,85 | 10 | 18,3 | 15 | 6,8 | 25 | 34,6 | 16,6 | 21,8 | 11 | 6 | 35 |  | | on request | | | 03415-111206020 | B | 11,5 | 6 | 6,85 | 10 | 18,3 | 20 | 6,8 | 25 | 34,6 | 16,6 | 26,8 | 11 | 6 | 35 |  | | on request | | | 03415-111206025 | B | 11,5 | 6 | 6,85 | 10 | 18,3 | 25 | 6,8 | 25 | 34,6 | 16,6 | 31,8 | 11 | 6 | 35 |  | | on request | | | 03415-111206030 | B | 11,5 | 6 | 6,85 | 10 | 18,3 | 30 | 6,8 | 25 | 34,6 | 16,6 | 36,8 | 11 | 6 | 35 |  | | on request | | | 03415-111206035 | B | 11,5 | 6 | 6,85 | 10 | 18,3 | 35 | 6,8 | 25 | 34,6 | 16,6 | 41,8 | 11 | 6 | 35 |  | | on request | | | 03415-111206040 | B | 11,5 | 6 | 6,85 | 10 | 18,3 | 40 | 6,8 | 25 | 34,6 | 16,6 | 46,8 | 11 | 6 | 35 |  | | on request | | | 03415-111206045 | B | 11,5 | 6 | 6,85 | 10 | 18,3 | 45 | 6,8 | 25 | 34,6 | 16,6 | 51,8 | 11 | 6 | 35 |  | | on request | | | 03415-111206050 | B | 11,5 | 6 | 6,85 | 10 | 18,3 | 50 | 6,8 | 25 | 34,6 | 16,6 | 56,8 | 11 | 6 | 35 |  | | on request | | | 03415-111508020 | B | 15,5 | 8 | 9,5 | 13,5 | 24 | 20 | 7,8 | 33 | 46,7 | 22,7 | 27,8 | 15 | 8 | 63 |  | | on request | | | 03415-111508025 | B | 15,5 | 8 | 9,5 | 13,5 | 24 | 25 | 7,8 | 33 | 46,7 | 22,7 | 32,8 | 15 | 8 | 63 |  | | on request | | | 03415-111508030 | B | 15,5 | 8 | 9,5 | 13,5 | 24 | 30 | 7,8 | 33 | 46,7 | 22,7 | 37,8 | 15 | 8 | 63 |  | | on request | | | 03415-111508035 | B | 15,5 | 8 | 9,5 | 13,5 | 24 | 35 | 7,8 | 33 | 46,7 | 22,7 | 42,8 | 15 | 8 | 63 |  | | on request | | | 03415-111508040 | B | 15,5 | 8 | 9,5 | 13,5 | 24 | 40 | 7,8 | 33 | 46,7 | 22,7 | 47,8 | 15 | 8 | 63 |  | | on request | | | 03415-111508045 | B | 15,5 | 8 | 9,5 | 13,5 | 24 | 45 | 7,8 | 33 | 46,7 | 22,7 | 52,8 | 15 | 8 | 63 |  | | on request | | | 03415-111508050 | B | 15,5 | 8 | 9,5 | 13,5 | 24 | 50 | 7,8 | 33 | 46,7 | 22,7 | 57,8 | 15 | 8 | 63 |  | | on request | | | 03415-111510020 | B | 15,5 | 10 | 12 | 13,5 | 24 | 20 | 8,9 | 33 | 46,7 | 22,7 | 28,9 | 15 | 10 | 100 |  | | on request | | | 03415-111510025 | B | 15,5 | 10 | 12 | 13,5 | 24 | 25 | 8,9 | 33 | 46,7 | 22,7 | 33,9 | 15 | 10 | 100 |  | | on request | | | 03415-111510030 | B | 15,5 | 10 | 12 | 13,5 | 24 | 30 | 8,9 | 33 | 46,7 | 22,7 | 38,9 | 15 | 10 | 100 |  | | on request | | | 03415-111510035 | B | 15,5 | 10 | 12 | 13,5 | 24 | 35 | 8,9 | 33 | 46,7 | 22,7 | 43,9 | 15 | 10 | 100 |  | | on request | | | 03415-111510040 | B | 15,5 | 10 | 12 | 13,5 | 24 | 40 | 8,9 | 33 | 46,7 | 22,7 | 48,9 | 15 | 10 | 100 |  | | on request | | | 03415-111510045 | B | 15,5 | 10 | 12 | 13,5 | 24 | 45 | 8,9 | 33 | 46,7 | 22,7 | 53,9 | 15 | 10 | 100 |  | | on request | | | 03415-111510050 | B | 15,5 | 10 | 12 | 13,5 | 24 | 50 | 8,9 | 33 | 46,7 | 22,7 | 58,9 | 15 | 10 | 100 |  | | on request | | | 03415-111510060 | B | 15,5 | 10 | 12 | 13,5 | 24 | 60 | 8,9 | 33 | 46,7 | 22,7 | 68,9 | 15 | 10 | 100 |  | | on request | | | 03415-112112025 | B | 22 | 12 | 14,5 | 20 | 33 | 25 | 9,9 | 39,5 | 59,3 | 30,3 | 34,9 | 21 | 12 | 144 |  | | on request | | | 03415-112112030 | B | 22 | 12 | 14,5 | 20 | 33 | 30 | 9,9 | 39,5 | 59,3 | 30,3 | 39,9 | 21 | 12 | 144 |  | | on request | | | 03415-112112035 | B | 22 | 12 | 14,5 | 20 | 33 | 35 | 9,9 | 39,5 | 59,3 | 30,3 | 44,9 | 21 | 12 | 144 |  | | on request | | | 03415-112112040 | B | 22 | 12 | 14,5 | 20 | 33 | 40 | 9,9 | 39,5 | 59,3 | 30,3 | 49,9 | 21 | 12 | 144 |  | | on request | | | 03415-112112045 | B | 22 | 12 | 14,5 | 20 | 33 | 45 | 9,9 | 39,5 | 59,3 | 30,3 | 54,9 | 21 | 12 | 144 |  | | on request | | | 03415-112112050 | B | 22 | 12 | 14,5 | 20 | 33 | 50 | 9,9 | 39,5 | 59,3 | 30,3 | 59,9 | 21 | 12 | 144 |  | | on request | | | 03415-112112060 | B | 22 | 12 | 14,5 | 20 | 33 | 60 | 9,9 | 39,5 | 59,3 | 30,3 | 69,9 | 21 | 12 | 144 |  | | on request | | | 03415-112112070 | B | 22 | 12 | 14,5 | 20 | 33 | 70 | 9,9 | 39,5 | 59,3 | 30,3 | 79,9 | 21 | 12 | 144 |  | | on request | | | 03415-112112080 | B | 22 | 12 | 14,5 | 20 | 33 | 80 | 9,9 | 39,5 | 59,3 | 30,3 | 89,9 | 21 | 12 | 144 |  | | on request | | | 03415-112116030 | B | 22 | 16 | 19 | 20 | 33 | 30 | 13,1 | 39,5 | 59,3 | 30,3 | 43,1 | 21 | 16 | 257 |  | | on request | | | 03415-112116035 | B | 22 | 16 | 19 | 20 | 33 | 35 | 13,1 | 39,5 | 59,3 | 30,3 | 48,1 | 21 | 16 | 257 |  | | on request | | | 03415-112116040 | B | 22 | 16 | 19 | 20 | 33 | 40 | 13,1 | 39,5 | 59,3 | 30,3 | 53,1 | 21 | 16 | 257 |  | | on request | | | 03415-112116045 | B | 22 | 16 | 19 | 20 | 33 | 45 | 13,1 | 39,5 | 59,3 | 30,3 | 58,1 | 21 | 16 | 257 |  | | on request | | | 03415-112116050 | B | 22 | 16 | 19 | 20 | 33 | 50 | 13,1 | 39,5 | 59,3 | 30,3 | 63,1 | 21 | 16 | 257 |  | | on request | | | 03415-112116060 | B | 22 | 16 | 19 | 20 | 33 | 60 | 13,1 | 39,5 | 59,3 | 30,3 | 73,1 | 21 | 16 | 257 |  | | on request | | | 03415-112116070 | B | 22 | 16 | 19 | 20 | 33 | 70 | 13,1 | 39,5 | 59,3 | 30,3 | 83,1 | 21 | 16 | 257 |  | | on request | | | 03415-112116080 | B | 22 | 16 | 19 | 20 | 33 | 80 | 13,1 | 39,5 | 59,3 | 30,3 | 93,1 | 21 | 16 | 257 |  | | on request | |
|
Other items in this category |
|
|