|
Item description/product images |
|
|
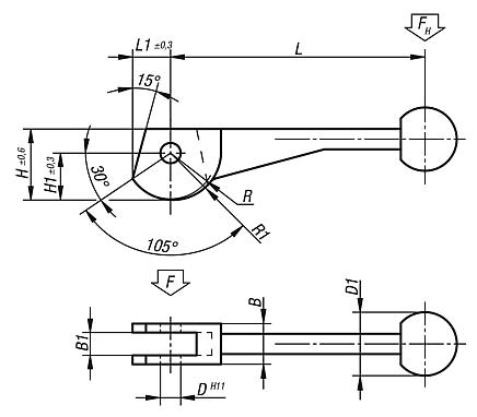
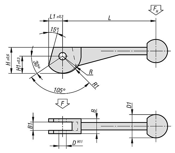
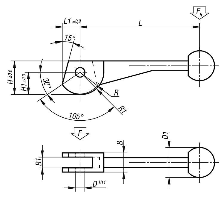
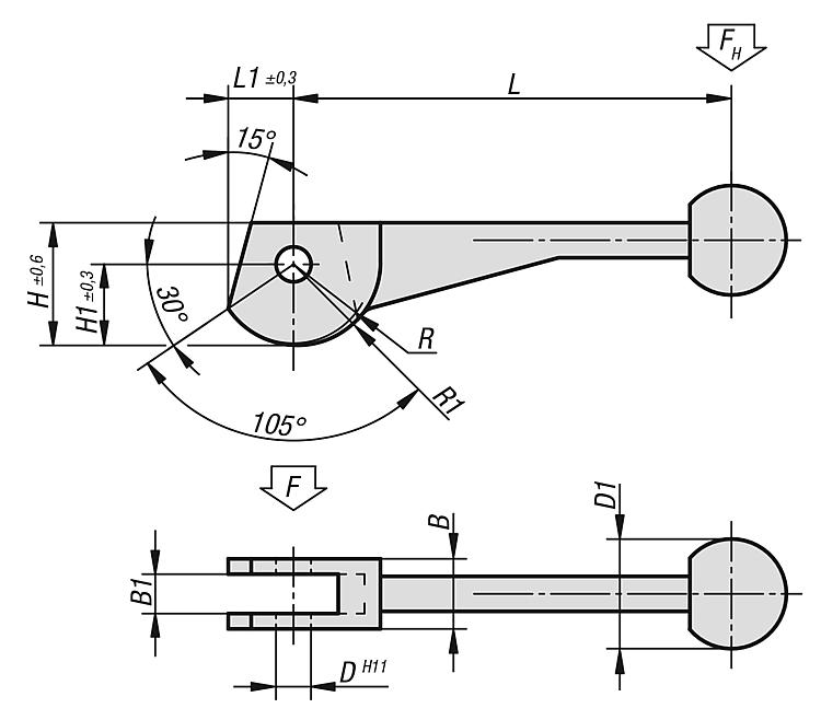
DescriptionMaterial:Carbon steel 1.7220. Ball grip plastic.Version:Tempered and black oxidised.Note:Suitable hinge pin see 04250. The cam lever is an eccentric lever that moves along a logarithmic spiral. Its clamping properties are even over the entire contact surface of the cam.Special features: DownloadHere is all the information as a PDF datasheet:
Are you looking for CAD data? These can be found directly in the product table.
|
| Order No. | L | L1 | B | B1 | H | H1 | D | D1 | R | R1 | CAD | Acc. | Price | Order |
|---|
| 04310-08 | 104±2 | 14,9 | 16 | 9 | 28,2 | 18,7 | 8 | 25 | 17,2 | 19,2 |  | | on request | | | 04310-10 | 123±2 | 18,6 | 20 | 12 | 34,8 | 23,3 | 10 | 30 | 21,5 | 24 |  | | on request | | | 04310-12 | 146±3 | 24,3 | 25 | 14 | 43,8 | 30,3 | 12 | 30 | 28 | 31,2 |  | | on request | |
Other items in this category |
|
|