norelem uses cookies to optimally design and continually improve the website. By continuing to use this website, you agree to the use of cookies. You can find more information about cookies in our Data protection declaration.okay
Clamping pin, steel or stainless steel with adapter plate
04756

Clamping pin, steel or stainless steel with adapter plate

go back

Item description/product images

Show/filter all items
DescriptionMaterial:

Adapter plate steel.
Wedges steel 1.0715 or stainless steel 1.4305.

Version:Adapter plate electro zinc-plated.
Wedges black oxidised or blank.
Note:The adapter plates enable the toggle clamp to be compatible with hole pattern 3 or 4, for hole grid plates or plates with Ø16 mm, Ø20 mm or Ø28 mm holes.
The clamping pin parts lock in the hole when the cap screw is turned.
Special features:
RoHS
DownloadHere is all the information as a PDF datasheet:

Are you looking for CAD data? These can be found directly in the product table.
 Datasheet 04756 Clamping pin, steel or stainless steel with adapter plate 345 kB

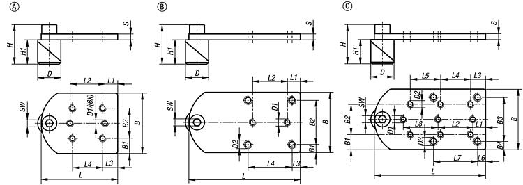
Drawings (total overview)

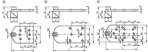
Clamping pin, steel or stainless steel with adapter plate

Clamping pin, steel or stainless steel with adapter plate, Form A

More information

Drawings

Clamping pin, steel or stainless steel with adapter plate, Form A

Item selection/filter

Order No.FormMain
material
BB1B2D

D1HH1LL1L2L3L4SSWCADAcc.PriceOrder
04756-0016Asteel52132616M530,517,5661130132656 on request
04756-1020Astainless steel52132620M53421661130132656 on request
04756-0028Asteel52132628M54128661130132656 on request

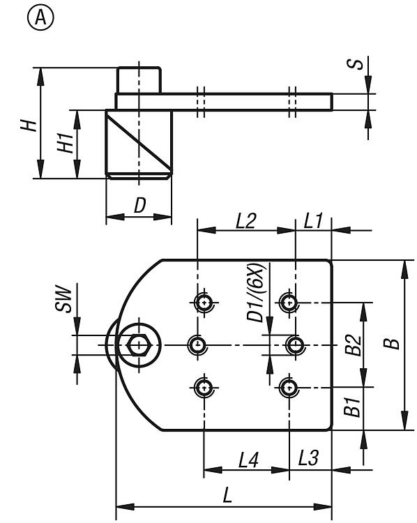
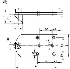
Clamping pin, steel or stainless steel with adapter plate, Form B

More information

Drawings

Clamping pin, steel or stainless steel with adapter plate, Form B

Item selection/filter

Order No.FormMain
material
BB1B2D

D1D2HH1LL1L2L3L4SSWCADAcc.PriceOrder
04756-0116Bsteel5273816M5M630,517,596113073856 on request
04756-1120Bstainless steel5273820M5M6342196113073856 on request
04756-0128Bsteel5273828M5M6412896113073856 on request

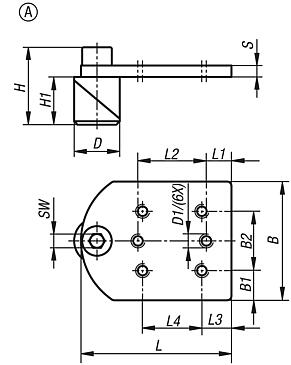
Clamping pin, steel or stainless steel with adapter plate, Form C

More information

Drawings

Clamping pin, steel or stainless steel with adapter plate, Form C

Item selection/filter

Order No.FormMain
material
BB1B2B3B4D

D1D2D3HH1LL1L2L3L4L5L6L7L8SSWCADAcc.PriceOrder
04756-0216Csteel52132673816M5M5M630,517,59611301326267383056 on request
04756-1220Cstainless steel52132673820M5M5M634219611301326267383056 on request
04756-0228Csteel52132673828M5M5M641289611301326267383056 on request
My norelemE-mailPassword
Shopping cart
Number of items: 0
Amount: 0.00  
shopping cart
欢迎扫描二维码
咨询诺瑞朗官方客服微信
China
苏ICP备20011289号-1  苏公网安备32058502011222 Sitemap Print Recommended Top
Copyright © 2025 norelem. All rights reserved. Tel. +49 71 45/206-44 to 45 · Fax +49 71 45/206-83