|
Item description/product images |
|
|
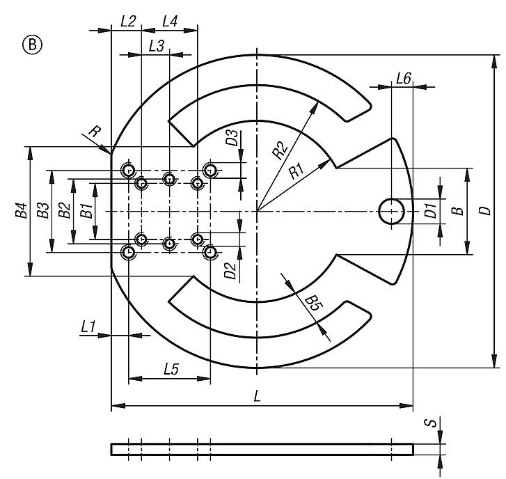
DescriptionMaterial:Steel.Version:Electro zinc-plated and trivalent blue passivated.Note:Adapter plates can be used in combination with toggle clamps. They enable toggle clamps to be positioned flexibly. The adapter plates are clamped to the machine table using eccentric clamp modules. Advantages:Flexible movement and positioning. Flexible height construction using the adapter block. Easy assembly through the opening.Accessory:Eccentric clamp modules 10500 Toggle clamp 05….Special features: DownloadHere is all the information as a PDF datasheet:
Are you looking for CAD data? These can be found directly in the product table.
|
| Order No. | Version 2 | B | B1 | B2 | B3 | B4 | B5 | D | D1 | D2 | D3 | L | L1 | L2 | L3 | L4 | L5 | L6 | R | R1 | R2 | S | CAD | Acc. | Price | Order |
|---|
| 05312-1145 | open | 40 | 30 | 30 | 38 | 60 | 16,5 | 145 | 11,5 | M5 | M6 | 140 | 8 | 14 | 13 | 26 | 38 | 10 | 5 | 42 | 58,5 | 5 |  | | on request | |
Order No. | Item | CAD | Acc. | Price | Order |
|---|
Other items in this category |
|
|