|
|
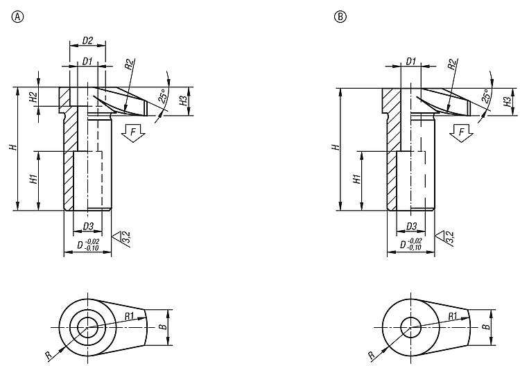
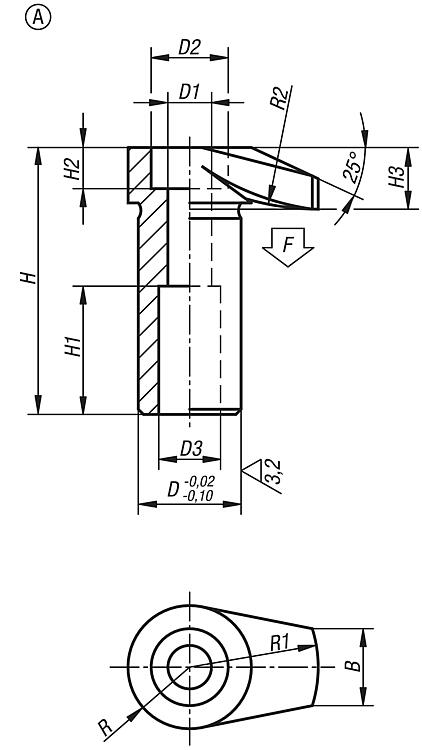
DescriptionMaterial:Carbon steel, tempered.Version:Black oxidised.Accessory:Springs 07650 and socket head screws 07160.Special features: DownloadHere is all the information as a PDF datasheet:
Are you looking for CAD data? These can be found directly in the product table.
|
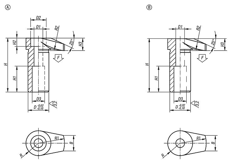
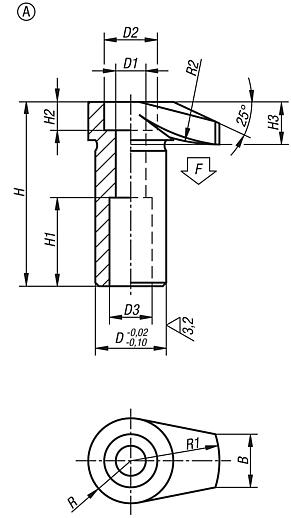
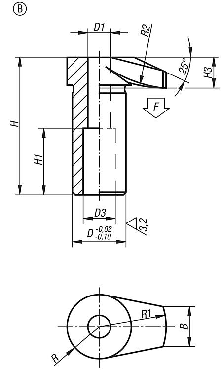
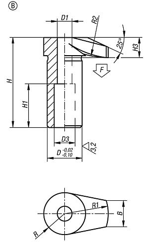
Drawings (total overview) |
|
Order No. | Form | D | D1 | D3 | H | H1 | H3 | B | R | R1 | R2 | F max. kN | CAD | Acc. | Price | Order |
|---|
| 04370-106 | B | 16 | 6,5 | 10 | 41,5 | 20 | 9,5 | 11 | 9 | 20 | 30 | 4,8 |  | | on request | | | 04370-108 | B | 20 | 8,5 | 12 | 51,5 | 25 | 11,5 | 15 | 12 | 25 | 50 | 8,8 |  | | on request | | | 04370-110 | B | 25 | 10,5 | 14 | 65,5 | 32 | 15,5 | 17 | 14 | 32 | 60 | 13,9 |  | | on request | | | 04370-112 | B | 32 | 12,5 | 17 | 82,5 | 40 | 19,5 | 20 | 18 | 40 | 80 | 20,2 |  | | on request | |
|
Other items in this category |
|
|