|
|
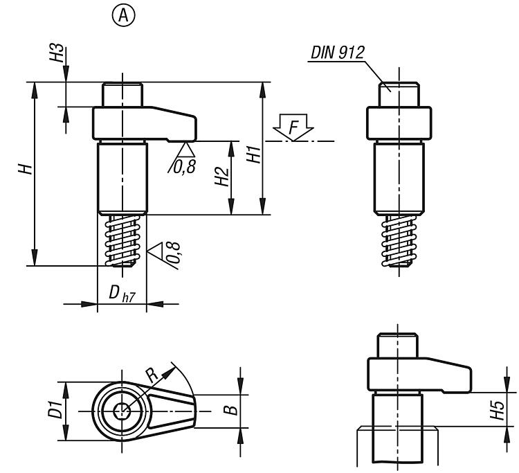
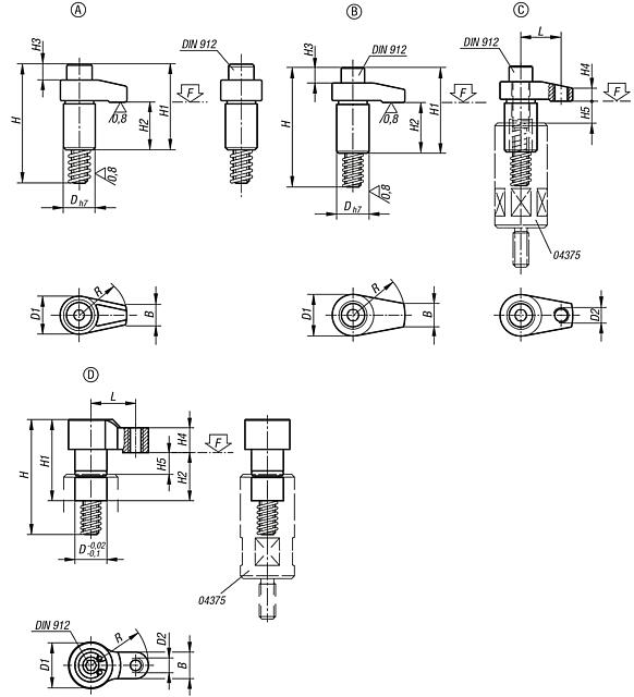
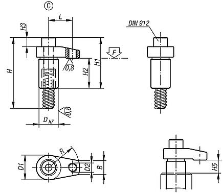
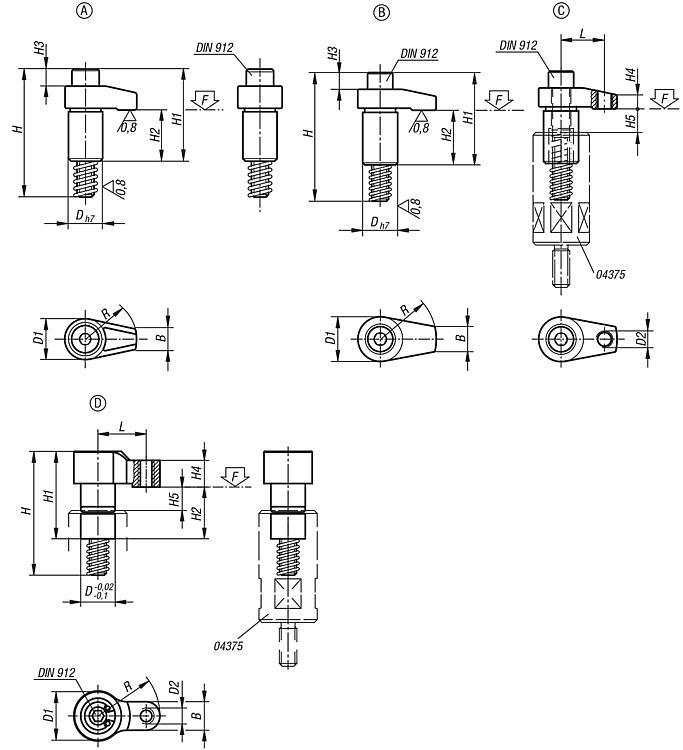
DescriptionMaterial:Carbon steel, tempered.Version:Form A-C: black oxidised. Shaft diameter ground. Form D: black oxidised.Note:The stated clamping forces (F max.) and tightening torques are valid within the stated clamping ranges (H5).Advantages:Compact design for use in the tightest of spaces Diverse versions and sizesAccessory:Hook clamp holders 04375. Hook clamp holders 04379. Extensions for jack screws 04378.Special features: DownloadHere is all the information as a PDF datasheet:
Are you looking for CAD data? These can be found directly in the product table.
|
Drawings (total overview) |
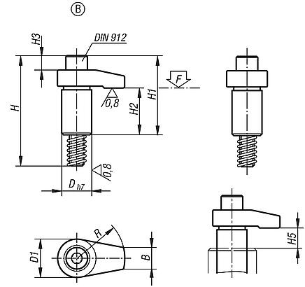
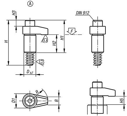
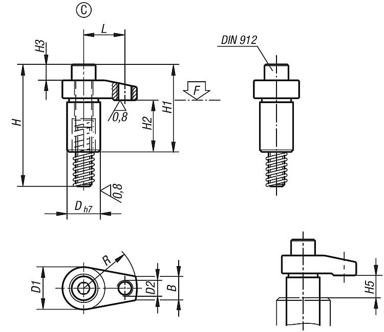
| Order No. | Form | D | D1 | H | H1 | H2 | H3 | H4 | H5 max. clamping range | B | R | Socket head screw DIN 912 | Tightening torque max. Nm | F max. kN | CAD | Acc. | Price | Order |
|---|
| 04372-110030 | A | 20 | 25 | 75 | 54 | 30 | 9 | 10 | 12 | 12 | 30 | M10x65 | 37,2 | 13 |  | | on request | | | 04372-110040 | A | 20 | 25 | 75 | 54 | 30 | 9 | 10 | 12 | 12 | 40 | M10x65 | 31,4 | 9,8 |  | | on request | |
|
| Order No. | Form | D | D1 | H | H1 | H2 | H3 | H4 | H5 max. clamping range | B | R | Socket head screw DIN 912 | Tightening torque max. Nm | F max. kN | CAD | Acc. | Price | Order |
|---|
| 04372-208020 | B | 18 | 22 | 58 | 37 | 23 | 2 | 7 | 10 | 10 | 20 | M8x50 | 37,2 | 13,6 |  | | on request | | | 04372-208025 | B | 18 | 22 | 58 | 37 | 23 | 2 | 7 | 10 | 10 | 25 | M8x50 | 32,3 | 10,9 |  | | on request | | | 04372-208030 | B | 18 | 22 | 58 | 37 | 23 | 2 | 7 | 10 | 10 | 30 | M8x50 | 29,4 | 9 |  | | on request | | | 04372-212040 | B | 25 | 32 | 92 | 66 | 39 | 11 | 12 | 15 | 18 | 40 | M12x80 | 58,8 | 17,5 |  | | on request | | | 04372-212050 | B | 25 | 32 | 92 | 68 | 39 | 11 | 12 | 15 | 18 | 50 | M12x80 | 49 | 14 |  | | on request | | | 04372-212060 | B | 25 | 32 | 92 | 68 | 39 | 11 | 12 | 15 | 18 | 60 | M12x80 | 45,1 | 11,6 |  | | on request | | | 04372-216040 | B | 32 | 36 | 101 | 75 | 39 | 15 | 15 | 15 | 22 | 40 | M16x85 | 166,6 | 37,9 |  | | on request | | | 04372-216050 | B | 32 | 36 | 101 | 75 | 39 | 15 | 15 | 15 | 22 | 50 | M16x85 | 147 | 30,4 |  | | on request | | | 04372-216060 | B | 32 | 36 | 101 | 75 | 39 | 15 | 15 | 15 | 22 | 60 | M16x85 | 127,4 | 25,2 |  | | on request | |
|
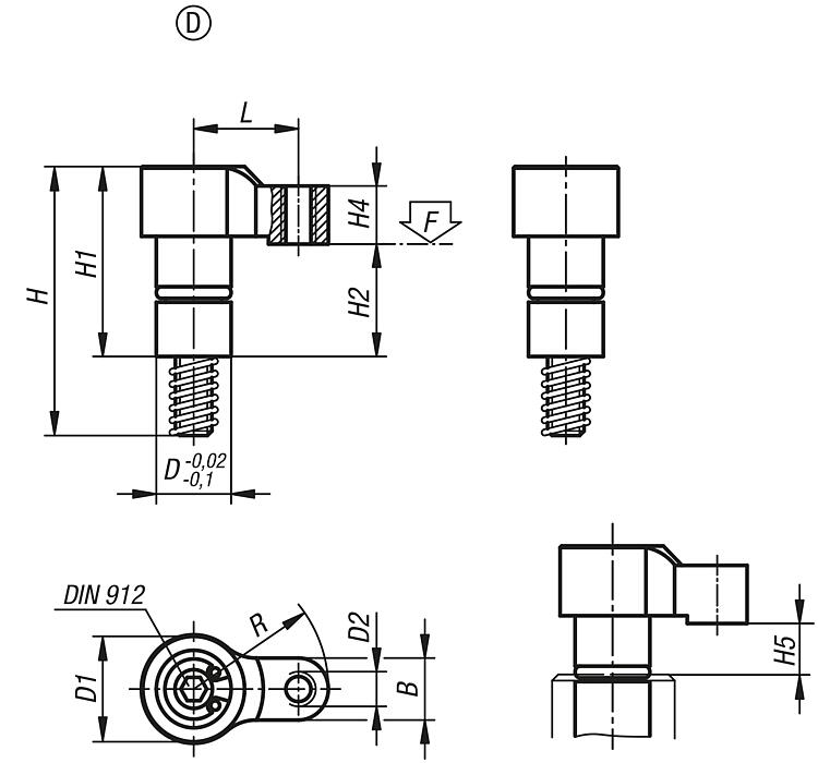
|
| Order No. | Form | D | D1 | D2 | H | H1 | H2 | H4 | H5 max. clamping range | B | L | R | Socket head screw DIN 912 | Tightening torque max. Nm
| F max. kN | CAD | Acc. | Price | Order |
|---|
| 04372-404118 | D | 10 | 14 | M4 | 37 | 24,5 | 14,5 | 7,5 | 3 | 8 | 14 | 18 | M4x30 | 2,7 | 2 |  | | on request | | | 04372-406122 | D | 12 | 16 | M5 | 44 | 30,5 | 17,5 | 9,5 | 4 | 10 | 17 | 22 | M6x35 | 7 | 3,5 |  | | on request | |
|
Other items in this category |
|
|