|
Item description/product images |
|
|
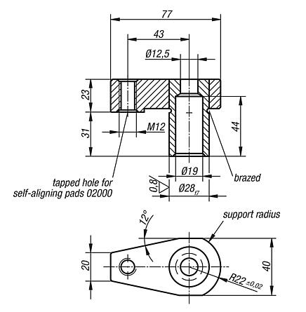
DescriptionMaterial:Steel.Version:Case-hardened, black oxidised and ground.Note:Precision hook clamps are used as conventional clamping elements in fixtures. A reamed hole is drilled into the fixture base. The hole depth depends on the required clamping height. A support is placed under the rear rounded hook part (radius 22) to take the counterforce, this can be flat, semicircular or prismatic. A DIN 933 hex. head screw tightens the clamp.Special features: DownloadHere is all the information as a PDF datasheet:
Are you looking for CAD data? These can be found directly in the product table.
|
Order No. | Dimensions | CAD | Acc. | Price | Order |
|---|
| 04380-00 | see drawing |  | | on request | |
Other items in this category |
|
|