norelem uses cookies to optimally design and continually improve the website. By continuing to use this website, you agree to the use of cookies. You can find more information about cookies in our Data protection declaration.okay

Item description/product images

DescriptionMaterial:Body and jaw steel.
Limit stop aluminium.
Version:Body black oxidised.
Jaws nitrocarburised and black oxidised.
Limit stop black anodised.
Note:The floating clamp is used to clamp and support overhanging clamping points on components. It prevents vibrations and deflection during machining.Type of operation:1. Push the floating clamp down.
2. Pivot the jaws up to the stop. Now the floating jaw of the floating clamp should rest against the underside of the workpiece.
3. Tighten the floating clamp with the hex nut (observe the min. and max. tightening torque). During clamping, the workpiece is clamped and simultaneously supported.
4. To release, perform the procedure in reverse order.
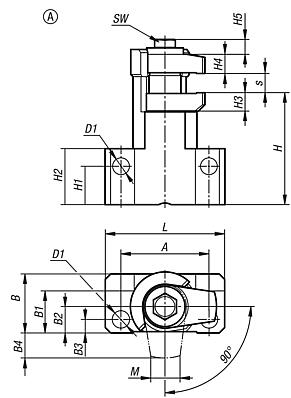
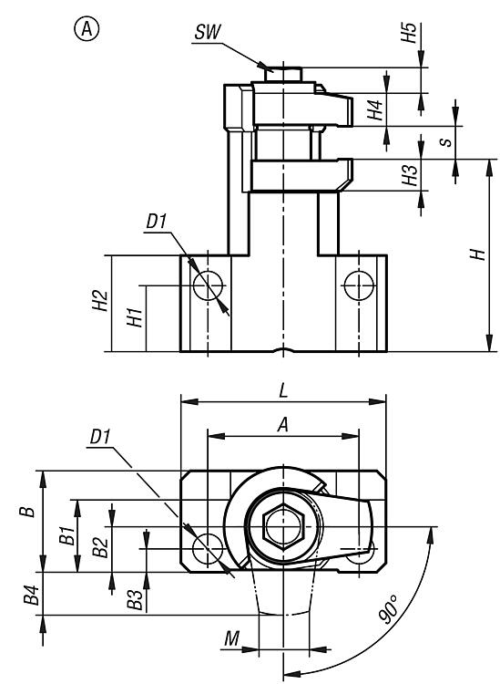
Assembly:Set the height range and the pivot range, then attach the floating clamp to the bracket using the holes (D1).
When setting the height, a generous allowance above should be taken into account.
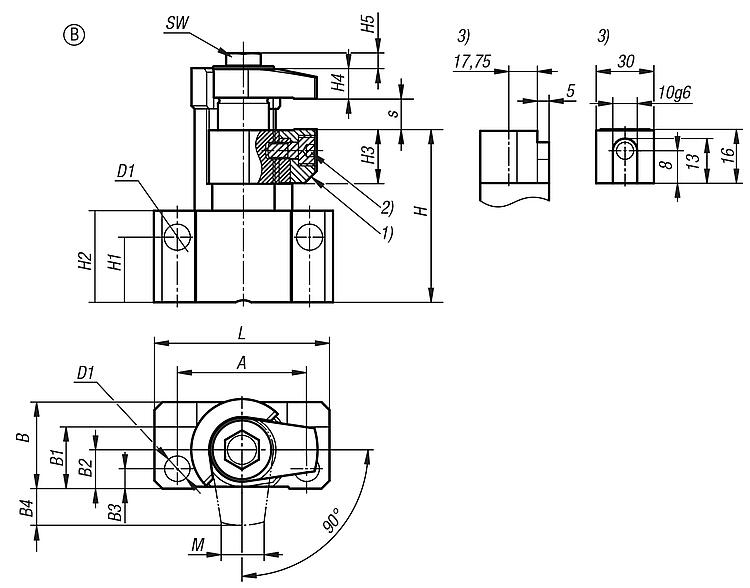
Form B:
For special clamping applications, the standard clamping jaw can be modified or replaced.
Drawing reference:
1) Exchangeable jaw
2) M6 ISO 4762 cap screw
3) Fastening point for clamping jaw
Special features:
RoHS
DownloadHere is all the information as a PDF datasheet:

Are you looking for CAD data? These can be found directly in the product table.
 Datasheet 04423 Floating clamps, steel 146 kB

Drawings (total overview)

Floating clamps, steel

Floating clamp, steel Form A

More information

Drawings

Floating clamp, steel Form A

Item selection/filter

Floating clamp, steel Form B

More information

Drawings

Floating clamp, steel Form B

Item selection/filter

Order No.FormForm definitionABB1B2B3B4D
for screw
D1H
min.
H
max.
H1H2H3H4H5Travel
S
CADAcc.PriceOrder
04423-101015B-6543,53119,51018,5M1012,88595324526,514,57,915 on request
Order No.FormForm definitionLMmax.
clamping
travel
Min. Tightening torqueMax. tightening torqueClamping
force
N
SWLoad
capacity
N
CADAcc.PriceOrder
04423-101015B-8821,61525308000178000 on request
My norelemE-mailPassword
Shopping cart
Number of items: 0
Amount: 0.00  
shopping cart
欢迎扫描二维码
咨询诺瑞朗官方客服微信
China
苏ICP备20011289号-1  苏公网安备32058502011222 Sitemap Print Recommended Top
Copyright © 2025 norelem. All rights reserved. Tel. +49 71 45/206-44 to 45 · Fax +49 71 45/206-83