norelem uses cookies to optimally design and continually improve the website. By continuing to use this website, you agree to the use of cookies. You can find more information about cookies in our Data protection declaration.okay
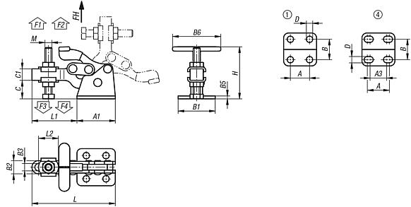
Toggle clamps vertical with flat foot and adjustable clamping spindle
05715-05

Toggle clamps vertical with flat foot and adjustable clamping...

go back

Item description/product images

DescriptionMaterial:Steel or stainless steel.Version:Electro zinc-plated steel.
Bright stainless steel.
Plastic handle, oil-resistant.
Note:A neoprene thrust pad is supplied with versions 05715-05-011200 and 05715-05-023400.Accessory:05240
05241
05260
05885-01
05887-01
05888
05280
05891-01
Special features:
RoHS
DownloadHere is all the information as a PDF datasheet:

Are you looking for CAD data? These can be found directly in the product table.
 Datasheet 05715-05 Toggle clamps vertical with flat foot and adjustable clamping spindle 501 kB

Drawings

Toggle clamps vertical with flat foot and adjustable clamping spindle

Item selection/filter

Order No.Main
material
hole
arrangement
Opening
angle of
holding arm
Opening
angle of
handle
Hand
force
FH N
Retaining
force
F1 N
Retaining
force
F2 N
Clamping
force
F3 N
Clamping
force
F4 N
CADAcc.PriceOrder
05715-05-011200steel190°170°508001200500700 on request
05715-05-023400steel490°170°200140034008001800 on request
05715-05-111200stainless steel190°170°508001200500700 on request
Order No.Main
material
A

A1A3BB1B2B3B5B6CC1DHLL1L2MCADAcc.PriceOrder
05715-05-011200steel13,526,2-15,925,49523412,77,94,4365730,812,7M5x37 on request
05715-05-023400steel3964,33138,162,718,310,337033,3197,991131,867,528M10x80 on request
05715-05-111200stainless steel13,526,2-15,925,49523412,77,94,4365730,812,7M5x30 on request
My norelemE-mailPassword
Shopping cart
Number of items: 0
Amount: 0.00  
shopping cart
欢迎扫描二维码
咨询诺瑞朗官方客服微信
China
苏ICP备20011289号-1  苏公网安备32058502011222 Sitemap Print Recommended Top
Copyright © 2025 norelem. All rights reserved. Tel. +49 71 45/206-44 to 45 · Fax +49 71 45/206-83