norelem uses cookies to optimally design and continually improve the website. By continuing to use this website, you agree to the use of cookies. You can find more information about cookies in our Data protection declaration.okay
Tommy barswith fixed or sliding T-bar, DIN 6305 or DIN 6307
06140

Tommy bars with fixed or sliding T-bar, DIN 6305 or DIN 6307

go back

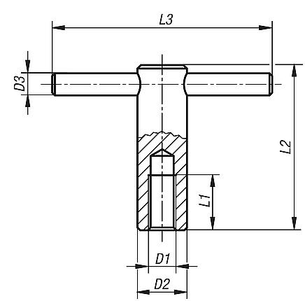
Item description/product images

Show/filter all items
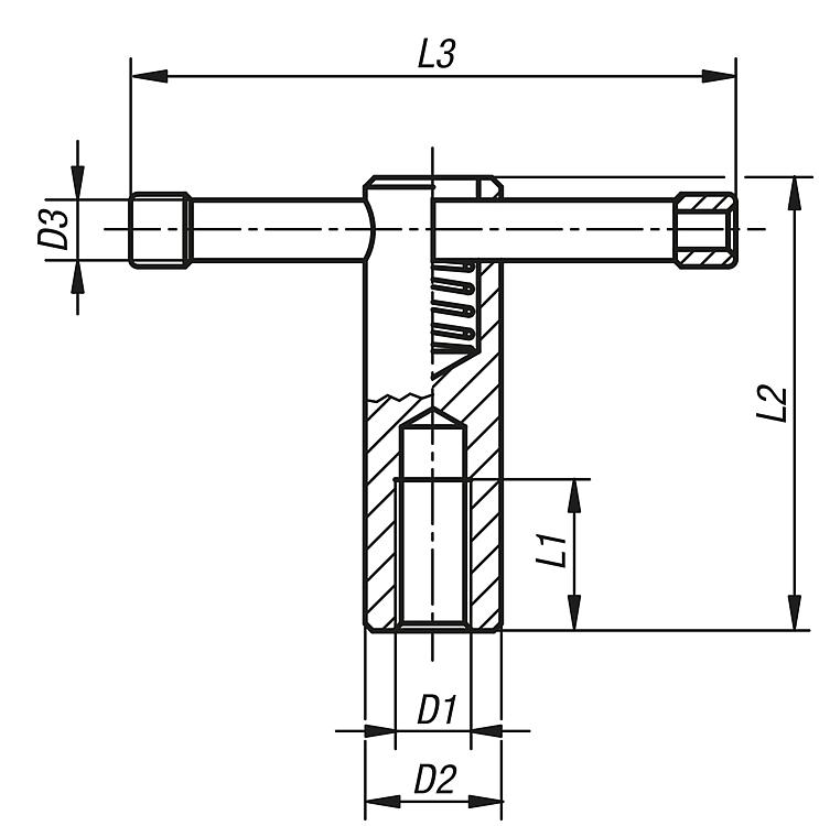
DescriptionMaterial:Steel.Version:Black oxidised.Note:By the version with sliding T-bar the bar is held in any desired position by a spring in the body. End stops prevent the bar falling out.
By the version with fixed T-bar the bar is pressed in.
Special features:
RoHS
DownloadHere is all the information as a PDF datasheet:

Are you looking for CAD data? These can be found directly in the product table.
 Datasheet 06140 Tommy barswith fixed or sliding T-bar, DIN 6305 or DIN 6307 183 kB

Drawings (total overview)

Tommy barswith fixed or sliding T-bar, DIN 6305 or DIN 6307

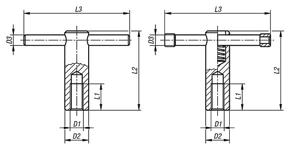
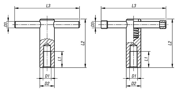
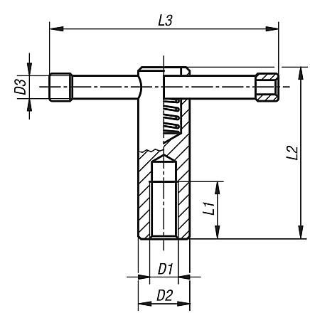
Tommy bars with fixed spindle, DIN 6305

More information

Drawings

Tommy bars with fixed spindle, DIN 6305

Item selection/filter

Order No.

Version 1D1D2D3L1L2L3CADAcc.PriceOrder
06140-110fixed t-barM10188206080 on request
06140-112fixed t-barM1220102570100 on request
06140-116fixed t-barM1624123585120 on request
06140-120fixed t-barM2030164095140 on request

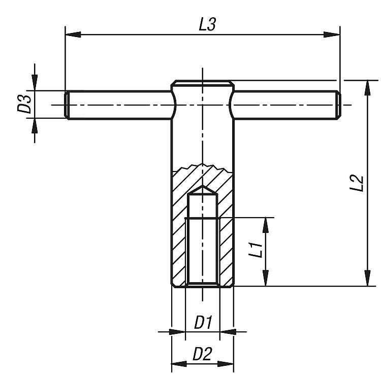
Tommy bars with sliding T-bar, DIN 6307

More information

Drawings

Tommy bars with sliding T-bar, DIN 6307

Item selection/filter

Order No.

Version 1D1D2D3L1L2L3CADAcc.PriceOrder
06140-210sliding t-barM10188206080 on request
06140-212sliding t-barM1220102570100 on request
06140-216sliding t-barM1624133585120 on request
06140-220sliding t-barM2030164095140 on request
My norelemE-mailPassword
Shopping cart
Number of items: 0
Amount: 0.00  
shopping cart
欢迎扫描二维码
咨询诺瑞朗官方客服微信
China
苏ICP备20011289号-1  苏公网安备32058502011222 Sitemap Print Recommended Top
Copyright © 2025 norelem. All rights reserved. Tel. +49 71 45/206-44 to 45 · Fax +49 71 45/206-83