norelem uses cookies to optimally design and continually improve the website. By continuing to use this website, you agree to the use of cookies. You can find more information about cookies in our Data protection declaration.okay
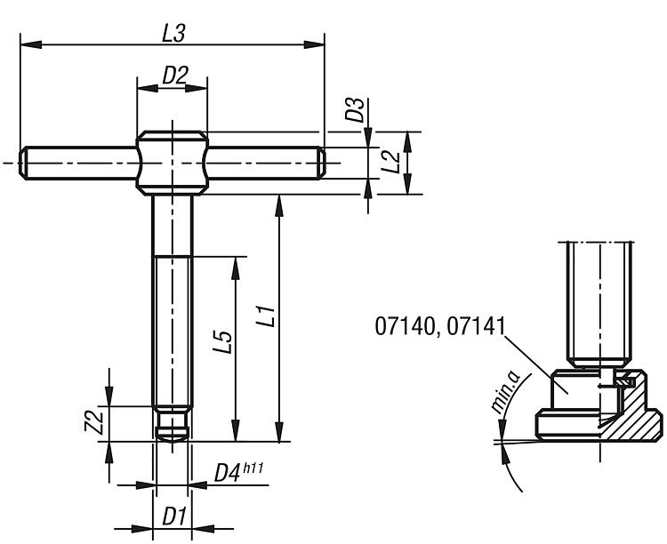
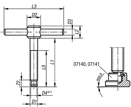
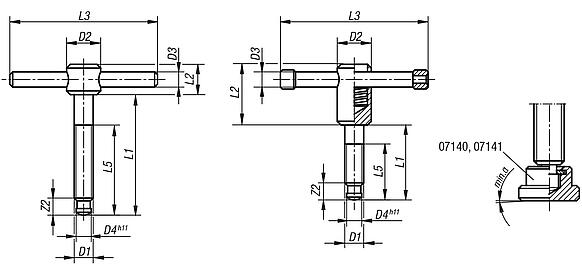
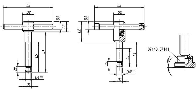
T-thrust screwswith fixed or sliding T-bar, DIN 6304 or DIN 6306
06150

T-thrust screws with fixed or sliding T-bar, DIN 6304 or DIN 6306

go back

Item description/product images

Show/filter all items
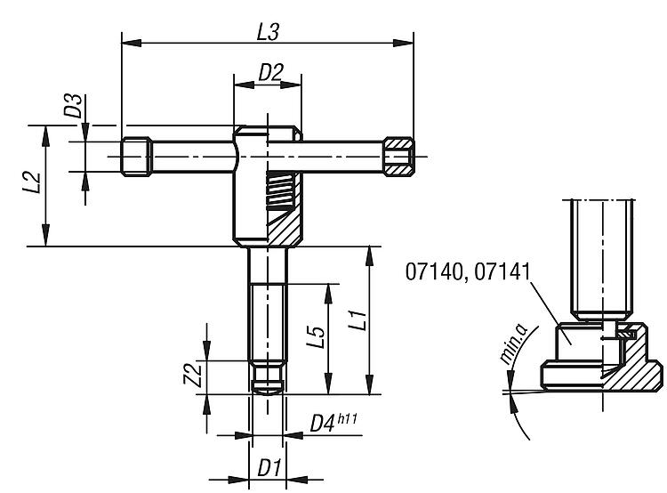
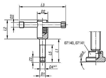
DescriptionMaterial:Steel.Version:Black oxidised. Thrust pin hardened.Note:By the thrust screws with sliding T-bar the bar is held in any desired position by a spring in the body. End stops prevent the bar falling out. By the fixed handles the T-bar is pressed in.Special features:
RoHS
DownloadHere is all the information as a PDF datasheet:

Are you looking for CAD data? These can be found directly in the product table.
 Datasheet 06150 T-thrust screwswith fixed or sliding T-bar, DIN 6304 or DIN 6306 218 kB

Drawings (total overview)

T-thrust screwswith fixed or sliding T-bar, DIN 6304 or DIN 6306

Tommy bar with fixed T-bar, DIN 6304

More information

Drawings

Tommy bar with fixed T-bar, DIN 6304

Item selection/filter

Order No.

Version 1D1D2D3D4L1L2L3L5Z2min. αCADAcc.PriceOrder
06150-106X40fixed t-barM61254,5401050306 on request
06150-106X50fixed t-barM61254,5501050406 on request
06150-108X50fixed t-barM81466501260357,5 on request
06150-108X60fixed t-barM81466601260457,5 on request
06150-110X60fixed t-barM101888601480409 on request
06150-110X70fixed t-barM101888701480509 on request
06150-112X70fixed t-barM122010870181005010 on request
06150-112X80fixed t-barM122010880181006010 on request
06150-116X75fixed t-barM1624121275201205512 on request
06150-116X90fixed t-barM1624121290201207012 on request
06150-116X110fixed t-barM16241212110201209012 on request
06150-120X75fixed t-barM20301615,575281405514 on request
06150-120X90fixed t-barM20301615,590281407014 on request
06150-120X110fixed t-barM20301615,5110281409014 on request

Pad screws with movable spindle, DIN 6306

More information

Drawings

Pad screws with movable spindle, DIN 6306

Item selection/filter

Order No.

Version 1D1D2D3D4L1L2L3L5Z2min. αCADAcc.PriceOrder
06150-210X40sliding t-barM101888403280309 on request
06150-210X50sliding t-barM101888503280409 on request
06150-212X50sliding t-barM122010850351004010 on request
06150-212X60sliding t-barM122010860351005010 on request
06150-216X55sliding t-barM1624131255401204512 on request
06150-216X70sliding t-barM1624131270401206012 on request
06150-216X90sliding t-barM1624131290401208012 on request
06150-220X55sliding t-barM20301615,555451404514 on request
06150-220X70sliding t-barM20301615,570451406014 on request
06150-220X90sliding t-barM20301615,590451408014 on request
My norelemE-mailPassword
Shopping cart
Number of items: 0
Amount: 0.00  
shopping cart
欢迎扫描二维码
咨询诺瑞朗官方客服微信
China
苏ICP备20011289号-1  苏公网安备32058502011222 Sitemap Print Recommended Top
Copyright © 2025 norelem. All rights reserved. Tel. +49 71 45/206-44 to 45 · Fax +49 71 45/206-83