norelem uses cookies to optimally design and continually improve the website. By continuing to use this website, you agree to the use of cookies. You can find more information about cookies in our Data protection declaration.okay

Item description/product images

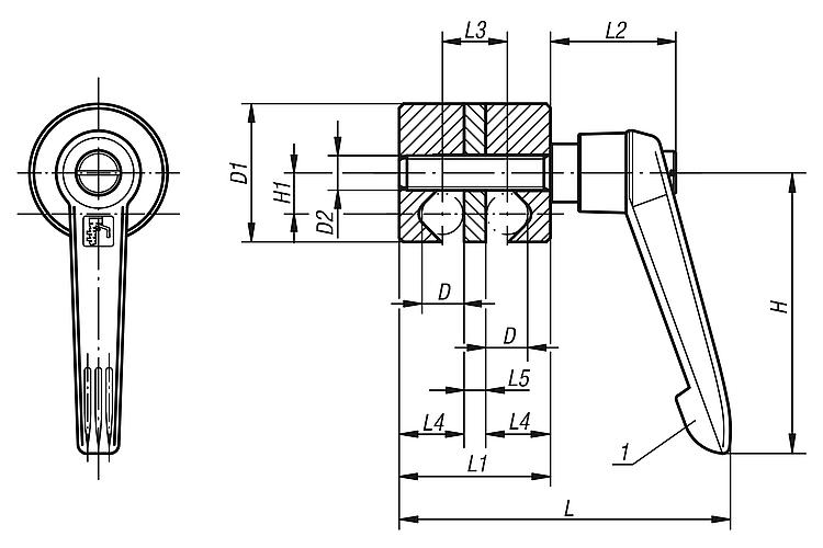
DescriptionMaterial:Clamping lever:
Handle fibreglass reinforced thermoplastic, black grey.
Steel parts:
grade 5.8.
Remaining components:
high-strength aluminium.
Version:Steel parts black oxidised.
Aluminium nickel silver anodised.
Note:Clamping joints are used to clamp round cross sections (bars, tubes, etc.) and are infinitely adjustable.
The simple design together with the adjustable clamping lever permits rapid clamping.
Drawing reference:
1) Clamping lever
Special features:
RoHS
DownloadHere is all the information as a PDF datasheet:

Are you looking for CAD data? These can be found directly in the product table.
 Datasheet 06620 Clamping joints 220 kB

Drawings

Clamping joints

Item selection/filter

Order No.DD1

D2HH1LL1L2L3L4L5CADAcc.PriceOrder
06620-01828M8658,572312913135 on request
06620-021032M8659,576352915155 on request
06620-031236M86510,581402918176 on request
06620-041645M108013,51035037,522226 on request
06620-052074M1095221317042,5303010 on request
My norelemE-mailPassword
Shopping cart
Number of items: 0
Amount: 0.00  
shopping cart
欢迎扫描二维码
咨询诺瑞朗官方客服微信
China
苏ICP备20011289号-1  苏公网安备32058502011222 Sitemap Print Recommended Top
Copyright © 2025 norelem. All rights reserved. Tel. +49 71 45/206-44 to 45 · Fax +49 71 45/206-83