norelem uses cookies to optimally design and continually improve the website. By continuing to use this website, you agree to the use of cookies. You can find more information about cookies in our Data protection declaration.okay
Clamping jointsindividually adjustable
06621

Clamping joints individually adjustable

go back

Item description/product images

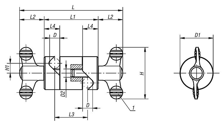
DescriptionMaterial:Wing grip:
grip black grey thermoplastic.
Screw steel 5.8.
Remaining components:
high-strength aluminium.
Version:Steel parts trivalent blue-passivated.
Aluminium nickel silver anodised.
Note:Clamping joints are used to clamp round cross sections (bars, tubes, etc.) and are individually and infinitely adjustable.
The simple design together with the wing grip permits rapid clamping.
Drawing reference:
1) wing grip
Special features:
RoHS
DownloadHere is all the information as a PDF datasheet:

Are you looking for CAD data? These can be found directly in the product table.
 Datasheet 06621 Clamping jointsindividually adjustable 197 kB

Drawings

Clamping jointsindividually adjustable

Item selection/filter

Order No.DD1

D2HH1LL1L2L3L4CADAcc.PriceOrder
06621-01828M8508,59042242413 on request
06621-021032M8509,510052243215 on request
06621-031236M85010,510456243417 on request
06621-041645M107513,5143,27235,64422 on request
06621-052074M107522173,210235,66230 on request

Other items in this category

My norelemE-mailPassword
Shopping cart
Number of items: 0
Amount: 0.00  
shopping cart
欢迎扫描二维码
咨询诺瑞朗官方客服微信
China
苏ICP备20011289号-1  苏公网安备32058502011222 Sitemap Print Recommended Top
Copyright © 2025 norelem. All rights reserved. Tel. +49 71 45/206-44 to 45 · Fax +49 71 45/206-83