|
|
|
06902Pull handles, plastic, narrow |
go back |
|
|
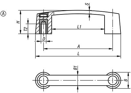
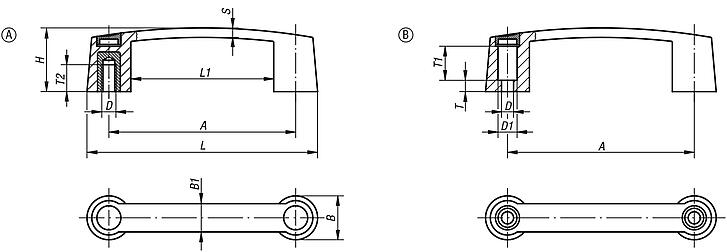
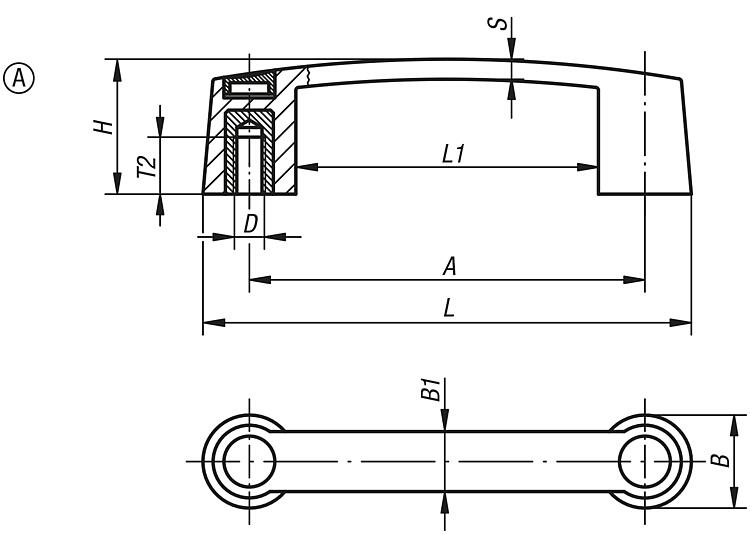
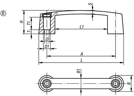
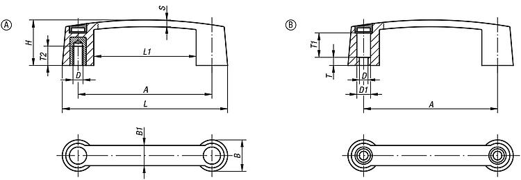
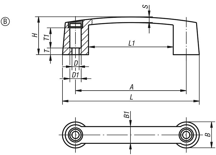
DescriptionMaterial:Thermoplastic. Tapped bush brass.Version:Handle and cap black.Assembly:Form A from the rear. Form B from the front.On request:Other handle or cap colours.Special features: DownloadHere is all the information as a PDF datasheet:
Are you looking for CAD data? These can be found directly in the product table.
|
Drawings (total overview) |
| Order No. | Form | A | B | B1 | D | H | L | L1 | S | T2 | Load capacity N | CAD | Acc. | Price | Order |
|---|
| 06902-109406 | A | 93,5 | 26 | 17 | M6 | 35 | 119,5 | 67,5 | 5,8 | 15,5 | 320 |  | | on request | | | 06902-111706 | A | 117 | 29 | 19 | M6 | 40 | 145 | 89 | 6,4 | 15,5 | 320 |  | | on request | | | 06902-111708 | A | 117 | 29 | 19 | M8 | 40 | 145 | 89 | 6,4 | 16 | 870 |  | | on request | | | 06902-113206 | A | 132 | 31 | 20 | M6 | 45 | 163 | 101 | 6,7 | 15,5 | 320 |  | | on request | | | 06902-113208 | A | 132 | 31 | 20 | M8 | 45 | 163 | 101 | 6,7 | 16 | 870 |  | | on request | | | 06902-117910 | A | 179 | 35 | 22 | M10 | 50 | 213 | 145 | 7,1 | 22 | 1200 |  | | on request | |
|
| Order No. | Form | A | B | B1 | D | D1 | H | L | L1 | S | T | T1 | Load capacity N | CAD | Acc. | Price | Order |
|---|
| 06902-209406 | B | 93,5 | 26 | 17 | 6,8 | 12 | 35 | 119,5 | 67,5 | 5,8 | 4,5 | 19 | 500 |  | | on request | | | 06902-211708 | B | 117 | 29 | 19 | 8,5 | 13,5 | 40 | 145 | 89 | 6,4 | 8 | 23 | 950 |  | | on request | | | 06902-213208 | B | 132 | 31 | 20 | 8,5 | 13,5 | 45 | 163 | 101 | 6,7 | 8 | 22 | 950 |  | | on request | | | 06902-217908 | B | 179 | 35 | 22 | 8,5 | 13,5 | 50 | 213 | 145 | 7,1 | 12 | 22 | 950 |  | | on request | |
|
Other items in this category |
|
|