norelem uses cookies to optimally design and continually improve the website. By continuing to use this website, you agree to the use of cookies. You can find more information about cookies in our Data protection declaration.okay

Item description/product images

DescriptionMaterial:Stainless steelVersion:Passivated.Note:Reinforced threaded inserts allow threaded holes which have been damaged, torn out or jammed to be used again or to be repaired. This makes it possible to recover scrap and rejects of expensive products.
Reinforced threaded inserts are suitable for use in various materials, including light metals and casting.
Inserts with internal threads larger than M6 are supplied with four locking pins instead of two.
Permissible deviations:
The medium tolerance class applies to the threads listed, i.e. 6H for nut threads and 6g for bolt threads. Other dimensions ±0.25 mm.

Technical information see operating instructions for threaded inserts.
Advantages:- Quick and easy installation.
- The insert is fixed with pins in order to prevent torsion due to twisting or vibrations.
- No other special tools are required besides the assembly tool.
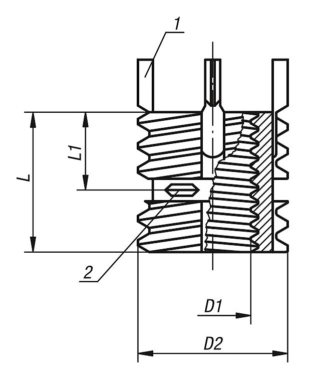
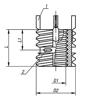
Drawing reference:
1) locking pin
2) self-locking part of internal thread
Special features:
Stainless steelRoHS
DownloadHere is all the information as a PDF datasheet:

Are you looking for CAD data? These can be found directly in the product table.
 Datasheet 07664 Threaded inserts reinforced internal thread, self-locking 237 kB
 Installing and removing threaded inserts 67,3 kB

Drawings

Threaded inserts reinforced internal thread, self-locking

Item selection/filter

Order No.D1
internal
thread
D2
external
thread
L1
length
L
length
Core
drill Ø
Counter-
sink Ø
+0.25
Tap
size
Min.
thread
depth
Removal
drill
Ø
Removal
drilling
depth
Order No.
assembly tools
CADAcc.PriceOrder
07664-104M4M8486,98,3M89,55,5407661-804  on request
07664-105M5M10x1,255108,810,3M10x1,2512,57,54,807661-805  on request
07664-106M6M12x1,2561210,812,3M12x1,2514,59,54,807661-806  on request
07664-108M8M14x1,571412,814,3M14x1,516,511,54,807661-808  on request
07664-110M10M16x1,581614,816,3M16x1,518,513,54,807661-810  on request
07664-112M12M18x1,591816,818,3M18x1,520,515,54,807661-812  on request
07664-114M14M20x1,5102018,820,3M20x1,522,517,54,807661-814  on request
07664-116M16M22x1,5112220,722,3M22x1,524,517,86,407661-816  on request
07664-116X15M16x1,5M22x1,5112220,722,3M22x1,524,517,86,407661-816  on request
07664-118X15M18x1,5M24x1,5122422,524,3M24x1,526,519,86,407661-818  on request
07664-120M20M30x215302830,3M30x234,525,86,407661-820  on request
My norelemE-mailPassword
Shopping cart
Number of items: 0
Amount: 0.00  
shopping cart
欢迎扫描二维码
咨询诺瑞朗官方客服微信
China
苏ICP备20011289号-1  苏公网安备32058502011222 Sitemap Print Recommended Top
Copyright © 2025 norelem. All rights reserved. Tel. +49 71 45/206-44 to 45 · Fax +49 71 45/206-83