norelem uses cookies to optimally design and continually improve the website. By continuing to use this website, you agree to the use of cookies. You can find more information about cookies in our Data protection declaration.okay
Magnets deep pot SmCo
09067

Magnets deep pot SmCo

go back

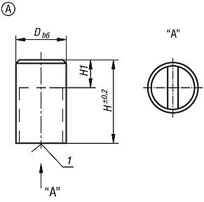
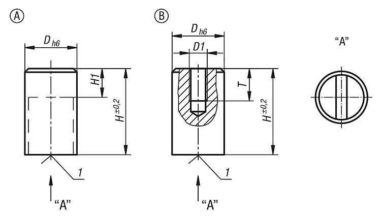
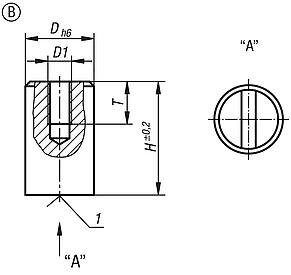
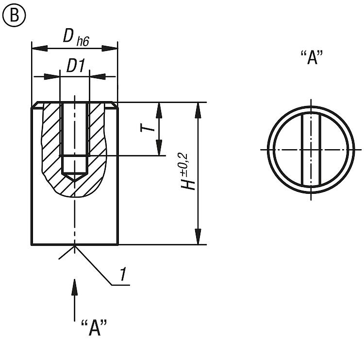
Item description/product images

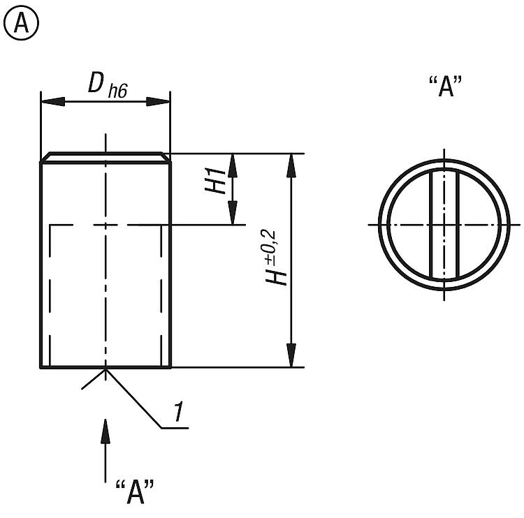
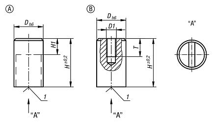
DescriptionMaterial:Housing brass.
Magnetic core SmCo.
Note:Smooth design, shielded system. Diameter “D” ground with h6 tolerance. Under no circumstances may SmCo magnets be pressed directly into iron, loss of attractive force due to magnetic short circuits occurs. SmCo magnets are especially suitable for direct use in spot-welding machines, as no demagnetisation occurs.

Deep pot magnets can be shortened by the dimension “H1” with no loss of magnetic force.
Temperature range:max. 200°C.Drawing reference:
1) magnetic face
Special features:
RoHS
DownloadHere is all the information as a PDF datasheet:

Are you looking for CAD data? These can be found directly in the product table.
 Datasheet 09067 Magnets deep pot SmCo 192 kB
 Date tehnice pentru magneți de reținere și bruți 61,5 kB

Drawings (total overview)

Magnets deep pot SmCo

Magnets deep pot SmCo, Form A

More information

Drawings

Magnets deep pot SmCo, Form A

Item selection/filter

Order No.FormD

HH1Magnetic
force N
Distance
to iron
wall/mm
CADAcc.PriceOrder
09067-01A6201081,5 on request
09067-03A82010221,5 on request
09067-05A10208402 on request
09067-07A13206602,5 on request
09067-09A162021253 on request
09067-11A202552504 on request
09067-13A253574005 on request
09067-15A32404,56006 on request

Magnets deep pot SmCo, Form B

More information

Drawings

Magnets deep pot SmCo, Form B

Item selection/filter

Order No.FormD

D1HTMagnetic
force N
Distance
to iron
wall/mm
CADAcc.PriceOrder
09067-02B6M320581,5 on request
09067-04B8M3205221,5 on request
09067-06B10M4207402 on request
09067-08B13M4207602,5 on request
09067-10B16M42581253 on request
09067-12B20M62562504 on request
09067-14B25M63584005 on request
09067-16B32M64066006 on request
My norelemE-mailPassword
Shopping cart
Number of items: 0
Amount: 0.00  
shopping cart
欢迎扫描二维码
咨询诺瑞朗官方客服微信
China
苏ICP备20011289号-1  苏公网安备32058502011222 Sitemap Print Recommended Top
Copyright © 2025 norelem. All rights reserved. Tel. +49 71 45/206-44 to 45 · Fax +49 71 45/206-83