norelem uses cookies to optimally design and continually improve the website. By continuing to use this website, you agree to the use of cookies. You can find more information about cookies in our Data protection declaration.okay
Magnets deep pot with internal thread NdFeB
09068

Magnets deep pot with internal thread NdFeB

go back

Item description/product images

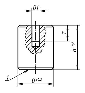
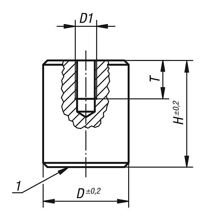
DescriptionMaterial:Housing, steel.
Magnetic core NdFeB.
Version:Housing, electro zinc-plated.Note:Shielded system. Deep pot magnets are used for mounting in steel and iron. This requirement is principally stipulated in plant and machine construction.
Can also be used in blind holes.

Size D=50 has 4 magnets Ø18 mm.
Temperature range:max. 80°C.Drawing reference:
1) magnetic face
Special features:
RoHS
DownloadHere is all the information as a PDF datasheet:

Are you looking for CAD data? These can be found directly in the product table.
 Datasheet 09068 Magnets deep pot with internal thread NdFeB 171 kB
 Date tehnice pentru magneți de reținere și bruți 61,5 kB

Drawings

Magnets deep pot with internal thread NdFeB

Item selection/filter

Order No.

DD1HTCan be
shortened
by (mm)
Magnetic
force
N
CADAcc.PriceOrder
09068-018M3125312 on request
09068-0210M4167724 on request
09068-0313M4187360 on request
09068-0416M4207690 on request
09068-0520M52599135 on request
09068-0625M630910190 on request
09068-0735M8401310300 on request
09068-0850M12501313550 on request
My norelemE-mailPassword
Shopping cart
Number of items: 0
Amount: 0.00  
shopping cart
欢迎扫描二维码
咨询诺瑞朗官方客服微信
China
苏ICP备20011289号-1  苏公网安备32058502011222 Sitemap Print Recommended Top
Copyright © 2025 norelem. All rights reserved. Tel. +49 71 45/206-44 to 45 · Fax +49 71 45/206-83