norelem uses cookies to optimally design and continually improve the website. By continuing to use this website, you agree to the use of cookies. You can find more information about cookies in our Data protection declaration.okay
Magnets shallow pot NdFeB
09069

Magnets shallow pot NdFeB

go back

Item description/product images

Show/filter all items
DescriptionMaterial:Housing, steel.
Magnetic core NdFeB.
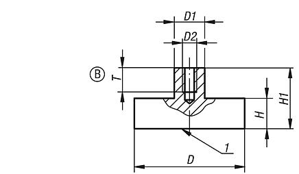
Version:Housing, electro zinc-plated.Note:Shielded system. With the permanent magnetic material NdFeB the attracive force increases by ca. 10-20 % compared with SmCo. Temperature range:max. 80°C.Drawing reference:
1) magnetic face
DownloadHere is all the information as a PDF datasheet:

Are you looking for CAD data? These can be found directly in the product table.
 Datasheet 09069 Magnets shallow pot NdFeB 137 kB
 Date tehnice pentru magneți de reținere și bruți 61,5 kB

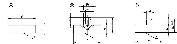
Drawings (total overview)

Magnets shallow pot NdFeB

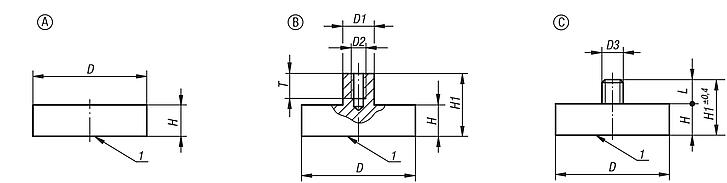
Magnets shallow pot NdFeB, Form A

More information

Drawings

Magnets shallow pot NdFeB, Form A

Item selection/filter

Order No.

FormDHMagnetic
force
N
CADAcc.PriceOrder
09069-01A6 ±0,154,55 on request
09069-02A8 ±0,154,513 on request
09069-03A10 ±0,154,525 on request
09069-04A13 ±0,154,560 on request
09069-05A16 ±0,154,595 on request
09069-06A20 ±0,156140 on request
09069-07A25 ±0,157200 on request
09069-08A32 ±0,207350 on request

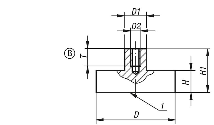
Magnets shallow pot NdFeB, Form B

More information

Drawings

Magnets shallow pot NdFeB, Form B

Item selection/filter

Order No.FormDD1D2HH1TMagnetic
force
N
CADAcc.PriceOrder
09069-11B6 ±0,156M34,511,565 on request
09069-12B8 ±0,156M34,511,5713 on request
09069-13B10 ±0,156M34,511,5725 on request
09069-14B13 ±0,156M34,511,5660 on request
09069-15B16 ±0,156M44,511,5795 on request
09069-16B20 ±0,158M46139140 on request
09069-17B25 ±0,158M47149200 on request
09069-18B32 ±0,2010M5715,510350 on request
09069-19B40 ±0,210M681813670 on request
09069-20B47 ±0,212M69,220,513750 on request
09069-21B50 ±0,215M81022131000 on request

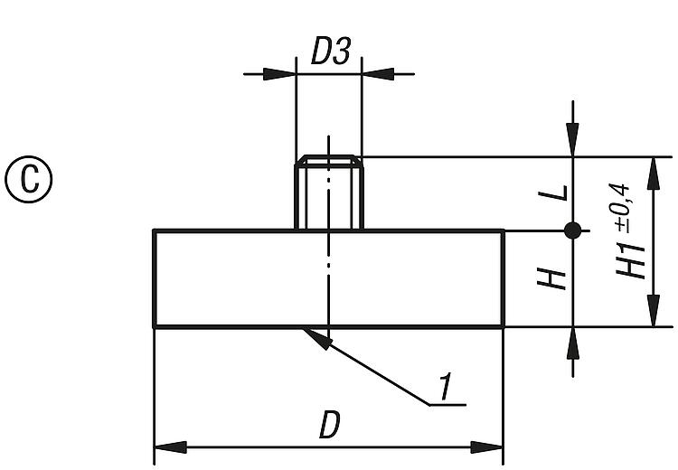
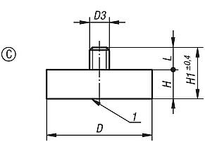
Magnets shallow pot NdFeB, Form C

More information

Drawings

Magnets shallow pot NdFeB, Form C

Item selection/filter

Order No.FormDD3HH1LMagnetic
force
N
CADAcc.PriceOrder
09069-23C10 ±0,15M34,511,5725 on request
09069-24C13 ±0,15M54,512,5860 on request
09069-25C16 ±0,15M64,512,5895 on request
09069-26C20 ±0,15M661610140 on request
09069-27C25 ±0,15M671710200 on request
09069-28C32 ±0,20M671710350 on request
09069-29C40 ±0,2M882012670 on request
09069-30C47 ±0,2M89,222,213790 on request
My norelemE-mailPassword
Shopping cart
Number of items: 0
Amount: 0.00  
shopping cart
欢迎扫描二维码
咨询诺瑞朗官方客服微信
China
苏ICP备20011289号-1  苏公网安备32058502011222 Sitemap Print Recommended Top
Copyright © 2025 norelem. All rights reserved. Tel. +49 71 45/206-44 to 45 · Fax +49 71 45/206-83