norelem uses cookies to optimally design and continually improve the website. By continuing to use this website, you agree to the use of cookies. You can find more information about cookies in our Data protection declaration.okay
Magnets shallow pot with tapped pin NdFeB, with rubber protective jacket
09114

Magnets shallow pot with tapped pin NdFeB, with rubber...

go back

Item description/product images

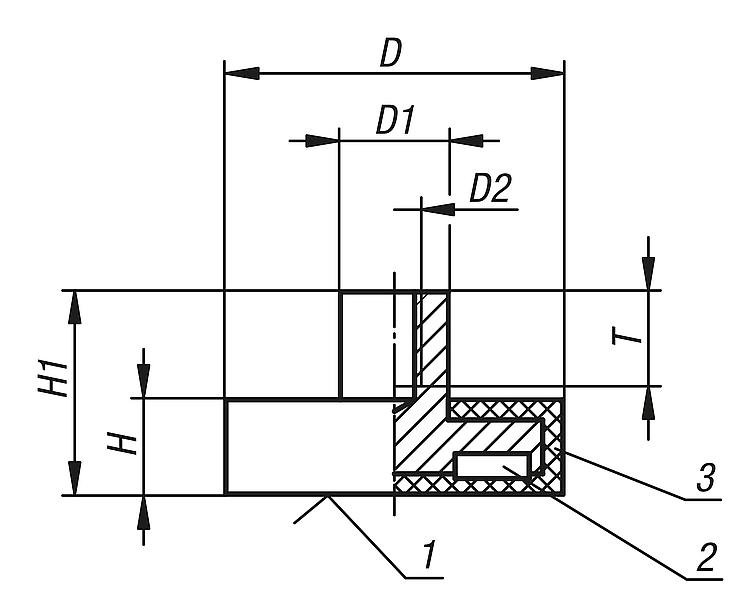
DescriptionMaterial:Housing, steel.
Magnetic core NdFeB (neodym).
Protective rubber jacket, synthetic rubber.
Version:Housing, electro zinc-plated.
Black protective rubber jacket.
Note:Shallow pot magnets with tapped pin, shielded system. With rubber protective jacket for protecting sensitive surfaces. The coefficient of friction is increased by the rubber jacket so that high lateral friction is achieved.Temperature range:max. 60°C.Drawing reference:
1) magnetic face
2) magnet
3) rubber
DownloadHere is all the information as a PDF datasheet:

Are you looking for CAD data? These can be found directly in the product table.
 Datasheet 09114 Magnets shallow pot with tapped pin NdFeB, with rubber protective jacket 123 kB

Drawings

Magnets shallow pot with tapped pin NdFeB, with rubber protective jacket

Item selection/filter

Order No.

DD1D2HH1TMagnetic
force
N
CADAcc.PriceOrder
09114-01128M4714,8610 on request
09114-07188M4611,5637 on request
09114-02228M4611,5650 on request
09114-03318M4611,5575 on request
09114-04438M4610,5585 on request
09114-056610M58,2158180 on request
09114-068812M88,21711420 on request
My norelemE-mailPassword
Shopping cart
Number of items: 0
Amount: 0.00  
shopping cart
欢迎扫描二维码
咨询诺瑞朗官方客服微信
China
苏ICP备20011289号-1  苏公网安备32058502011222 Sitemap Print Recommended Top
Copyright © 2025 norelem. All rights reserved. Tel. +49 71 45/206-44 to 45 · Fax +49 71 45/206-83