|
|
|
09130Magnets, round (electromagnets) |
go back |
|
Item description/product images |
|
|
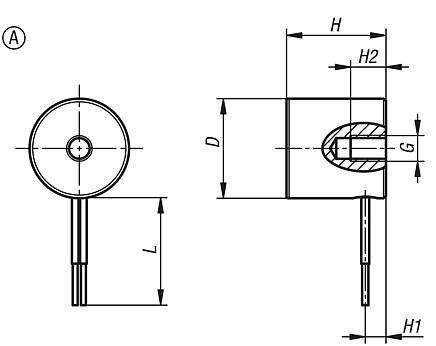
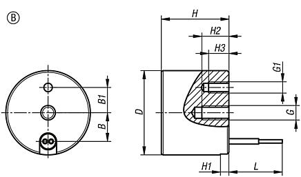
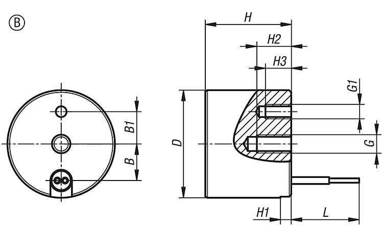
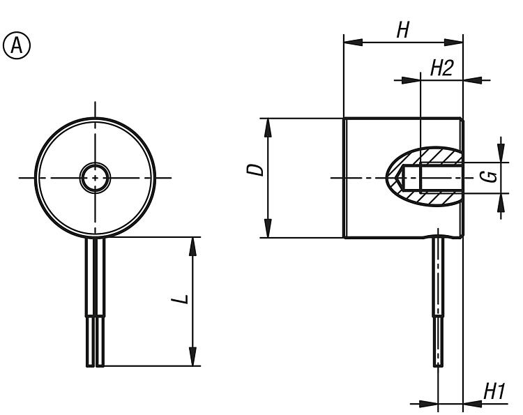
DescriptionMaterial:Housing steel. Coil housing plastic.Note:The electromagnets are operated with direct current. This generates a magnetic field through the coil in the core. The force field disappears again after the current is switched off.
The electromagnets are attached using the threads on the back. The power connection is made via free wires.
The specified magnetic forces may be lower depending on the material thickness and the surface finish of the material.
By D = 15, the electromagnet only has a large thread in the centre.Technical data:Voltage: 24V DC. Rating: up to IP 65. Temperature range: up to 155 °C (insulation class F). Duty cycle: 100 %.Application:The electromagnets are used for holding, supporting and fixating ferromagnetic workpieces.On request:Voltage 12V DC.Drawing reference:Form A: Wire from the side Form B: Wire from underneath Special features: DownloadHere is all the information as a PDF datasheet:
Are you looking for CAD data? These can be found directly in the product table.
|
Drawings (total overview) |
Order No. | Form | D | G | H | H1 | H2 | L | Magnetic force N | W | Nom. tension VDC | CAD | Acc. | Price | Order |
|---|
| 09130-010010 | A | 10 | M2 | 10 | 3 | 4 | 250 | 3 | 1 | 24 |  | | on request | | | 09130-012012 | A | 12 | M3 | 12 | 4 | 6 | 250 | 15 | 1 | 24 |  | | on request | |
|
Order No. | Form | B | B1 | D | G | G1 | H | H1 | H2 | H3 | L | Magnetic force N | W | Nom. tension VDC | CAD | Acc. | Price | Order |
|---|
| 09130-015015 | B | 5,2 | - | 15 | M4 | - | 15 | 2 | 6 | - | 250 | 25 | 1,4 | 24 |  | | on request | | | 09130-018011 | B | 6,5 | 6 | 18 | M3 | M03 | 11 | 1,5 | 5 | 2 | 250 | 45 | 1,4 | 24 |  | | on request | | | 09130-025020 | B | 8,5 | 7,5 | 25 | M4 | M03 | 20 | 2 | 6 | 3 | 250 | 140 | 3,2 | 24 |  | | on request | | | 09130-032022 | B | 11,5 | 9 | 32 | M4 | M03 | 22 | 3 | 10 | 4 | 250 | 240 | 3,6 | 24 |  | | on request | | | 09130-040026 | B | 14,5 | 13 | 40 | M5 | M03 | 25,5 | 4,5 | 10 | 4 | 250 | 475 | 5,2 | 24 |  | | on request | | | 09130-050027 | B | 19 | 17 | 50 | M5 | M03 | 27 | 4 | 10 | 4,5 | 250 | 760 | 6,5 | 24 |  | | on request | | | 09130-063030 | B | 25 | 20 | 63 | M8 | M04 | 30 | 5 | 16 | 5,5 | 250 | 1050 | 9 | 24 |  | | on request | | | 09130-080038 | B | 33 | 25 | 80 | M8 | M04 | 38 | 7 | 16 | 7,5 | 500 | 2400 | 15 | 24 |  | | on request | | | 09130-100043 | B | 42,5 | 37,5 | 100 | M10 | M05 | 43 | 9 | 20 | 10 | 500 | 3400 | 20,5 | 24 |  | | on request | | | 09130-150056 | B | 62 | 55 | 150 | M16 | M06 | 56 | 10 | 24 | 10 | 500 | 9300 | 37 | 24 |  | | on request | | | 09130-180063 | B | 77 | 65 | 180 | M24 | M08 | 63 | 12 | 36 | 13 | 500 | 15000 | 50 | 24 |  | | on request | | | 09130-250080 | B | 107 | 90 | 250 | M24 | M08 | 80 | 15 | 36 | 15 | 3000 | 30000 | 90 | 24 |  | | on request | |
|
Other items in this category |
|
|