norelem uses cookies to optimally design and continually improve the website. By continuing to use this website, you agree to the use of cookies. You can find more information about cookies in our Data protection declaration.okay

Item description/product images

DescriptionMaterial:Bush clamp 1.0711.
Cap screw steel.
Version:Clamping bush, black oxidised.
Cap screw, electro zinc-plated.
Note:DIN 912 cap screws are supplied.
The clamping bush 08926-081X12 is left bright.
Special features:
RoHS
DownloadHere is all the information as a PDF datasheet:

Are you looking for CAD data? These can be found directly in the product table.
 Datasheet 08926 Drill bush clampsDIN 173-1 258 kB

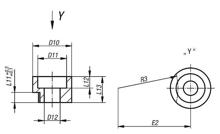
Drawings

Drill bush clampsDIN 173-1

Item selection/filter

Order No.D12for
drill bushes
(D1)
D10D11L11L12L13E2R3Socket head
screw DIN 912
CADAcc.PriceOrder
08926-051X085,1≤6.0131034813,29,5M5x16 on request
08926-061X106,1> 6,0 ≤ 12,01612451019,715M6x20 on request
08926-081X128,1> 12.0 ≤ 30,020155,551236,230M8x25 on request

Information about this article

DIN 173-1 drill bush clamps

If replaceable drill bushes are required for an application, the acquisition of DIN 173 drill bush clamps is recommended. They are used to secure the replaceable drill bushes and lead to easier tool use. The 1.0711 drill bush clamp is supplied with a steel DIN 912 cap screw eliminating the need to acquire the screw, required for the functionality of the clamp, separately. The screw comes in the sizes M5x16, M6x20 and M8x25.

The replaceable drill bush is secured using the drill bush clamp and ensures safety during machining. It is available in three versions, internal diameter up to 6 mm, from 6 to 12 mm and 12 to 30 mm. 

My norelemE-mailPassword
Shopping cart
Number of items: 0
Amount: 0.00  
shopping cart
欢迎扫描二维码
咨询诺瑞朗官方客服微信
China
苏ICP备20011289号-1  苏公网安备32058502011222 Sitemap Print Recommended Top
Copyright © 2025 norelem. All rights reserved. Tel. +49 71 45/206-44 to 45 · Fax +49 71 45/206-83