|
Item description/product images |
|
|
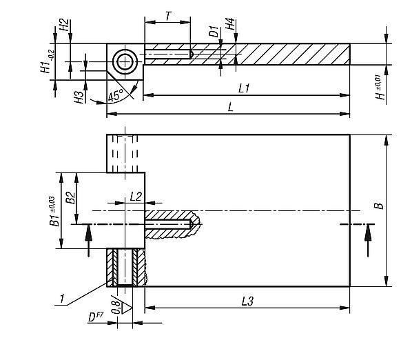
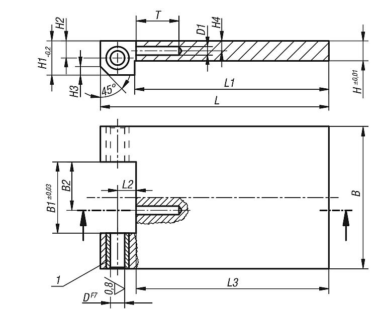
DescriptionMaterial:1.0036Version:Bright.Note:Spring, pin and shim washers are supplied.Drawing reference:Special features: DownloadHere is all the information as a PDF datasheet:
Are you looking for CAD data? These can be found directly in the product table.
|
Order No. | L | L1 | L2 | L3 | B | B1 | B2 | H | H1 | H2 | H3 | H4 | D | D1 | T | Status | CAD | Acc. | Price | Order |
|---|
| 08000-03 | 150 | 130 | 10,5 | 129,5 | 100 | 50 | 33 | 16 | 19,5 | 10 | 7,5 | 5 | 8 | 3 | 15 | expiring |  | | on request | |
Other items in this category |
|
|