norelem uses cookies to optimally design and continually improve the website. By continuing to use this website, you agree to the use of cookies. You can find more information about cookies in our Data protection declaration.okay
Drilling platesDIN 6348 enhanced
08570

Drilling plates DIN 6348 enhanced

go back

Item description/product images

Show/filter all items
DescriptionMaterial:Steel.Version:Black oxidised.
08570-13 bright.
Special features:
RoHS
DownloadHere is all the information as a PDF datasheet:

Are you looking for CAD data? These can be found directly in the product table.
 Datasheet 08570 Drilling platesDIN 6348 enhanced 157 kB

Drawings (total overview)

Drilling platesDIN 6348 enhanced

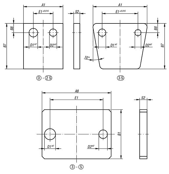
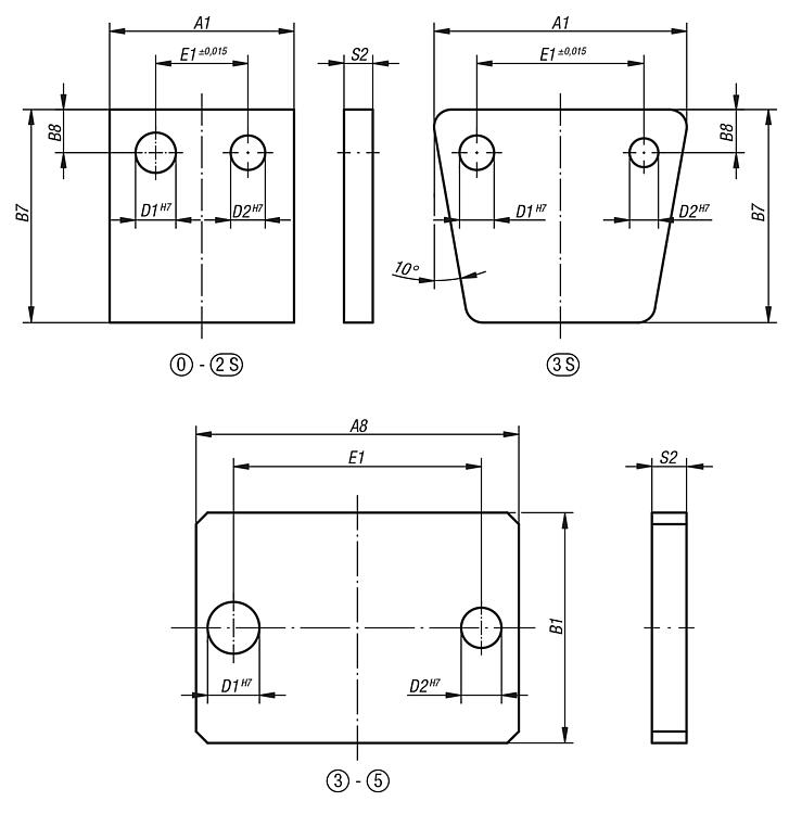
Drilling plates, DIN 6348 enhanced, size 0 to 3 S

More information

Drawings

Drilling plates, DIN 6348 enhanced, size 0 to 3 S

Item selection/filter

Order No.SizeSuitable for
jig size
Jig
dimensions
A1B7B8E1D1D2S2CADAcc.PriceOrder
08570-000 - 3S060 x 3250569241098 on request
08570-010 - 3S180 x 5080801428141412 on request
08570-020 - 3S2 2S100 x 60 100 x 60 x 115100961650161614 on request
08570-130 - 3S3S125 x 10016813017132201815 on request

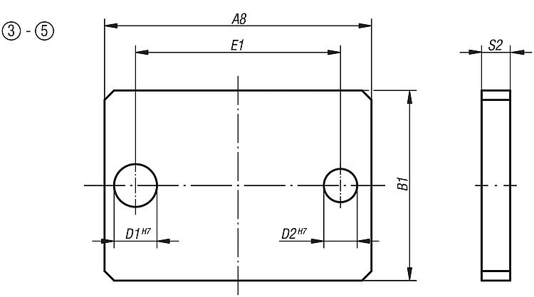
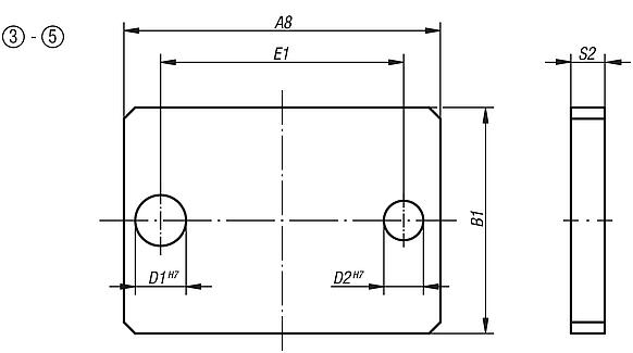
Drilling plates, DIN 6348 enhanced, size 3 to 5

More information

Drawings

Drilling plates, DIN 6348 enhanced, size 3 to 5

Item selection/filter

Order No.SizeSuitable for
jig size
Jig
dimensions
A8B1E1D1D2S2CADAcc.PriceOrder
08570-033 - 53100 x 125170125132 ±0,015201816 on request
08570-043 - 54200 x 160275160236 ±0,015201816 on request
08570-053 - 55300 x 190380190335 ±0,015242220 on request
My norelemE-mailPassword
Shopping cart
Number of items: 0
Amount: 0.00  
shopping cart
欢迎扫描二维码
咨询诺瑞朗官方客服微信
China
苏ICP备20011289号-1  苏公网安备32058502011222 Sitemap Print Recommended Top
Copyright © 2025 norelem. All rights reserved. Tel. +49 71 45/206-44 to 45 · Fax +49 71 45/206-83