|
|
|
01247-05Fastening blocks Form M |
go back |
|
Item description/product images |
|
|
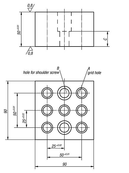
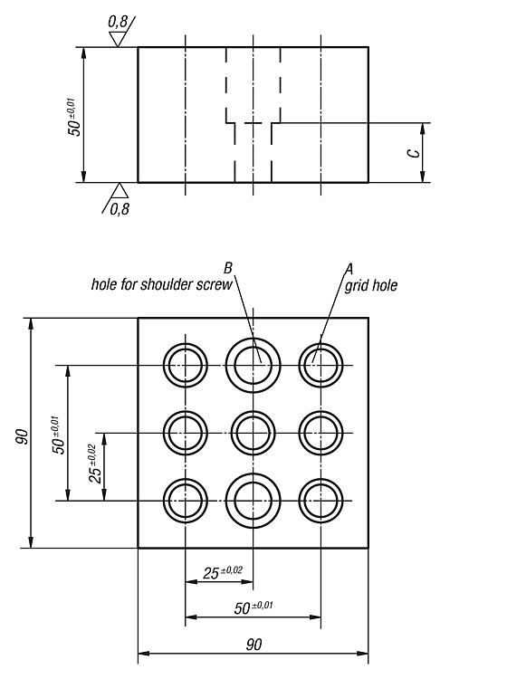
DescriptionMaterial:Carbon steel.Version:Black oxidised. Contact faces ground.Note:Fastening blocks are used as riser elements in all system elements that have no movable support and contact faces. These include e.g. locating supports 02394, vertical prisms 02388-05-600. They also offer the possibility to position and secure elements within a 50 ±0.01 mm grid (see application example).Special features: DownloadHere is all the information as a PDF datasheet:
Are you looking for CAD data? These can be found directly in the product table.
|
| Order No. | A locating hole
| A thread | B Ø for shoulder screw
| C | No. of grid holes | No. of mounting holes | Suitable shoulder screw | weight kg | CAD | Acc. | Price | Order |
|---|
| 01247-05-12112050 | 12 F7 | M12 | 12 F7 | 22 | 7 | 2 | 07533-112055 | 2.693 |  | | on request | | | 01247-05-12116050 | 16 F7 | M16 | 16 F7 | 26 | 7 | 2 | 07533-116055 | 2.38 |  | | on request | |
Other items in this category |
|
|