norelem uses cookies to optimally design and continually improve the website. By continuing to use this website, you agree to the use of cookies. You can find more information about cookies in our Data protection declaration.okay

Item description/product images

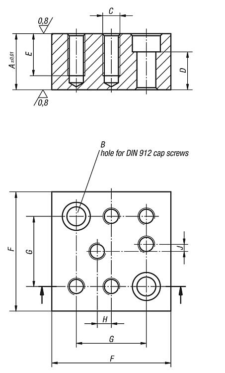
DescriptionMaterial:Carbon steel.Version:Black oxidised.
Contact faces ground.
Note:Riser blocks are used to achieve a certain support height. The additional tapped holes in the risers are for mounting further fixture elements.Special features:
RoHS
DownloadHere is all the information as a PDF datasheet:

Are you looking for CAD data? These can be found directly in the product table.
 Datasheet 01247-05 Risers Form D 334 kB

Drawings

Risers Form D

Item selection/filter

Order No.AB
hole for
DIN 912 screw
CDEFGHJweight
kg
CADAcc.PriceOrder
01247-05-1401202525M12M12122585501051.218 on request
01247-05-1401203232M12M12193285501051.56 on request
01247-05-1401204040M12M12273085501051.97 on request
01247-05-1401205050M12M12373085501052.5 on request
01247-05-1401602525M16M1682585501051.039 on request
01247-05-1401603232M16M16153285501051.33 on request
01247-05-1401604040M16M16233585501051.7 on request
01247-05-1401605050M16M16333585501052.123 on request
My norelemE-mailPassword
Shopping cart
Number of items: 0
Amount: 0.00  
shopping cart
欢迎扫描二维码
咨询诺瑞朗官方客服微信
China
苏ICP备20011289号-1  苏公网安备32058502011222 Sitemap Print Recommended Top
Copyright © 2025 norelem. All rights reserved. Tel. +49 71 45/206-44 to 45 · Fax +49 71 45/206-83