|
Item description/product images |
|
|
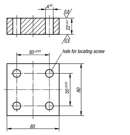
DescriptionMaterial:Carbon steel.Version:Black oxidised. Contact faces ground.Note:When several grid plates 01126 are used, joint blocks are needed to maintain the correct pitch of the M.T.P. holes from one grid plate to the next. They are fastened using 4 locating bolts 07533-1....Special features: DownloadHere is all the information as a PDF datasheet:
Are you looking for CAD data? These can be found directly in the product table.
|
| Order No. | A | Suitable shoulder screw | CAD | Acc. | Price | Order |
|---|
| 01126-01-40012050 | 12 | 07533-112055 |  | | on request | | | 01126-01-40016050 | 16 | 07533-116065 |  | | on request | |
Other items in this category |
|
|