norelem uses cookies to optimally design and continually improve the website. By continuing to use this website, you agree to the use of cookies. You can find more information about cookies in our Data protection declaration.okay

Item description/product images

Show/filter all items
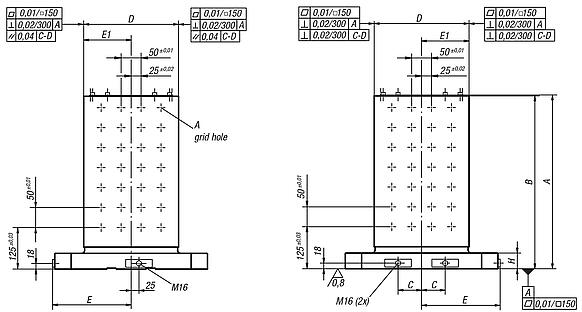
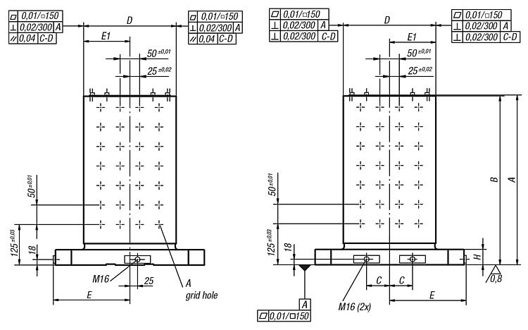
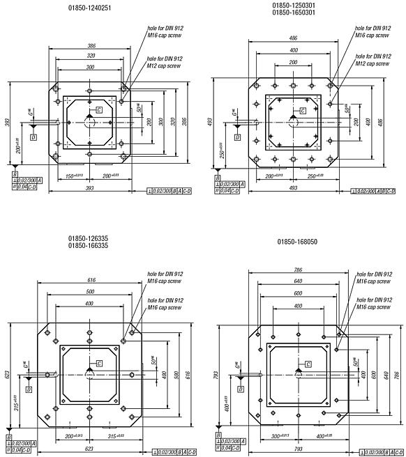
DescriptionMaterial:GJL 300.Version:Reference surfaces precision machined.
The clamping surfaces have 0.5 mm allowance.
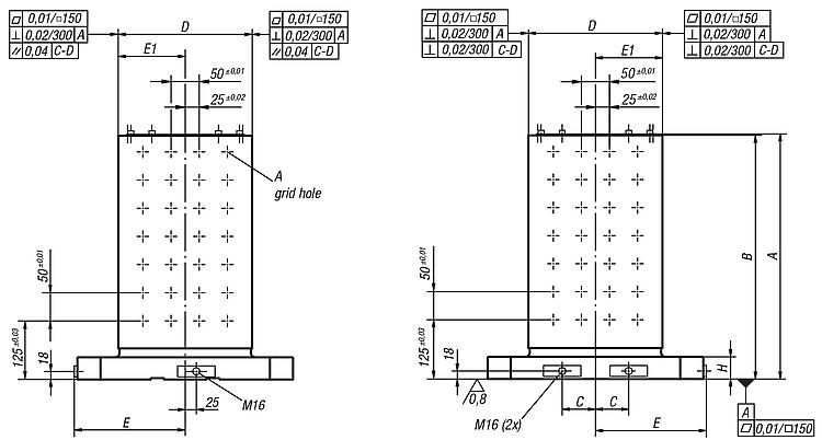
Note:Grid hole pitch 50 ±0.01 mm.
Grid hole plugs and ring bolts for lifting are supplied.
A cover prevents the cavities of the tombstones filling with swarf. Workpieces can be mounted on all four clamping surfaces directly or using fixtures. Code numbers on the clamping surfaces prevent mounting the wrong part on the wrong face when different workpieces are being machined. The cube tombstones are matched to subplates for machine tools acc. to DIN 55201 and JIS 6337-1980.
Other dimensions on request.
Special features:
RoHS
DownloadHere is all the information as a PDF datasheet:

Are you looking for CAD data? These can be found directly in the product table.
 Datasheet 01850 Tombstones cube 369 kB
 Technical information for positioning basic elements on machine tables 1,5 MB
 Technical information for grid holes and grid pitches, M12, M16 92,3 kB

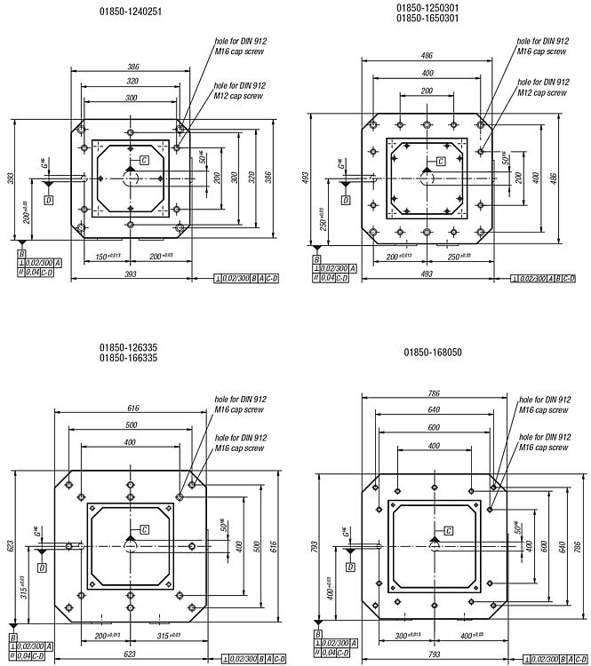
Drawings (total overview)

Tombstones cube
Tombstones cube

Tombstones cube with grid holes

More information

Drawings

Tombstones cube with grid holes
Tombstones cube with grid holes

Item selection/filter

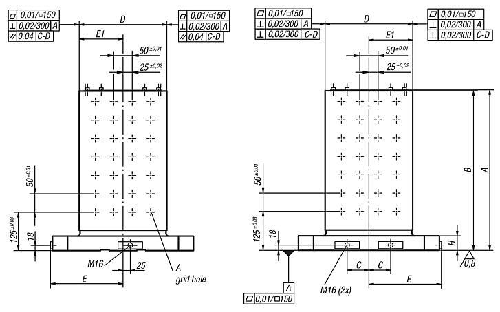
Tombstones cube without grid holes

More information

Drawings

Tombstones cube without grid holes
Tombstones cube without grid holes

Item selection/filter

Order No.Version 1A

BCDEE1GHCADAcc.PriceOrder
My norelemE-mailPassword
Shopping cart
Number of items: 0
Amount: 0.00  
shopping cart
欢迎扫描二维码
咨询诺瑞朗官方客服微信
China
苏ICP备20011289号-1  苏公网安备32058502011222 Sitemap Print Recommended Top
Copyright © 2025 norelem. All rights reserved. Tel. +49 71 45/206-44 to 45 · Fax +49 71 45/206-83