norelem uses cookies to optimally design and continually improve the website. By continuing to use this website, you agree to the use of cookies. You can find more information about cookies in our Data protection declaration.okay
Clamping towers, grey cast iron, 6-sided, with pre-machined clamping faces
01855

Clamping towers, grey cast iron, 6-sided, with pre-machined...

go back

Item description/product images

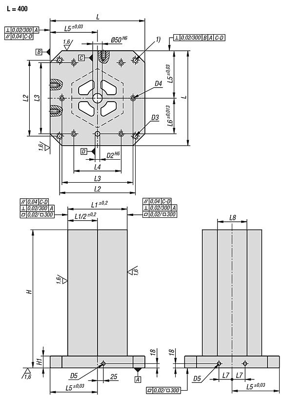
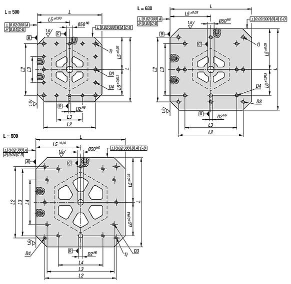
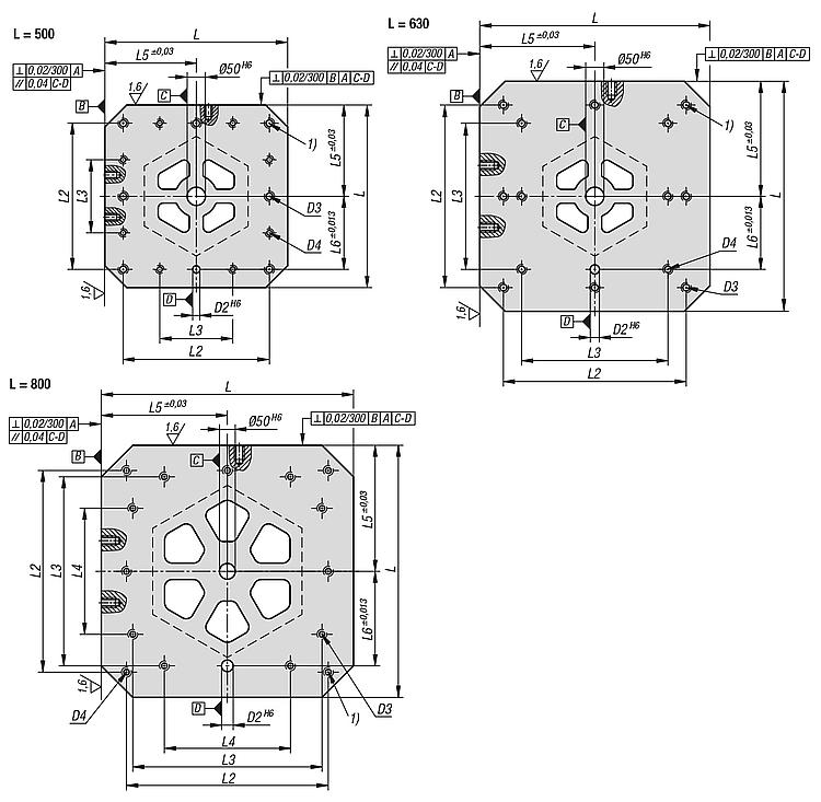
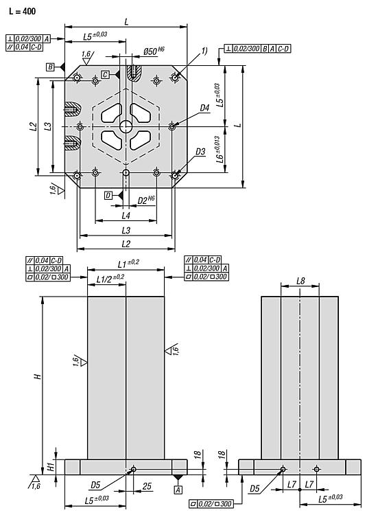
DescriptionMaterial:GJL 300.Version:Support and clamping faces are precision-machined.
The clamping faces have a +1 mm allowance.
Note:Clamping towers with pre-machined clamping faces provide a fast and economic way of producing bodies with specific grid or individual holes. The base is ready for mounting on the machine table. The clamping faces can be machined to the end dimensions by the user. The clamping towers conform to machine tables for machine tools acc. to DIN 55201 and JIS6337-1980.
Please order locating pins for positioning subplates on machine tables acc. to DIN 55201 separately.
Ring bolts for hoisting are supplied.
Other dimensions available on request.
On request:other dimensions.Drawing reference:
1) hole for DIN 912 cap screw (D3/D4)
Special features:
RoHS
DownloadHere is all the information as a PDF datasheet:

Are you looking for CAD data? These can be found directly in the product table.
 Datasheet 01855 Clamping towers, grey cast iron, 6-sided, with pre-machined clamping faces 286 kB
 Technical information for positioning basic elements on machine tables 1,5 MB

Drawings

Clamping towers, grey cast iron, 6-sided, with pre-machined clamping faces
Clamping towers, grey cast iron, 6-sided, with pre-machined clamping faces

Item selection/filter

Order No.L

HH1D2D3D4D5L1L2L3L4L5L6L7L8CADAcc.PriceOrder
01855-100400504005005020M16M12M1625132030020020015055144,6 on request
01855-100400654006505020M16M12M1625132030020020015055144,6 on request
01855-100500605006005020M16M12M16301400200-25020075173,6 on request
01855-100500755007505020M16M12M16301400200-25020075173,6 on request
01855-100630706307005025M16M16M16351500400-315200100202,6 on request
01855-100630856308505025M16M16M16351500400-315200100202,6 on request
01855-100800808008005025M16M16M16501640600400400300135289,6 on request
01855-1008010080010005025M16M16M16501640600400400300135289,6 on request
My norelemE-mailPassword
Shopping cart
Number of items: 0
Amount: 0.00  
shopping cart
欢迎扫描二维码
咨询诺瑞朗官方客服微信
China
苏ICP备20011289号-1  苏公网安备32058502011222 Sitemap Print Recommended Top
Copyright © 2025 norelem. All rights reserved. Tel. +49 71 45/206-44 to 45 · Fax +49 71 45/206-83