norelem uses cookies to optimally design and continually improve the website. By continuing to use this website, you agree to the use of cookies. You can find more information about cookies in our Data protection declaration.okay
Ball transfer units with plastic housing
95153

Ball transfer units with plastic housing

go back

Item description/product images

Show/filter all items
DescriptionMaterial:Housing and cap POM.
Bearing ball stainless steel.
Load ball stainless steel or plastic.
Version:Stainless steel, hardened.Note:The ball transfer units are made of a certified blue plastic which is suitable for use in the foodstuff sector. The ball transfer units are equipped with a gap-free and sealed cap, which prevents the formation of soiled edges.

The dirt holes on the lower side of the housing facilitate particularly easy cleaning of the ball transfer units.

Conveying speed up to 1.5 m/s.

Food compliant: Food grade, EU Regulation 1935/2004, EU Regulation 10/2011.

Cap and housing made from POM, bearing balls from stainless steel, load balls from POM or stainless steel.
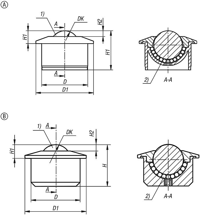
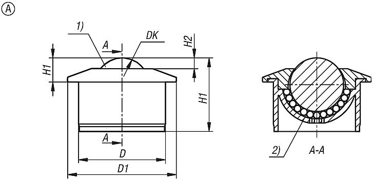
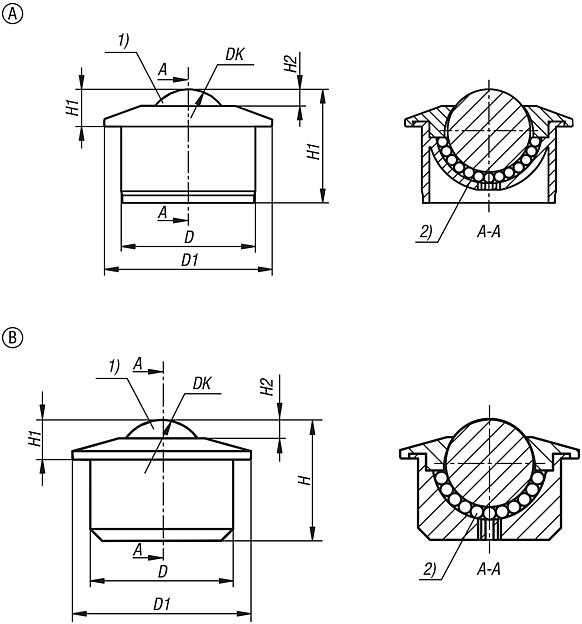
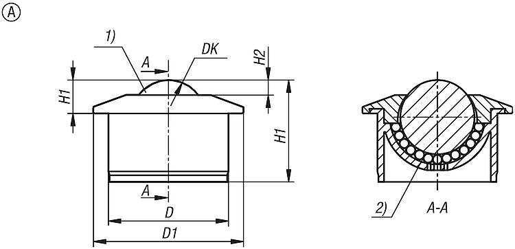
Temperature range:-30 °C to +50 °C (up to +30°C with plastic load balls)Drawing reference:
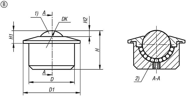
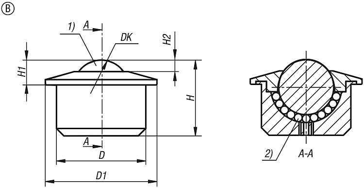
1) Load ball
2) Bearing ball
Special features:
RoHS
DownloadHere is all the information as a PDF datasheet:

Are you looking for CAD data? These can be found directly in the product table.
 Datasheet 95153 Ball transfer units with plastic housing 154 kB

Drawings (total overview)

Ball transfer units with plastic housing

Ball transfer unit with plastic housing, Form A

More information

Drawings

Ball transfer unit with plastic housing, Form A

Item selection/filter

Order No.FormMaterial
load ball
Material
bearing ball
D

D1DKHH1H2Load
rating C
(N)
Kind of fasteningCADAcc.PriceOrder
95153-1501APolyamideStainless steel24±0,131±0,215,87520,5±0,29,5±0,24,5200press-in on request
95153-1511AStainless steelStainless steel24±0,131±0,215,87520,5±0,29,5±0,24,5200press-in on request
95153-2201APolyamideStainless steel36±0,145±0,222,22530,5±0,210±0,24,5250press-in on request
95153-2211AStainless steelStainless steel36±0,145±0,222,22530,5±0,210±0,24,5250press-in on request

Ball transfer unit with plastic housing, Form B

More information

Drawings

Ball transfer unit with plastic housing, Form B

Item selection/filter

Order No.FormMaterial
load ball
Material
bearing ball
D

D1DKHH1H2Load
rating C
(N)
Kind of fasteningStatusCADAcc.PriceOrder
95153-151BStainless steelStainless steel24±0,131±0,215,87520,5±0,29,5±0,24,5200press-inexpiring on request
95153-221BStainless steelStainless steel36±0,145±0,222,22530,5±0,210±0,24,5250press-inexpiring on request
95153-300BPolyamideStainless steel45±0,155±0,13037±0,114±0,15,5350press-in on request
95153-301BStainless steelStainless steel45±0,155±0,13037±0,114±0,15,5350press-in on request
95153-440BPolyamideStainless steel62±0,175±0,144,553,5±0,119±0,19500press-in on request
95153-441BStainless steelStainless steel62±0,175±0,144,553,5±0,119±0,19500press-in on request
My norelemE-mailPassword
Shopping cart
Number of items: 0
Amount: 0.00  
shopping cart
欢迎扫描二维码
咨询诺瑞朗官方客服微信
China
苏ICP备20011289号-1  苏公网安备32058502011222 Sitemap Print Recommended Top
Copyright © 2025 norelem. All rights reserved. Tel. +49 71 45/206-44 to 45 · Fax +49 71 45/206-83