norelem uses cookies to optimally design and continually improve the website. By continuing to use this website, you agree to the use of cookies. You can find more information about cookies in our
Data protection declaration
.
okay
Locations
Ideas
Conditions of use
Legal notice
Privacy Policy
Products
Company
Service
Download
News
Contact
Product overview
positioning
Flexible standard component system
assembling
Assembly system
moving
Systems / components for machine and plant construction
measuring
Measuring and testing components
clamping
Clamping technology
controlling
Electromechanics
transporting
Material handling and transport
technoshop
norelem inch
Inch parts
95158
Ball transfer units with fastening holes, without housing
go back
Products
Product overview
Material handling and transport
Material handling and transport
Ball transfer units
Ball transfer units with fastening holes, without housing
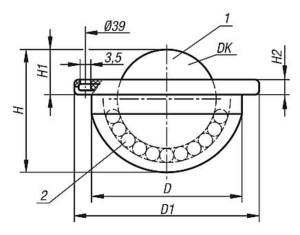
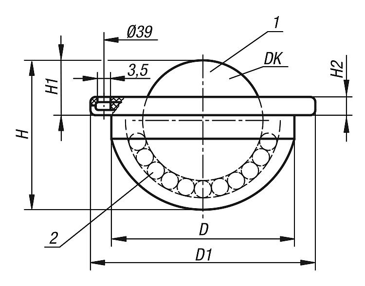
Item description/product images
Description
Material:
Steel electro zinc-plated.
Note:
Ball transfer units with fastening holes for easy installation and removal.
Drawing reference:
1) load ball
2) bearing balls
Form B: cap and housing electro zinc-plated, balls steel
Form C: cap and housing electro zinc-plated, balls stainless steel
Special features:
Download
Here is all the information as a PDF datasheet:
Are you looking for CAD data? These can be found directly in the product table.
Datasheet 95158 Ball transfer units with fastening holes, without housing
226 kB
Mounting instructions and specifications for ball transfer units
62 kB
Drawings
Item selection/filter
Order No.
Material
Material
DK
D
D1
H
H1
H2
No. of
fastening
holes
Load
rating C
(N)
CAD
Acc.
Price
Order
95158-122
steel
steel
22
33-0,2
45
27,7
9,8±0,2
5
3
1200
on request
95158-222
Stainless steel
Stainless steel
22
33-0,2
45
27,7
9,8±0,2
5
3
900
on request
Other items in this category
<<
|
<
|
1-10
|
11-12
|
>
|
>>
95150
Ball transfer units
with steel housing
95152
Ball transfer units
with steel housing and plastic ball
95153
Ball transfer units with plastic housing
95154
Ball transfer units
undersprung
95156
Ball transfer units with solid steel housing
95156-01
Ball transfer units heavy duty
stainless steel
95156-02
Ball transfer units heavy duty
stainless steel, suitable for outdoor use
95160
Ball transfer units with spring clips
95161
Ball transfer units steel
with clampable ball
95164
Tolerance rings
<<
|
<
|
1-10
|
11-12
|
>
|
>>
My norelem
E-mail
Password
Forgotten password?
I'm new to this site
Shopping cart
Number of items:
0
Amount:
0.00
€
shopping cart
欢迎扫描二维码
咨询诺瑞朗官方客服微信
Algérie
Andorra
Argentina
Australia
België
Bolivia
Bosna i Hercegovina
Brasil
Canada
Česká republika
Chile
中国
Colombia
Costa Rica
Cuba
Danmark
Dem. Peop. Rep. of Korea
Deutschland
Ecuador
Eesti
España
Georgia
香港
Hrvatska
India
Ireland
Ísland
Italia
Jamaica
日本
Latvija
Liechtenstein
Lietuvos
Luxemburg
Magyarország
Malaysia
Malta
México
Nederland
New Zealand
Norge
Österreich
Pakistan
Paraguay
Perú
Polska
Portugal
Principauté de Monaco
台灣
Rep. di San Marino
대한민국
România
Schweiz
Singapore
Slovenija
Slovensko
South Africa
Suomi
Sverige
Türkiye
United Kingdom
United States of America
Uruguay
Venezuela
Việt Nam
Ελλάδα
Κύπρος
Беларусь
България
Република Србија
Россия
Србија и Црна Гора
Україна
ישראל
الامارات العربية المتحدة
السعودية
ايران
مصر
ประเทศไทย
Chinese
English
苏ICP备20011289号-1
苏公网安备32058502011222
Sitemap
Print
Recommended
Top
Copyright © 2025 norelem. All rights reserved.
Tel. +49 71 45/206-44 to 45 · Fax +49 71 45/206-83