|
|
|
95100-05Guide rollers, plastic, convex with and without stainless steel... |
go back |
|
Item description/product images |
|
|
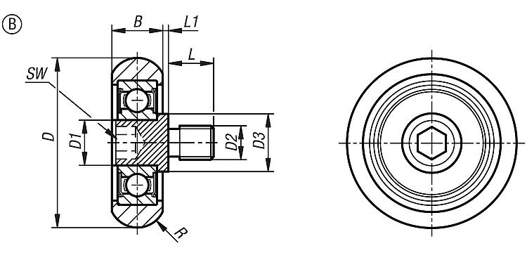
DescriptionMaterial:Roller rim polyacetal (POM). Bearing and pin stainless steel.Version:Roller rim white.Note:The roller rim is firmly bonded onto a ball bearing.
The advantage of having a POM roller rim is quiet running.
These guide rollers are not suitable for impact or axial loads. The radial load was tested with one million revolutions at 300 rpm. These results may vary depending on operating conditions and environment.Technical data:Possible operating temperatures up to 105 °C.Special features: DownloadHere is all the information as a PDF datasheet:
Are you looking for CAD data? These can be found directly in the product table.
|
Drawings (total overview) |
|
Guide rollers, plastic, convex, with and without stainless steel pin - Form B |
More information |
| Order No. | B | D | D1 | D2 | D3 | Form | Form definition | Ball bearing | L | L1 | R | Radial load N | SW | CAD | Acc. | Price | Order |
|---|
| 95100-05-10200605X08 | 6 | 20 | 6 | M5 | 8 | B | with pins | 696-HZZ | 8 | 1 | 5 | 98 | 3 |  | | on request | | | 95100-05-10200606X08 | 6 | 20 | 6 | M6 | 8 | B | with pins | 696-HZZ | 8 | 1 | 5 | 98 | 3 |  | | on request | | | 95100-05-10250605X08 | 6 | 25 | 6 | M5 | 8 | B | with pins | 696-HZZ | 8 | 1 | 5 | 98 | 3 |  | | on request | | | 95100-05-10250606X08 | 6 | 25 | 6 | M6 | 8 | B | with pins | 696-HZZ | 8 | 1 | 5 | 98 | 3 |  | | on request | | | 95100-05-10300905X08 | 9 | 30 | 8 | M5 | 10 | B | with pins | 608-HZZ | 8 | 0,5 | 5 | 196 | 4 |  | | on request | | | 95100-05-10300906X08 | 9 | 30 | 8 | M6 | 10,2 | B | with pins | 608-HZZ | 8 | 1 | 5 | 196 | 5 |  | | on request | | | 95100-05-10300906X12 | 9 | 30 | 8 | M6 | 10,2 | B | with pins | 608-HZZ | 12 | 0,5 | 5 | 196 | 5 |  | | on request | | | 95100-05-10350905X08 | 9 | 35 | 8 | M5 | 10 | B | with pins | 608-HZZ | 8 | 0,5 | 5 | 196 | 4 |  | | on request | | | 95100-05-10350906X08 | 9 | 35 | 8 | M6 | 10,2 | B | with pins | 608-HZZ | 8 | 1 | 5 | 196 | 5 |  | | on request | | | 95100-05-10350906X12 | 9 | 35 | 8 | M6 | 10,2 | B | with pins | 608-HZZ | 12 | 0,5 | 5 | 196 | 5 |  | | on request | |
|
Other items in this category |
|
|