norelem uses cookies to optimally design and continually improve the website. By continuing to use this website, you agree to the use of cookies. You can find more information about cookies in our Data protection declaration.okay
Guide rollers, plastic, cylindrical without pins
95101

Guide rollers, plastic, cylindrical without pins

go back

Item description/product images

DescriptionMaterial:Roller rim polyurethane (PUR).
Bearing steel.
Version:Roller rim dark brown.Note:The roller rim is firmly bonded onto a ball bearing. From diameter D = 40 mm, the roller rim has a double-layer

The advantage of a PUR roller rim is quiet running.

These guide rollers are not suitable for high temperatures, high humidity or exposure to water. The guide rollers are resistant to solvent-free oils. Oils with solvent content can cause swelling or strength deterioration.

The radial load was tested over one million revolutions at 300 rpm. These results may vary depending on operating conditions and environment.
Accessory:Matching pins 95102.Special features:
RoHS
DownloadHere is all the information as a PDF datasheet:

Are you looking for CAD data? These can be found directly in the product table.
 Datasheet 95101 Guide rollers, plastic, cylindrical without pins 176 kB

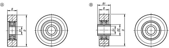
Drawings (total overview)

Guide rollers, plastic, cylindrical without pins

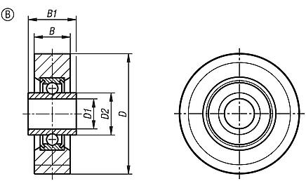
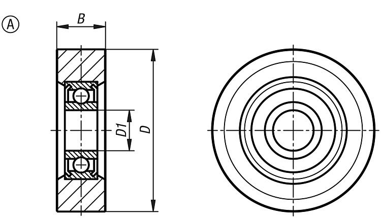
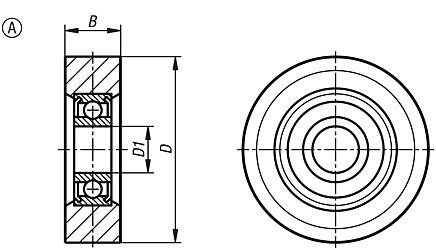
Guide rollers, plastic, cylindrical without pins - Form A

More information

Drawings

Guide rollers, plastic, cylindrical without pins - Form A

Item selection/filter

Order No.BDD1FormForm definitionBall bearing

Radial
load
N
Suitable for

CADAcc.PriceOrder
95101-0020088206Ano collar696-2RS6395102-3006055 on request
95101-0025099256Ano collar626-2RS9395102-3006060 on request
95101-00301111308Ano collar608-2RS16795102-3008070 on request
95101-00351111358Ano collar608-2RS22595102-3008070 on request
95101-004012124010Ano collar6000-2RS31495102-3010080 on request
95101-004514144512Ano collar6201-2RS40295102-3012100 on request
95101-005014145012Ano collar6201-2RS47095102-3012100 on request
95101-005515155515Ano collar6202-2RS51095102-3015110 on request
95101-006015156015Ano collar6202-2RS53995102-3015110 on request

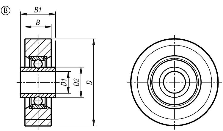
Guide rollers plastic cylindrical without pin -Form B

More information

Drawings

Guide rollers plastic cylindrical without pin -Form B

Item selection/filter

Order No.BB1DD1D2FormForm definitionBall bearing

Radial
load
N
Suitable for

CADAcc.PriceOrder
95101-1020088112068,6Bwith collar696-2RS6395102-3006110 on request
95101-1025099122569,3Bwith collar626-2RS9395102-3006110 on request
95101-103011111530812Bwith collar608-2RS16795102-3008130 on request
95101-103511111535812Bwith collar608-2RS22595102-3008130 on request
95101-1040121216401014Bwith collar6000-2RS31495102-3010160 on request
95101-1045141418451218,3Bwith collar6201-2RS40295102-3012160 on request
95101-1050141418501218,3Bwith collar6201-2RS47095102-3012160 on request
95101-1055151519551521,6Bwith collar6202-2RS51095102-3015170 on request
95101-1060151519601521,6Bwith collar6202-2RS53995102-3015170 on request
My norelemE-mailPassword
Shopping cart
Number of items: 0
Amount: 0.00  
shopping cart
欢迎扫描二维码
咨询诺瑞朗官方客服微信
China
苏ICP备20011289号-1  苏公网安备32058502011222 Sitemap Print Recommended Top
Copyright © 2025 norelem. All rights reserved. Tel. +49 71 45/206-44 to 45 · Fax +49 71 45/206-83