norelem uses cookies to optimally design and continually improve the website. By continuing to use this website, you agree to the use of cookies. You can find more information about cookies in our Data protection declaration.okay

Item description/product images

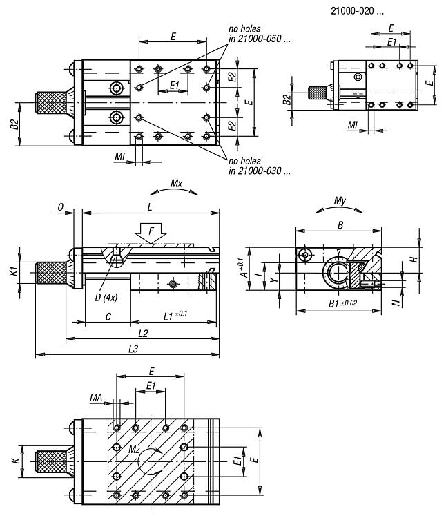
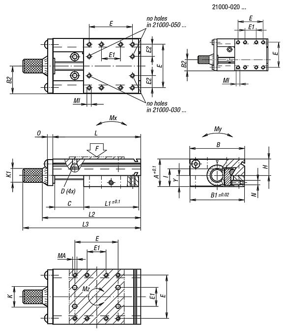
DescriptionMaterial:Aluminium EN AW-6063Note:These precision dovetail slides find use in e.g. machine and fixture construction, metrology, optical instruments and fine mechanics.
The stated permissible load rating (F) is for static loads.
The torque values only apply for centred carriages.
The micrometer knurled knob for moving the carriage is pressed on.

M1 = countersink for screw
TI = number of fastening holes E1/E2/M1 inside.
TA = number of fastening holes E/E1/MA outside.
Advantages:- Innovative and safe clamping system without height or lateral displacement.
- No play in guides.
- Rapid subsequent combination in X, Y and Z axes.
Applications:- Adjustment of machining units, metrology cameras, mirrors, microscopes and laser heads (including the machining of surgical needles).
- Fine adjustment of brazing, plasma and welding heads.
- Focussing of flame nozzles.
DownloadHere is all the information as a PDF datasheet:

Are you looking for CAD data? These can be found directly in the product table.
 Datasheet 21000 Dovetail slides with micrometer spindle 272 kB

Drawings

Dovetail slides with micrometer spindle

Item selection/filter

Order No.AB

B1B2D
for
screw
EE1E2TlTAHIKK1Travel
S
CADAcc.PriceOrder
21000-0200301320 -0,319,68,1M2126-8888,3106,35  on request
21000-0200351320 -0,319,68,1M2126-8888,3106,310  on request
21000-0200451320 -0,319,68,1M2126-8888,3106,320  on request
21000-0300401530 -0,329,613M32387,51089,89,8106,35  on request
21000-0300451530 -0,329,613M32387,51089,89,8106,310  on request
21000-0300551530 -0,329,613M32387,51089,89,8106,320  on request
21000-0500672350 -0,349,425M438161110814,515,62214,312  on request
21000-0500802350 -0,349,425M438161110814,515,62214,325  on request
21000-0501052350 -0,349,425M438161110814,515,62214,350  on request
21000-0801103480 -0,57940M56034131282322,52614,325  on request
21000-0801353480 -0,57940M56034131282322,52614,350  on request
21000-0801603480 -0,57940M56034131282322,52614,375  on request
21000-0801853480 -0,57940M56034131282322,52614,3100  on request
21000-12015045120 -0,511960M590402512830292614,325  on request
21000-12017545120 -0,511960M590402512830292614,350  on request
21000-12020045120 -0,511960M590402512830292614,375  on request
21000-12022545120 -0,511960M590402512830292614,3100  on request
Order No.L

L1L2L3MIMANOYSpindleF
N
Mx
Nm
My
Nm
Mz
Nm
CADAcc.PriceOrder
21000-020030302038,248,2M2x3M2x3M335,2M5x0,51800,4520,3  on request
21000-020035352043,253,2M2x3M2x3M335,2M5x0,51800,4520,3  on request
21000-020045452053,263,2M2x3M2x3M335,2M5x0,51800,4520,3  on request
21000-030040403048,258,2M3x4,5M3x4,5M435,8M5x0,53501,141  on request
21000-030045453053,263,2M3x4,5M3x4,5M435,8M5x0,53501,141  on request
21000-030055553063,273,2M3x4,5M3x4,5M435,8M5x0,53501,141  on request
21000-050067675078,298,2M4x6M4x8M4511,5M5x0,55402,582,3  on request
21000-050080805091,2111,2M4x6M4x8M4511,5M5x0,55402,582,3  on request
21000-05010510550116,2136,2M4x6M4x8M4511,5M5x0,55402,582,3  on request
21000-08011011080128,3148,3M5x7,5M5x10M6814M10x17508227  on request
21000-08013513580153,3173,3M5x7,5M5x10M6814M10x17508227  on request
21000-08016016080178,3198,3M5x7,5M5x10M6814M10x17508227  on request
21000-08018518580203,3223,3M5x7,5M5x10M6814M10x17508227  on request
21000-120150150120172,3192,3M5x10M5x10M61218,5M10x11500304518  on request
21000-120175175120197,3217,3M5x10M5x10M61218,5M10x11500304518  on request
21000-120200200120222,3242,3M5x10M5x10M61218,5M10x11500304518  on request
21000-120225225120247,3267,3M5x10M5x10M61218,5M10x11500304518  on request
My norelemE-mailPassword
Shopping cart
Number of items: 0
Amount: 0.00  
shopping cart
欢迎扫描二维码
咨询诺瑞朗官方客服微信
China
苏ICP备20011289号-1  苏公网安备32058502011222 Sitemap Print Recommended Top
Copyright © 2025 norelem. All rights reserved. Tel. +49 71 45/206-44 to 45 · Fax +49 71 45/206-83